Інвертуючий широтно імпульсний перетворювач
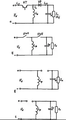
Інвертуючий широтно-імпульсний перетворювач рис. 2а, б — це перетворювач, дросель фільтра якого включений паралельно, а потужний транзистор — послідовно по відношенню до навантаження.

Принцип роботи

При відкритому стані силового транзистора діод , закритий під дією сум напруг джерела живлення і навантаження, доданих до неї в зворотному напрямку, внаслідок чого навантаження від джерела електроенергії відключена рис. 2,в. При цьому паралельно джерелу підключений дросель , в якому відбувається накопичення енергії. У момент закривання транзистора енергія, накопичена в дроселі, надходить в конденсатор і навантаження, через що відкривається діод рис. 2,г, а полярність вихідної напруги перетворювача буде протилежною полярності напруги живлення. Для режиму безперервного струму враховуємо, що при відкритому стані транзистора до дроселя докладено напруга живлення , а при закритому — рис. 3.
Максимальне і мінімальне значення струму дроселя, транзистора і діода
Для режиму безперервного струму враховуємо, що при відкритому стані транзистора до дроселя прикладена напруга живлення , а при закритому — .[1]
Максимальне і мінімальне значення струму дроселя, транзистора і діода:
, де
; ; ;
;
- сумарний опір контуру струму дроселя на першому і другому інтервалі
Часові діаграми перетворювача в режимах безперервного і переривистого струмів

Амплітуда пульсацій:
Залежність вихідної напруги від коефіцієнту заповнення:
де – тривалість відкритого стану транзистора ;
— відносна тривалість відкритого стану транзистора , або коефіцієнт заповнення імпульсів .
Середнє значення струму навантаження:
При збільшенні опору струм IL зменшиться швидше і може наступити режим переривних струмів дроселя LФ рис. 4

Межа між режимами безперервного і перервного струмів може бути визначена нерівністю:
де відносна тривалість відкритого стану транзистора .
При виконанні зазначеної нерівності має місце режим безперервного струму. У режимі безперервної струму пристрій працює стійкіше і надійніше. Виняток — випадки, коли потрібна дуже велика потужність або низький рівень завад. Для режиму безперервних струмів характерні менші пульсації вихідної напруги, більш рівномірне навантаження на силовий ключ і менші високочастотні електромагнітні перешкоди.
Переваги, недоліки, застосування
Інвертуючий ШІП, як і підвищуючий перетворювач, дозволяє отримувати вихідну напругу вище напруги джерела живлення. У вітчизняній літературі зустрічаються й інші назви, наприклад «ШІП з послідовним включенням ключа і паралельним включенням дроселя». Необхідно відзначити, що підвищуючі та інвертуючі перетворювачі характеризуються:
- гіршим використанням елементів фільтра,
- значно більшими габаритами і масою,
- великим внутрішнім опором,
- гіршим використанням по струму регулюючого транзистора і діода в порівнянні із понижуючим перетворювачем.
Втрати енергії в інвертуючому перетворювачі, також як і в понижуючому, і в підвищуючому, пропорційні відношенню вхідної і вихідної напруг. Тому інвертуючі перетворювачі застосовуються, якщо модуль вхідної напруги не більше ніж в 4 рази відрізняється від модуля вихідної. В такому перетворювачі не застосовується вихідний трансформатор, отже немає паразитної індуктивності розсіювання між обмотками — головної причиною, що обмежує потужність імпульсних перетворювачів. З іншого боку, нема можливості розв'язати вхід та вихід перетворювача.[2]
Примітки
- Инвертирующий широтно-импульсный преобразователь. cop320.narod.ru. Процитовано 8 листопада 2016.
- Инвертирующий импульсный преобразователь напряжения, источник питания. Преимущества, недостатки, применение. Принцип работы. Примеры схем. gyrator.ru. Процитовано 8 листопада 2016.
Джерела
- Руденко В. С., Ромашко В. Я., Морозов В. Г. Перетворювальна техніка. Частина 2: Підручник. — К.: ІСДО, 1996. — 329с.
- Руденко В. С., Сенько В. И., Чиженко И. М. Преобразовательная техника. — К.: Вища школа, 1983.