Багатофазні випрямлячі
Для електроживлення споживачів середньої й великої потужності на практиці широко використовуються схеми випрямлячів трифазного живлення. Силові трансформатори таких випрямлячів складаються з трифазних первинних і вторинних обмоток. Первинні обмотки з'єднуються або в зірку, або в трикутник. Вторинні обмотки за допомогою спеціальних схем з'єднання дозволяють отримувати випрямлену напругу з числом пульсацій за період мережі живлення, кратним трьом. Це дозволяє зі збільшенням числа пульсацій в випрямленій напрузі значно зменшити обсяг і масу згладжуючих фільтрів, або взагалі виключити їх використання. Використання трансформатора в випрямному пристрої дозволяє забезпечувати гальванічну розв'язку первинного джерела живлення і ланцюгів навантаження, перетворювати величину вхідної напруги, перетворювати число фаз. При використанні трифазних випрямлячів забезпечується рівномірне навантаження на трифазну мережу. Підвищується і коефіцієнт використання трифазного трансформатора випрямного пристрою.
Однопівперіодна трифазна схема випрямлення (схема Мітковича)
.png.webp)
.png.webp)
Трифазна схема випрямлення з нульовим виводом (рис.1) містить трифазний трансформатор TV1,три діоди VD1, VD2, VD3 та навантаження Rн. Вторинна обмотка трансформатора обов'язково з'єднується зіркою. Розглянемо роботу схеми. На рис. 2 зображена трифазна схема напруг вторинних обмоток трансформатора. У момент t1, коли UA позитивна, а UB та UC негативні, струм буде протікати тільки через вторинну обмотку і діод VD1. Миттєве значення цього струму:
id1=iA=UA/Rн
Внаслідок протікання струму потенціал катода VD1 буде рівний потенціалові його анода, тобто UA . Оскільки катоди діодів усіх фаз об'єднані, то потенціали катодів VD2 та VD3 теж будуть рівні UA . Тому, поки напруга фаз В і С менша напруги UA, діоди VD2 та VD3 не будуть проводити струм. У момент t2 діод VD2 починає проводити струм, напрям якого в навантаженні збігається з напрямом струму в попередню третину періоду. До VD1 виявляється прикладеною негативна напруга (UA<UB) і він закривається. Так само, у момент t3 провідним стає діод VD3, а VD2 закривається. Завжди працює той діод, анод якого знаходиться під найбільшим позитивним потенціалом. Діод працює 1/3 періоду. Тому струм діоду Id=I0 ⁄ 3. Максимальна величина зворотної напруги на вентилі дорівнює амплітуді лінійної напруги:
UVDmax=Uлmax=√3E2фmax=2.1U0
Трифазна однопівперіодна схема випрямлення характеризується
- низьким рівенем пульсації випрямленої напруги
- використанням малої кількості елементів
- коефіцієнтом пульсацій випрямленої напруги (Кд≈25 %)
- невеликою зворотною напругою на вентилі UVDmax≅2.1Ud
- низьким ККД
- вимушеним намагнічуванням трансформатора
- поганим використанням потужності трансформатора
Трифазна мостова схема випрямлення (схема Ларіонова)
.png.webp)
.png.webp)
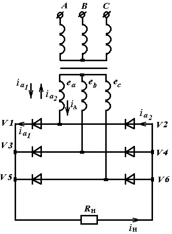
Найбільше поширення одержала трифазна мостова схема, показана на рис. 3. Часові діаграми струмів і напруг, що пояснюють роботу схеми при активному навантаженні, показані на рис.4. Шість вентилів випрямляча умовно розбивають на дві групи: вентилі V1, V3, V5 складають катодну групу (мають спільний катод), а V2, V4, V6 — анодну групу (мають спільний анод). Кожен вентиль випрямляча пропускає струм протягом 1/3 періоду напруги мережі (тривалість відкритого стану вентиля -λ=2π⁄3). В анодній групі в кожен момент часу працює той вентиль, напруга на катоді якого найбільш негативна. У катодній групі буде пропускати струм той вентиль, на аноді якого найбільш позитивна напруга (рис.4). Таким чином, у випрямлячі одночасно пропускають струм два вентилі: один з катодної, а інший з анодної групи. Значення напруги на навантаженні визначається різницею напруг фаз із найбільш позитивною та найбільш негативною напругою, тобто лінійною напругою (рис.4). Так як кожна фаза пов'язана з двома вентилями, по ній протікає струм цих вентилів, причому струм протікає двічі за період в протилежних напрямках (рис.3). Завдяки цьому в мостовій схемі відсутнє явище підмагнічування осердя, що є перевагою даної схеми. До вентиля, що не працює, в мостовій схемі прикладена зворотна напруга, яка дорівнює різниці напруг фаз, пов'язаної з даним вентилем, і тієї фази, на якій в цей момент найбільш позитивна напруга. Максимальна величина зворотної напруги на вентилі дорівнює амплітуді лінійної напруги:
UVDmax=√2U2л=√2√3U2ф=1.05U0
Діаграми рис.4 відображають випадок, коли струм з одного вентиля на іншій переходить миттєво, тобто здійснюється миттєва комутація. Однак у випрямлячах великої потужності, до яких відносяться трифазні випрямлячі, істотну роль відіграє індуктивність розсіювання обмоток трансформатора, в яких при протіканні струму накопичується енергія. При закриванні вентиля ця енергія не може миттєво розсіятися, тому струм у вентилі, що раніше проводив, спадає до нуля не миттєво, а протягом деякого інтервалу часу. Аналогічно, струм у вентилі, що вступає в роботу, не може стрибком збільшитися до свого номінального значення. При цьому протягом інтервалу часу γ (рис.3) виявляються відкритими два вентилі в катодній або анодній групі (рис. 5).

У випрямлячі на цьому етапі одночасно включені три вентилі. Інтервал γ називається інтервалом комутації, а саме явище одночасної роботи вентилів з однієї групи — явищем комутації. Внаслідок явища комутації тривалість роботи вентиля збільшується і стає рівною λ=2π⁄3+γ. Відповідно збільшується інтервал роботи фази трансформатора. На інтервалі комутації напруга в спільній точці вентилів, один з яких включається, а інший виключається, дорівнює напівсумі напруг цих фаз, тобто менша, ніж у звичайному режимі. У випрямленій напрузі, внаслідок явища комутації, утворюються вирізані ділянки. В результаті, середнє значення випрямленої напруги зменшується, а коефіцієнт пульсацій на виході випрямляча збільшується. Тривалість інтервалу комутації γ пропорційна величині індуктивності розсіювання Ls, а також величині струму навантаження Id. При збільшенні індуктивності зростає інтервал комутації.
Порівняння з’єднання обмоток трансформатора за схемою зірка-зірка і зірка-трикутник

Схему з’єднання зірка-трикутник використовують для того, щоб отримати непереривний струм в обмотках трансформатора, оскільки форма струму в обмотках трансформатора при з’єднанні за схемою зірка-зірка має імпульсний характер з паузою в 1/3 частину півперіоду, що знижує коефіцієнт потужності випрямляча.
| Тип з’єднання | Зірка-зірка | Зірка-трикутник |
| Випрямлена напруга на виході схеми при холостому ході | Ud=1.35U2л=2.34U2ф | Ud=1.35U2 |
| Середній струм вентиля | Id=I0/3 | Id=I0/3 |
| Максимальна зворотня напруга на закритому вентилі | UVDmax≅1.05Ud | UVDmax≅1.05Ud |
| Струм в первинній обмотці трансформатора | I1=0.82I0 | I1=0.47I0 |
| Струм у вторинній обмотці трансформатора | I2=0.82I0/kт | I2=0.47I0/kт |
| Потужність трансформатора | Sт=1.05U0I0=1.05P0 | Sт=1.05U0I0=1.05P0 |
де, kт - коефіцієнт трансформації трансформатора, U2 - діюче значення напруги вторинної обмотки трансформатора, U2л і U2ф відповідно діюче значення лінійної і фазової напруги вторинної обмотки трансформатора
Трифазна мостова схема випрямлення характеризується
- невеликою зворотною напругою на вентилі UVDmax≅1.05Ud
- хорошим використанням потужності трансформатора і відсутністю вимушеного намагнічування
- малим коефіцієнтом пульсацій випрямленої напруги (Кд≈6 %)
- підвищеною частотою пульсацій випрямленої напруги (кратність пульсацій випрямленої напруги дорівнює 6)
- Завдяки своїм позитивним властивостям, схема знаходить найширше застосування
Основні параметри і розрахункові співвідношення
- Коефіцієнт пульсації — відношення амплітудного значення змінної складової U(~max) до середнього значення (постійної складової) напруги Ud
КП=U(~max)/Ud
- Кратність пульсацій випрямленої напруги — відношення частоти пульсацій випрямленої напруги fП до частоти мережі живлення fМ:
m=fп⁄fм
Для будь-якої схеми випрямляча, крім однофазної однопівперіодної, коефіцієнт пульсацій випрямленої напруги можна визначити як
Кп=2/(m2−1)
- Навантажувальна характеристика — залежність середнього значення випрямленої напруги Ud від середнього значення струму у навантаженні Id
Ud=f(Id)
- Внутрішній опір випрямляча ri — відношення зміни постійної складової випрямленої напруги ∆Ud до відповідної зміни постійної складової струму навантаження ∆Id
ri=∆Ud/∆Id
Внутрішній опір визначають за навантажувальної характеристикою випрямляча.
- Коефіцієнт використання вентилів випрямляча за напругою — відношення середнього значення випрямленої напруги Ud до амплітудного значення зворотної напруги на вентилях UVDmax
КVDu=Ud/UVDmax
- Інтервал комутації γ — інтервал, протягом якого працюють два вентилі з однієї групи (катодної або анодної).
- Тривалість роботи вентилів випрямляча λ — тривалість інтервалу, протягом якого вентиль випрямляча пропускає струм. Цей інтервал залежить від схеми випрямляча та тривалості інтервалу комутації γ
λ=2π/m+γ
Література
- Лукутин Б.В., Обухов С.Г. Силовые преобразователи в электроснабжении. Учебное пособие.-Томск, Изд. ТПУ, 2006.
- Чебовский О.Г. и др. Силовые полупроводниковые приборы. Справочник.- Ленинград, Энергия, 1985.
- Руденко В.И. и др. Основы преобразовательной техники. Учебник для ВУЗов, 2-е издание М.: Высш. шк., 1980-286с.