Брязкіт контактів
Бря́зкіт конта́ктів (англ. contact bounce) — небажане замикання й розмикання контактів в момент комутації[1], що виникає в електричних і електронних перемикачах і яке не передбачене заданою дією пристрою[2] (процес триває приблизно упродовж від декількох до десятків мілісекунд).

Загальні поняття
При замиканні і розмиканні перемикачів у колі виникають імпульсні завади (які називаються «шум» або «дзвін»), викликані брязкотом контактів.
При натисненні на кнопку або спрацюванні перемикача напруга не відразу встановлюється на заданому рівні, а «скаче» протягом деякого часу, поки коло надійно не замкнеться. Після того, як кнопка буде відпущена чи контакти розімкнені, напруга також «скаче», поки не встановиться на відповідному рівні, що відповідає цьому стану кнопки чи іншого пристрою перемикання.
Завади, викликані брязкотом контактів, можуть інтерпретуватися як декілька розмикань і замикань ключа. Якщо клавіша використовується для керування пристроєм, то цей пристрій сприйме завади як багаторазове натискання клавіші, що викличе значні ускладнення при його використанні.
Брязкіт викликає збої в роботі пристроїв, а також може призвести до псування електронних та електричних компонентів. Достроково виводять з ладу елементи з обмеженим ресурсом за кількістю циклів увімкнення/вимкнення. Практично всі механічні кнопки, контактори і перемикачі (за винятком рідинних, наприклад ртутних) в тій чи іншій мірі схильні брязкоту.
Через брязкіт не завжди є допустимою безпосередня подача сигналів на входи мікросхем від кнопок та перемикачів. Нечутливими до брязкоту є входи початкового встановлення тригерів, лічильників і регістрів (обнулення по входах R). Однак, подавання логічних рівнів сигналу на лічильні входи мікросхем вимагає погашення брязкоту — без цього можливе випадкове багаторазове спрацьовування лічильників.
Причини виникнення
Якщо зусилля, що приводить контактні тіла у стикання, занадто мале, то внаслідок пружності контактних пластин у деяких контактних перетворювачах після першого замикання може виникати так званий «брязкіт»: рухомий контакт вібрує із амплітудою, яка затухає, що спричиняє декілька послідовних розмикань та замикань електричного кола. Це явище порушує нормальну роботу керованого електричного кола. Таке ж подрібнення імпульсу може виникати й при дуже повільному замиканні контактних тіл, оскільки в цьому разі виникає газовий розряд, і до стикання контактних тіл між ними встигає проскочити ціла серія іскор.
Для уникнення чи мінімізації подрібнень імпульсу слід забезпечувати якнайшвидше замикання контактів та достатнє контактне зусилля.
Усунення впливу брязкоту контактів
Час тривання брязкоту залежить від конструкції контакту. Для усунення чи гасіння впливу брязкоту використовують два способи: апаратні та програмні.
Апаратні способи реалізуються у вигляді наступних типів схем:
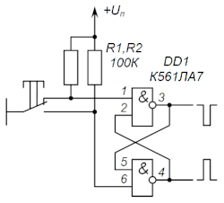
- схеми тригерів — можна встановити тригер Шмітта, щоб посилити ефект угамування брязкоту;
- схеми на основі RC-ланок — у цій схемі час, необхідний для зарядження/розрядження конденсатора до порогової напруги, маскує брязкіт контактів при перемиканні;
- схеми на основі лічильників або зсувних регістрів.
Недоліками цих методів є додаткові витрати на компоненти, які повинні бути встановлені на платі та додатковий час, необхідний для зарядження/розрядження RC-кола.
Програмні способи[3] полягають у повторному опитувані контакту із затримкою на час більший від тривалості перехідного процесу, і в разі збігу результату кнопка вважається натиснутою, інакше — був брязкіт чи помилкове зчитування.
Примітки
- ДСТУ 2231-93 Інтерфейс між обчислювальною машиною і технічним процесом. Терміни та визначення.
- ГОСТ 14312-79. Контакты электрические. Термины и определения.
- R.D. Yershov, V.P. Voytenko, V.A. Bychko. Software-Based Contact Debouncing Algorithm with Programmable Auto-Repeat Profile Feature // Proceeding of 2019 International Scientific-Practical Conference Problems of Infocommunications. Science and Technology (PIC S&T'2019). — Kyiv, Ukraine : IEEE, 2019. — С. 813-819. — DOI:10.1109/PICST47496.2019.9061500.
Джерела
- Димитрова М. И., Пунджев В. П. 33 схемы с логическими элементами И-НЕ. — М.: «Энергоатомиздат», 1988. — 112 с. ISBN 5-283-04383-5
Посилання
- Формування імпульсів від механічних контактів на сайті «Світ електронних схем».
- Фильтрация дребезга контактов переключателя на сайті «Network of Excellence Robotic & Mechatronics HomeLab Community» (рос.)
