Біохімічне очищення стічних вод
Біологічні методи очищення стічних вод основані на використанні мікроорганізмів, які окиснюють органічні речовини, що присутні у стічних водах у колоїдному і розчиненому стані. Мікроорганізми руйнують молекули різних сполук і використовують їх для свого живлення, розмноження і збільшення біологічної маси — активного мулу і біоплівки. Для нормальної життєдіяльності мікроорганізмам потрібні різні хімічні елементи, які вони засвоюють з стічних вод. Відсутні елементи — азот, фосфор, калій — штучно вводять у воду, яку очищують.
Біохімічне очищення стічних вод

Біохімічні методи звичайно застосовують для остаточного очищення стічних вод після використання фізико–хімічних методів обробки, за допомогою яких видаляють речовини, що не піддаються біологічному очищенню, або знижують концентрацію цих речовин. Сьогодні широко застосовують сумісне очищення побутових і промислових стічних вод, тому що у побутових стоках містяться розчинені речовини, які найбільш легко засвоюються мікроорганізмами.
Після очищення біологічними методами воду слід знешкоджувати від хвороботворних бактерій. Останнім часом через підвищені вимоги до якості води очищену воду піддають доочищенню в багатошарових піщаних фільтрах, мікрофільтрах, контактних прояснювачах, біологічних ставках, в хімічних окиснювачах озонуванням. У деяких випадках виникає необхідність видалення азоту і фосфору, які сприяють розвитку в водоймах рослинності. Фосфор і азот видаляють фізико–хімічними, хімічними і біологічними методами.
У спорудах механічної та біологічної очистки з'являються у великій кількості осади. Осад первинних відстійників піддається гниттю, тому для його обробки передбачаються двоярусні відстійники, метантенки. Осад просушують на мулових майданчиках, а також зневоднюють на вакуум–фільтрах, фільтр–пресах, центрифугах, сушать в сушарках. До нових способів згущення і зневоднення належить спосіб безнапірного фільтра і вібрації фільтрувальної перегородки при зневодненні осаду, а також метод заморожування осадів.
Пристрої для біохімічного очищення стічних вод поділяють на:
- пристрої, в яких очищення стічних вод наближається до природних умов;
- пристрої з штучно створеними умовами очищення стічних вод.
До перших відносяться поля зрошення, поля фільтрації та біологічні ставки. До других відносять аеротенки і біологічні фільтри, що дозволяють більш інтенсивно здійснювати окиснення органічних домішок.
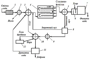
Аеротенки — це залізобетонні резервуари різної форми, що складаються з декількох секцій, по яких рухаються стічні води. Існує багато різних видів аеротенків: з пневматичною аерацією, поверхневою аерацією і змішаного типу. Аеротенки також ділять на: оксітенки, фільтротенки флототенки, біодиски і біологічні ставки. Аерація стічних вод у аеротенках може бути здійснена механічними і пневматичними методами. Чим дрібніше дисперговане повітря, тим більше поверхня контакту повітряних бульбашок з водою, тобто тим повніше насичуються стічні води киснем, який є необхідним для життєдіяльності мікроорганізмів. Іноді застосовують поверхневу аерацію стічних вод, яка полягає у поверхневому розбризкуванні води, що відкачується з нижньої частини аеротенка. При пневматичній аерації часто замість повітря вводять кисень. Застосування кисню, з одного боку, здорожує процес біохімічного очищення стічних вод, а з другого — значно інтенсифікує його, тому що майже у два рази збільшується концентрація активного мулу і зменшується час необхідний для розкладення різних речовин мікроорганізмами. За схемою повного біологічного очищення (рис.) стічна вода надходить в усереднювач 1 з решіткою для механічного очищення води від крупних частинок і різних сторонніх предметів.
З усереднювача вода подається в пісколовку 2, яка являє собою циліндроконічний резервуар з тангенціальним вводом води. У пісколовці осаджується зерниста фракція — пісок. Злив пісколовки надходить у первинний відстійник 3, у якому осаджується тонкозерниста фракція завислих частинок. Злив первинних відстійників разом із зворотним мулом подається у аеротенки 4, де за допомогою мікроорганізмів розкладаються різні органічні і мінеральні речовини. В аеротенках стічні води аерують стисненим повітрям.
З аеротенка стічну воду разом з активним мулом направляють на відстоювання у вторинний відстійник 5 для уловлювання активного мулу. Злив вторинного відстійника надходить у контактний резервуар 6, у який подають також рідкий хлор для знезаражування стічних вод. Тривалість контактування стічних вод з рідким хлором 15—20 хв. Після контактування з хлором стічні води відстоюють у чані 7, а потім подають у буферні ставки, де очищена вода повинна перебувати не менше 3 діб. Мул з вторинного відстійника відпомповують насосами станції 8 у мулонакопичувач 9. Частину мулу — зворот — подають у аеротенк. Ущільнений мул і осад первинного відстійника подають у метантенк 10 — герметично закритий резервуар для бродіння осаду без доступу кисню. Осад у метантенку інтенсивно перемішується пропелерною мішалкою. Інтенсивність бродіння осаду підвищується при температурі 50—55 °C, тому у метантенк з котельної 12 подають пару. При бродінні 1 т осаду утворюється 10 м³ газу. Газ, що виділяється в результаті бродіння, містить 70—75 % метану і 20—25 % вуглекислого газу і спалюється у котельній. З метантенку осад подають на муловий майданчик 11 з штучною або природною дренуючою основою.
Дренажна вода мулового майданчика перекачується у первинний відстійник. На муловому майданчику осад зневоднюється до вмісту твердого 75—80 %. Після цього його можна використовувати як добриво. Іноді осад метантенків зневоднюється у фільтр–пресах і у термічних сушарках.
Див. також
Література
- Запольський А. К. Водопостачання, водовідведення та якість води. — К.: Вища школа, 2005. — 671 с.
- Хільчевський В. К. Водопостачання і водовідведення: гідроекологічні аспекти. — К.: ВПЦ «Київський університет», 1999. — 319 с. ISBN 966-594-073-2.
- Білецький В. С., Олійник Т. А., Смирнов В. О., Скляр Л. В. Техніка та технологія збагачення корисних копалин. Частина ІІІ. Заключні процеси. — Кривий Ріг: Криворізький національний університет. 2019. — 232 с.