Демультиплексор
Демультиплексор відноситься до пристроїв комутування цифрової інформації. Він здійснює комутацію одного інформаційного входу до одного з декількох виходів, адреса якого задана. Демультиплексор має один інформаційний вхід, декілька виходів та адресні входи.

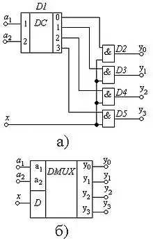
Таким чином, на приймальному кінці мультиплексованої магістралі потрібно виконати зворотну операцію - демультиплексування. Демультиплексор можна реалізувати на дешифраторі з n-входами, в якому вхід дозволу E використовується як інформаційний. Якщо для побудови схеми демультиплексора використати дешифратор без входу дозволу E, то необхідно мати m двовхідних логічних елементів 2І.
Входи дешифратора a1, а2 є адресними. Тому в залежності від адресного числа лише на одному з виходів дешифратора з'являється логічна одиниця, яка дає дозвіл до спрацювання лише одного з чотирьох кон'юкторів D2…D5. На другі входи кожного кон'юктора надходить шина сигналу x.
Вхідна інформація відтворюється на виході одного з чотирьох логічних елементів D2…D5, який одержав дозвіл по другому адресному входу.
Можна виконати синхронний демультиплексор, якщо використовувати три-входові логічні елементи 3І і на третій вхід подати синхросигнал або сигнал дозволу від зовнішнього джерела.
Функціонування демультиплексора 1-4 відбивається таблицею істинності.
| Адресні входи | Виходи | ||||
|---|---|---|---|---|---|
| а1 | а2 | y0 | y1 | y2 | y3 |
| 0
0 1 1 | 0
1 0 1 | x
0 0 0 | 0
x 0 0 | 0
0 x 0 | 0
0 0 x |
Джерела
Воробйова О.М., Іванченко В.Д. Основи схемотехніки: У двох частинах: Навчальний посібник. - Одеса: ОНАЗ ім. О.С. Попова. - 2004, Ч. 2. - 172с.: іл.