Запобіжний клапан
Запобі́жний кла́пан (рос. предохранительный клапан, англ. safety valve, нім. Sicherheitsventil n) — гідроклапан, призначений для захисту від механічного руйнування обладнання і трубопроводів надлишковим тиском, шляхом автоматичного випуску надлишку рідкого, паро- чи газоподібного середовища з систем і посудин з тиском, що перевищив встановлене значення. Клапан також повинен забезпечувати припинення скидання середовища при відновленні робочого тиску. Запобіжний клапан є арматурою прямої дії, що працює безпосередньо від робочого середовища, поряд з більшістю конструкцій захисної арматури і регуляторами тиску прямої дії.



Небезпечний надлишковий тиск може виникнути в системі як в результаті сторонніх чинників (неправильна робота обладнання, передача тепла від сторонніх джерел, неправильно зібрана тепломеханічна схема і т. д.), так і в результаті внутрішніх фізичних процесів, зумовлених певною вихідною подією, не передбаченою при нормальній експлуатації. Запобіжні клапани встановлюються скрізь, де це може статися, але особливо вони важливі в сфері експлуатації промислових та побутових об'єктів, що працюють під тиском.
Існують і інші види запобіжної арматури, але клапани є найпоширенішими через простоту своєї конструкції, легкості налаштування, розмаїття видів, розмірів і конструктивних виконань.
Історія створення та удосконалення конструкції
Запобіжні клапани були вперше використані на парових котлах в період промислової революції. Ранні котли без клапанів були схильні до випадкових вибухів.
Перші і найпростіші запобіжні клапани на парових машинах у 1679 році використовували вагу, щоб утримати тиск пари. У 1856 році Джон Рамсботтом винайшов захищений пружинний клапан, який став універсальним на залізницях.
Запобіжні клапани еволюціонували, щоб захистити обладнання, таке як посудини високого тиску і теплообмінники.
Технічні терміни
Термін «запобіжний клапан» повинен бути обмежений використанням середовищ (стислива рідина, газ, пара).
У нафтопереробній, нафтохімічній та хімічній промисловості, переробці природного газу і галузях енергетики термін «запобіжний клапан» пов'язаний з клапаном зниження тиску (pressure relief valve — PRV), клапаном збереження тиску (pressure safety valve — PSV) і власне запобіжним клапаном. Слід зазначити, що більшість людей вважають їх однаковими.
- Запобіжний клапан (relief valve — RV): автоматична система, яка приводиться в дію статичним тиском в заповнених рідиною ємностях; відкривається пропорційно зі зростанням тиску.
- Запобіжний клапан (safety valve — SV): автоматична система, яка знімає статичний тиск газу. Такі клапани зазвичай відкриваються повністю, що супроводжується уривчастим звуком.
- Запобіжний клапан (safety relief valve — SRV): автоматична система, яка позбавляє від надлишкового статичного тиску газу чи рідини.
- Керований запобіжний клапан (pilot-operated safety relief valve — POSRV): автоматична система, яка працює від віддаленої команди, що пов'язана із статичним тиском.
- Запобіжний клапан низького тиску (low pressure safety valve — LPSV): автоматична система, яка знімає статичний тиск газу. Використовується, коли різниця між тиском середовища і атмосферним тиском досить мала.
- Запобіжний клапан вакуумного тиску (vacuum pressure safety valve — VPSV): автоматична система, яка знімає статичний тиск газу. Використовується, коли перепад тиску між робочим і навколишнім середовищем малий, негативний і близький до атмосферного тиску.
- Запобіжний клапан низького та вакуумного тиску (low and vacuum pressure safety valve — LVPSV): автоматична система, яка знімає статичний тиск газу; значення робочого тиску низьке, негативне чи позитивне і близьке до атмосферного.
Принцип дії

На пояснюючому малюнку ліворуч — креслення типового пружинного клапана прямої дії. На його прикладі розглянемо типову конструкцію. Обов'язковими компонентами конструкції запобіжного клапана прямої дії є запірний орган і задатчик, що забезпечує силовий вплив на чутливий елемент, пов'язаний із запірним органом клапана. Запірний орган складається із затвора і сідла. Якщо розглядати пояснюючий малюнок, то в цьому найпростішому випадку затвором є золотник, а задатчиком виступає пружина. За допомогою задатчика клапан налаштовується таким чином, щоб зусилля на золотнику забезпечувало його притиснення до сідла запірного органу і перешкоджало пропусканню робочого середовища. В даному випадку налаштування здійснюють спеціальним ґвинтом.
Коли запобіжний клапан закритий, на його чутливий елемент впливає сила від робочого тиску в системі, яка прагне відкрити клапан і сила від задатчика, що перешкоджає відкриттю. З виникненням збурень у системі, що викликають підвищення тиску понад значення робочого, зменшується величина сили притиснення золотника до сідла. У той момент, коли ця сила стане рівною нулю, настає рівновага активних сил від впливу тиску в системі і задатчика на чутливий елемент клапана. Запірний орган починає відкриватися, і, якщо тиск в системі не перестане зростати, відбувається скидання робочого середовища через клапан.
Зі зниженням тиску в системі, яка захищається, що викликане скиданням середовища, зникають збурюючі впливи. Запірний орган клапана під дією зусилля від задатчика закривається.
Тиск закриття в ряді випадків виявляється на 10-15 % нижчим робочого тиску. Це пов'язано з тим, що для створення герметичності запірного органу після спрацьовування потрібне зусилля значно більше, ніж те, якого було достатньо для підтримки герметичності клапана перед відкриттям. Це пояснюється необхідністю подолати при посадці силу зчеплення молекул середовища, що проходить через щілину між поверхнями ущільнювачів золотника і сідла. Також зниження тиску сприяє запізнюванню закриття запірного органу, що пов'язане з впливом на нього динамічних зусиль від потоку середовища, і наявність сил тертя, що вимагають додаткового зусилля для його повного закриття.
Класифікація запобіжних клапанів
Існує широкий спектр запобіжних клапанів, що мають безліч різних застосувань в різних галузях. Крім того, національні стандарти встановлюють багато видів запобіжних клапанів.
За принципом дії
- клапани прямої дії — зазвичай саме ці пристрої мають на увазі, коли використовують словосполучення запобіжний клапан. Вони відкриваються безпосередньо під дією тиску робочого середовища;

- клапани непрямої дії — клапани, керовані шляхом використання стороннього джерела тиску або електроенергії. Загальноприйнята назва таких пристроїв імпульсні запобіжні пристрої.
За способом випуску робочого середовища
- відкритої дії (випуск в атмосферу);
- закритої дії (скидання в іншу систему).
За видом затвору
- мембранні;
- тарілчасті;
- поршневі.
За характером підйому замикаючого органу
- клапани пропорційної дії (використовуються на нестискуваних середовищах);
- клапани двопозиційної дії.
За кількістю сідел (тарілок)
- одинарні;
- подвійні.
За видом корпуса
- прямоточні;
- прохідні;
- кутові.
За видом навантаження на золотник
- вантажні або важільно-вантажні;
- пружинні;
- важільно-пружинні;
- магніто-пружинні.
За висотою підйому (пропускній здатності) замикаючого органу
- малопідйомні;
- средньопідйомні;
- повнопідйомні.
Малопідйомними називаються запобіжні клапани, у яких висота підйому замикаючого елементу (золотника, тарілки) не перевищує 1/20 діаметра сідла; повнопідйомні — клапани, у яких висота підйому становить 1/4 діаметра сідла і більше. Існують також клапани з висотою підйому тарілки від 1/20 до 1/4, їх зазвичай називають середньопідйомними. У малопідйомних і середньопідйомних клапанах підйом золотника над сідлом залежить від тиску середовища, тому умовно їх називають клапанами пропорційної дії, хоча підйом не пропорційний тиску робочого середовища. Такі клапани використовуються, як правило, для рідин, коли не потрібна велика пропускна здатність. У повнопідйомних клапанах відкриття відбувається відразу на повний хід тарілки, тому їх називають клапанами двопозиційної дії. Такі клапани високопродуктивні і застосовуються як на рідких, так і на газоподібних середовищах.
Два основних типи захисту, що зустрічаються в промисловості це — термічний захист та захист потоку.
Для водокільцевого обладнання застосовують теплові запобіжні клапани, які, як правило, характеризується відносно невеликим розміром, що забезпечує захист від надлишкового тиску, викликаного тепловим розширенням. У цьому випадку невеликі клапани доцільніші тому, що більшість рідин практично нестисливі і відносно невелика кількість рідини, що виводиться через запобіжний клапан буде спричиняти істотне зниження тиску.
Захист потоку характеризується запобіжними клапанами значно більших розмірів, ніж клапани теплового захисту. Вони, як правило, розраховані на використання в ситуаціях, коли значна кількість газу або великих об'ємів рідини повинні бути швидко випущені з метою захисту цілісності обладнання або трубопроводу. Цей захист може альтернативно бути досягнутий шляхом встановлення системи захисту цілісності високого тиску.
Відмінності в конструкціях
_(Heat_Engines%252C_1913).jpg.webp)
Запобіжні клапани, як правило, мають кутовий корпус, але можуть мати й прохідний. Незалежно від цього клапани встановлюються вертикально так, щоб при закриванні шток опускався вниз.
Більшість запобіжних клапанів виготовляються з одним сідлом у корпусі, але зустрічаються конструкції і з двома сідлами, встановленими паралельно.
Найбільші відмінності в конструкціях запобіжних клапанів полягають у видах навантаження на золотник.
Пружинні клапани

У них тиску середовища на золотник протидіє сила стиснення пружини. Один і той самий пружинний клапан може бути використаний для різних меж налаштування тиску спрацьовування шляхом комплектації різними пружинами. Багато клапанів виготовляються із спеціальним механізмом (важелем, грибком і т.ін.) ручного підриву для контрольної продувки клапана. Це робиться з метою перевірки працездатності клапана, оскільки під час експлуатації можуть виникнути різні проблеми, наприклад прикипання, примерзання, прилипання золотника до сідла. Однак у деяких виробництвах в умовах агресивних і токсичних середовищ, високих температур і тисків, контрольне продування може бути дуже небезпечним, тому для таких клапанів можливість ручного продування не передбачається і навіть забороняється.
Найчастіше пружини при спрацьовуванні піддаються впливу робочого середовища, яке скидається з трубопроводу або ємності. Для захисту від слабкоагресивних середовищ для пружин застосовують спеціальні покриття. Ущільнення по штоку в таких клапанах відсутнє. У випадках роботи з агресивними середовищами в хімічних і деяких інших установках пружину ізолюють від робочого середовища за допомогою ущільнення по штоку сальниковим пристроєм, сильфоном або еластичною мембраною. Сильфонні ущільнення застосовуються також у тих випадках, коли витік середовища в атмосферу не допускається, наприклад на АЕС.
Важільно-вантажні клапани
.jpg.webp)
У таких клапанах зусиллю від тиску робочого середовища на золотник протидіє сила ваги вантажу, що передається через важіль на шток клапана. Налаштування таких клапанів на тиск відкриття проводиться фіксацією вантажу певної маси на плечі важеля. Важелі також використовують для ручного продування клапана. Такі пристрої заборонено використовувати на пересувних апаратах.
Для герметизації сідел великих діаметрів потрібні значні маси вантажів на довгих важелях, що може викликати сильну вібрацію пристрою. В цих випадках застосовуються корпуси, всередині яких перетин скидання середовища утворено двома паралельно розташованими сідлами, які перекриваються двома золотниками за допомогою двох важелів з вантажами. Таким чином, в одному корпусі монтуються два паралельно працюючих затвори, що дозволяє зменшити масу вантажу і довжину важеля, забезпечуючи нормальну роботу клапана.
Магніто-пружинні клапани
У цих пристроях використовується електромагнітний привід, тобто вони не є арматурою прямої дії. Електромагніти можуть забезпечувати додаткове притискання золотника до сідла; в цьому випадку при досягненні тиску спрацьовування по сигналу від датчиків електромагніт відключається і тиску середовища протидіє лише пружина, клапан починає працювати як звичайний пружинний. Також електромагніт може створювати зусилля відкриття, тобто протидіяти пружині і примусово відкривати клапан. Існують клапани, в яких електромагнітний привід здійснює і додаткове притискання, і зусилля відкриття. В цьому випадку пружина служить для підстраховки на випадок припинення електроживлення. При знеструмленні такі пристрої починають працювати як пружинні клапани прямої дії.
Магніто-пружинні клапани найчастіше застосовуються в складних імпульсних запобіжних пристроях як керуючі або імпульсні елементи.
Технічні вимоги до запобіжних клапанів
Головною і найвідповідальнішою вимогою, яка ставиться до запобіжних клапанів, є висока надійність, що включає в себе:
- безвідмовне і своєчасне відкриття клапана при заданому перевищенні робочого тиску в системі;
- забезпечення клапаном необхідної пропускної здатності у відкритому положенні;
- здійснення своєчасної зворотної посадки (закриття) з необхідним ступенем герметичності при заданій величині падіння тиску в системі після аварійного спрацьовування і збереження встановленого рівня герметичності при подальшому зростанні тиску до величини робочого;
- забезпечення стабільності роботи, тобто збереження протягом усього терміну експлуатації і заданого числа циклів спрацьовування параметрів налаштування, і необхідного рівня герметичності запірного органу при робочому тиску.
Запобіжні клапани підлягають періодичній перевірці в спеціалізованій організації або випробуванню в дії. Всі клапани повинні бути випробувані на міцність, щільність, а також герметичність сальникових з'єднань і ущільнювальних поверхонь.
Розрахунок
Задачею розрахунку запобіжних клапанів є визначення їх пропускної здатності, типу і кількості клапанів, підбір пружини до них, а також визначення динамічних зусиль, що виникають при спрацьовуванні. Необхідними даними для розрахунку запобіжних клапанів є:
- місце встановлення клапана;
- необхідна пропускна здатність;
- надлишковий тиск в посудині чи трубопроводі;
- розрахунковий тиск;
- температура середовища перед клапаном;
- максимальний надлишковий тиск за клапаном;
- фазовий стан і склад робочого середовища.
Розрахунок пропускної здатності клапанів обчислюється з наступних умов
- 1. Для запобіжних клапанів, встановлених на технологічних ємностях, сепараторах, дегазаторах, абсорберах і т. ін. — з умови подачі в ємність середовища при закритих виходах з нього приймається по максимальній заданій продуктивності.
- 2. Для запобіжних клапанів, встановлених на ректифікаційних колонах — з умови скидання клапаном всіх парів, що поступають чи утворилися в посудині при закритті виходу зверху колони, а саме:
- де — теплове навантаження кип'ятильника в нормальному режимі роботи при (приймається по проекту);
- — кількість теплоти, що поступає з живленням в аварійному режимі при ;
- (у випадку наявності на подачі живлення підігрівача з регулюванням температури живлення на виході чи відсутності підігрівача на подачі живлення) або (у випадку наявності на подачі живлення підігрівача без регулювання температури живлення на виході або використання як підігрівача трубчатої печі);
- — витрата живлення колони в аварійному режимі при ;
- — частка пари в живленні (доля відгону);
- — тепловміст рідкого живлення при нормальному режимі і тиску ;
- — тепловміст парів живлення в аварійному режимі при ;
- — тепловміст живлення на вході в підігрівач живлення в нормальному режимі при тиску (приймається в проекті);
- — теплове навантаження підігрівача живлення в нормальному режимі при тиску (приймається в проекті);
- — сумарне теплове навантаження проміжних циркуляційних зрошень в нормальному режимі;
- — теплове навантаження одного з циркуляційних зрошень, що має найбільш величину в нормальному режимі при тиску (приймається по проекту);
- — сума витрат проміжних відборів в нормальному режимі при тиску (приймається по проекту);
- — тепловміст рідини проміжного відбору в аварійному режимі при ;
- — витрата дистиляту в аварійному режимі при ; ;
- — витрата дистиляту в нормальному режимі при тиску (приймається по проекту);
- — витрата живлення колони в нормальному режимі при тиску (приймається по проекту);
- — тепловміст рідкого продукту колони в аварійному режимі при ;
- — витрата кубової рідини в аварійному режимі при ; ;
- — тепловміст рідкого кубового залишку в аварійному режимі при ;
- — тепловміст пари вверху колони в аварійному режимі при ;
- — витрата водяної пари (інертного газу), що подається в колону на відпарку (враховується лише у випадку, якщо тиск пари більший за .
- При визначенні тепловмістів потоків в режиму скидання через запобіжний клапан (в аварійному режимі) фракційний склад всіх продуктів слід враховувати при нормальному режимі (по проекту).
- 3. Для запобіжних клапанів, що встановлюються на трубопроводах з рідинами чи посудинах, повністю заповнених рідиною і розрахованих по тиску джерела живлення — з умови скидання клапаном додаткової кількості рідини, що утворилась в результаті теплового розширення внаслідок сонячної радіації, а саме:
- де — початковий об'єм рідини в посудині (трубопроводі) за температури ;
- — робоча температура рідини в посудині (трубопроводі);
- — максимальна температура рідини в посудині (трубопроводі); при розрахунках приймається ;
- — густина рідини при ;
- — коефіцієнт об'ємного розширення рідини.
- Примітка: клапани, вказані в пунктах 1-3 повинні бути перевірені на умови пожежі, вказані в пунктах 6 і 7.
- 4. Для запобіжних клапанів, що встановлюються на трубопроводах на стороні меншого тиску після регуляторів тиску — з умови повного відкриття регулюючого клапана та відсутності витрати після нього (приймається з максимально заданої продуктивності); на газорозподільних станціях — з умови 0,01 максимальної продуктивності регулюючого клапана.
- 5. Для запобіжних клапанів, що встановлюються на нагнітальних трубопроводах після насоса чи компресора — з умови повної продуктивності насоса чи компресора при відсутності витрати після нього.
- 6. Для запобіжних клапанів, що встановлюються на трубопроводі, що обігрівається з вогненебезпечними рідинами або зрідженими газами між арматурою, що відключає — з умови скидання клапаном всієї кількості пари (газу), що утворюються при кипінні рідини, що розраховується за формулою:
- де — поверхня ділянки трубопроводу між відсікаючими засувами, що обігрівається;
- — коефіцієнт теплопередачі при нагріванні паровим чи водяним супутником; ;
- — скрита теплота пароутворення рідини при тиску скидання ;
- — температура супутника;
- — температура кипіння рідини при тиску скидання .
- 7. Для запобіжних клапанів, що встановлюються на складських ємностях для зріджених газів і пожежо-, вибухонебезпечних рідин і для холодильного обладнання, — з умови пожежі поблизу апарату. Підвищення тиску в апараті понад розрахункового при пожежі поблизу апарату відбувається за рахунок випаровування рідини або теплового розширення газу.
- Розрахунок запобіжних клапанів «на пожежу» проводиться за умови повного відключення апарату та припинення подачі в нього передбаченого технологічним процесом продукту.
- Підземні ємності та теплообмінні апарати на пожежу не розраховуються.
- Для судин, повністю заповнених рідкою фазою або містять рідку і парову фазу, кількість викидів через запобіжний клапан визначається за формулою:
- — змочена поверхня апарату (визначається при максимальному рівні заповнення);
- — температура газоповітряної суміші, що омиває при пожежі зовнішню поверхню апарату. При розрахунках приймається ;
- — температура кипіння рідини при тиску повного відкриття запобіжного клапана;
- — скрита теплота пароутворення рідини при температурі ;
- — загальний коефіцієнт теплопередачі від навколишнього повітря через стінку апарату до рідини; приймають для ізольованих клапанів , для неізольованих .
- Для ректифікаційних колон змочена поверхня визначається при максимальному рівні рідини в кубі і рідини на тарілках.
- Для судин, що містять газову (парову) фазу, пропускна здатність запобіжного клапана визначається за формулою:
- де — повна зовнішня поверхня апарату;
- — температура газів (парів) в апараті при нормальному режимі;
- — теплоємність газу (пари) при тиску ;
- — загальний коефіцієнт теплопередачі від навколишнього повітря через стінку апарату до газу (пари); для ізольованих клапанів , для неізольованих .
Площа прохідного перерізу запобіжного клапана
В залежності від робочого середовища, площу перерізу запобіжного клапана розраховують: для газу:
і для рідини: ,
де — максимальний надлишковий тиск перед запобіжним клапаном, що рівний тиску повного відкриття клапана;
— максимальний надлишковий тиск за запобіжним клапаном;
— густина реального газу перед клапаном при параметрах і ;
— температура середовища перед клапаном при тиску ;
— коефіцієнт витрати, що залежить від площі газоподібних середовищ;
— коефіцієнт витрати, що залежить від площі рідких середовищ.
Коефіцієнт витрати запобіжних клапанів для газоподібних середовищ або рідких середовищ приймається відповідно до технічних умов на клапани.
— густина рідини перед клапаном при параметрах і ;
— коефіцієнт, що враховує фізико-хімічні властивості газів при робочих параметрах, обчислюється за формулами:
де — показник адіабати;
— відношення абсолютних тисків до і після клапана:
— критичне відношення тисків, що обчислюється за формулою:
Для апаратів при запасі від переповнення рідини менше 5 хв. площа прохідного перерізу визначається за сумою перерізів для скидання окремо газів і рідини.
Для апаратів при запасі від переповнення рідини більше 5 хв. площа прохідного перерізу визначається по перетину скидання газу.
Схеми і застосування
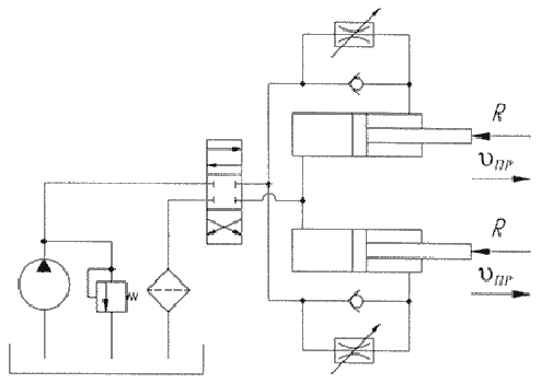
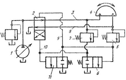
Гідросхема приводу повороту стріли

Гідросистема, що забезпечує поворотно-коливальні рухи

Система захисту теплових пунктів

Гідравлічна насосна станція ГНС10-0.8

Гідросистеми насосних установок гідроприводу: однонасосної з переливним клапаном (а), двонасосної з двома переливними клапанами (б), насосно-акумуляторної (в) та з авторегульованим насосом (г)

Правила і стандарти
У зв'язку з значним поширенням запобіжних клапанів стандарти і правила, які застосовуються до них, знаходяться у всіх документах, які регулюють використання всього обладнання, що захищається клапанами. Наприклад, «Правила будови і безпечної експлуатації посудин, що працюють під тиском (ПБ 03-576-03)» в Росії чи «Boiler Pressure Vessel Code» у США. Також існують державні документи, присвячені виключно запобіжним клапанам у застосуванні до якого-небудь обладнання, наприклад «Клапани запобіжні парових та водогрійних котлів. Технічні вимоги (ГОСТ 24570-81)»
У зв'язку з особливою відповідальністю запобіжних клапанів у підтримці безпеки систем, які ними обслуговуються, нагляд за їх використанням і затвердження правил і стандартів виробляють організації, спеціально уповноважені державою.
США
- АТІМ (Американське товариство інженерів-механіків — American Society of Mechanical Engineers): Boiler Pressure Vessel Code, секція I;
- АТІМ (Американське товариство інженерів-механіків — American Society of Mechanical Engineers): Boiler Pressure Vessel Code, секція VIII, розділ I;
- АІБ (Американський інститут бензину — American Petroleum Institute): Recommended Practice 520 and API Standard 526, API Standard 2000 (low pressure — Storage tank).
Європейський союз
- ISO 4126 (приведені у відповідність з директивами Європейського союзу) [4];
- EN 764-7 (колишній стандарт CEN, приведені у відповідність з директивами Європейського союзу, замінений EN ISO 4126-1);
- AD Merkblatt (Німеччина);
- PED 97/23/EC (Pressure Equipment Directive — Європейський Союз).
Японія
- JIS: Japanese Industrial Standards.
Південна Корея
- KOSHA.
Література
- Д. Ф. Гуревич Трубопроводная арматура. Справочное пособие. — Москва: ЛКИ, 2008. — С. 368. — ISBN 978-5-382-00409-9.
- Под общей редакцией С. И. Косых Трубопроводная арматура с автоматическим управлением. Справочник. — Ленинград: Машиностроение, 1982.
- Арматура трубопроводная. Термины и определения. ГОСТ Р 52720-2007. Федеральное агентство по техническому регулированию и метрологии. Проверено 10 июня 2010.
- А. И. Гошко Арматура промышленная общего и специального назначения. Справочник. — Москва: Мелго, 2007.
- Р. Ф. Усватов—Усыскин Поговорим об арматуре. — Москва: Vitex, 2005.
- Правила устройства и безопасной эксплуатации оборудования и трубопроводов атомных энергетических установок (ПНАЭ Г-7-008-89).
- Технологические системы реакторного отделения. БАЭС: ЦПП, 2000.
- Правила устройства и безопасной эксплуатации сосудов, работающих под давлением (ПБ 03-576-03).
- Мала гірнича енциклопедія : у 3 т. / за ред. В. С. Білецького. — Д. : Донбас, 2004. — Т. 1 : А — К. — 640 с. — ISBN 966-7804-14-3..
- List of countries accepting the ASME Boiler & Pressure Vessel Code.
- API 5210-1, Sizing and Selection of Pressure-Relieving Devices.
- EN ISO 4126-1 Safety devices for protection against excessive pressure — Part 1: Safety valves (ISO 4126-1:2004).
- Elaine Porterfield, Paul Shukovsky, and Lewis Kamb (Saturday, July 28, 2001). Four hurt as water heater explodes.