Мультиплексор
Мультипле́ксори відносяться до пристроїв комутування цифрової інформації. Вони здійснюють комутацію одного з декількох інформаційних входів xi до одного виходу y. Мультиплексори мають декілька інформаційних входів, адресні входи, вхід дозволу мультиплексування (стробуючий вхід) та один вихід.


Кожному з інформаційних входів мультиплексора відповідає номер, який називається адресою, двійкове число якого подається до адресних входів.
Число інформаційних входів nінф і число адресних входів nадр зв'язані співвідношенням: nінф=2nадр.
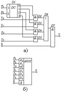
Адресний дешифратор D1, перетворює двійковий код у десятковий для керування роботою мультиплексора. Залежно від комбінації стану адресних входів а1 та а2 на одному з чотирьох виходів дешифратора з'являється одиничний потенціал, який дає дозвіл на спрацьовування відповідної схеми І (D2…D5). Наприклад, при адресному числі 01, коли а1= 1 та а2= 0, на виході 1 дешифратора D1 установлюється рівень логічної одиниці, а на всіх останніх — нульовий. Тому логічний елемент D3 має дозвіл на спрацьовування.
Якщо при цьому на інформаційному вході x1 діє логічна одиниця, то на виході D3 установлюється 1, а при x1=0 на виході логічного елемента D3 буде теж нульовий потенціал. При цьому, незалежно від стану інформаційних входів x0, x2, x3, на виході логічного елемента АБО D6 інформація повторює стан x1. Якщо активізований вхід дозволу E=1, то на виході мультиплексора y з'являється 1 або 0 залежно від значення x1.
Функціонування мультиплексора описується таблицею істинності
| Адресні входи | Керуючий вхід E | Вихід y | |
|---|---|---|---|
| а1 | а2 | ||
| X
0 1 0 1 | X
0 0 1 1 | 0
1 1 1 1 | 0
x0 x1 x2 x3 |
При нульовому керуючому сигналі E=0 зв'язок між інформаційними входами xi та виходом y відсутній. Тому незалежно (позначка «X») від стану адресних входів а1 та а2 вихід y нульовий. При E=1 на вихід передається логічний рівень того з інформаційних входів xi номер якого i заданий на адресних входах.
Логічний вигляд мультиплексора 4-1 має вигляд
Мультиплексори мають різне число входів, починаючи з 2. Деякі мультиплексори мають комплементарний вихід (прямий y та інверсний ).
При комутації багаторозрядних слів використовують декілька мультиплексорів, виходи яких з'єднуються за схемою АБО. Для цієї мети випускаються декілька однотипних мультиплексорів в одному корпусі.
Джерела
Воробйова О. М., Іванченко В. Д. Основи схемотехніки: У двох частинах: Навчальний посібник. — Одеса: ОНАЗ ім. О. С. Попова. — 2004, Ч. 2. — 172с.: іл.