Мікросхеми серії 4000
4000 серія інтегральних мікросхем - промисловий стандарт інтегральних схем, що реалізують різні логічні функції, використовуючи КМОН технологію. Вона була представлена корпорацією RCA як CD4000 COS/MOS в 1968 як малоспоживаюча і більш гнучка альтернатива 7400 серії з ТТЛ логікою.

Спочатку 4000 серія була повільніше популярних 7400 ТТЛ мікросхем, але мала перевагу в набагато меншому енергоспоживанні, здатністю працювати з багато більшим діапазоном живлячої напруги (від 3В до 15В), а також в більш простих схемах завдяки більшій здатності навантаження. Але її менша швидкість (спочатку була можливість роботи на 1 МГц, у порівнянні з 10 МГц у ТТЛ) обмежувала область застосування статичними і низькошвидкісними пристроями. Пізніше нові технології виробництва вирішили проблеми швидкодії, зберігши при цьому зворотну сумісність з більшістю пристроїв. Всі напівпровідники можуть бути пошкоджені статичним розрядом, але через високий опір входів КМОН пристрої більш уразливі, ніж біполярні ТТЛ. З часом переваги КМОН (особливо в пізніх серіях, наприклад, 74HC) витіснили старі ТТЛ мікросхеми. Мікросхеми серії 4000 досі широко доступні, але їх значимість вже не так велика, як раніше.
Серія була розширена в кінці 1970х і 1980х роках, включивши в себе нові або більш інтегровані функції, або представивши поліпшені версії існуючих чипів серії. Велика частина з них отримала позначення 45xx або 45xxx, але при цьому вони сприймались інженерами як частина 4000 серії.
У 1990х роках деякі виробники (наприклад, Texas Instruments) перенесли 4000 серію на нову HCMOS технологію, з подібних мікросхем можна розглянути 74HCT4060, яка надає функціонал 4060 ІМС, але має більшу швидкість.
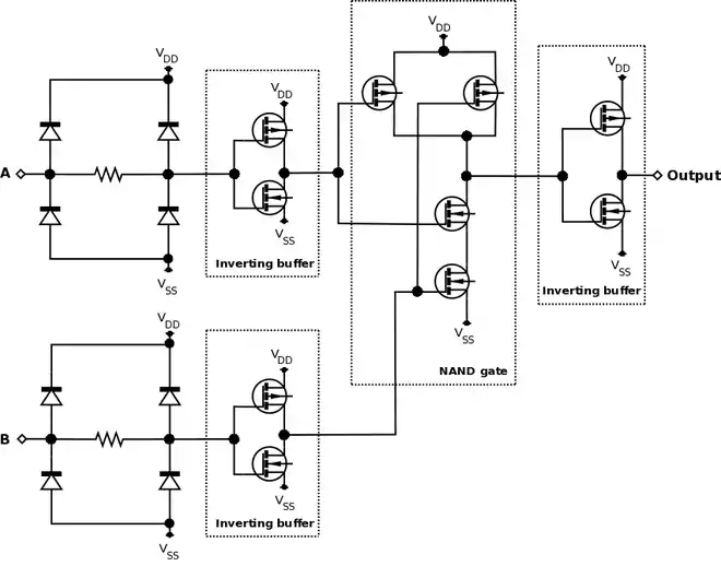
Буферизація
Оригінальна 4000 серія була представлена у двох версіях: серія A була небуферизована, тоді як B мала буферизовані входи і виходи (у вигляді додаткових простих логічних вентилів). Буферизовані виходи можуть віддавати більший струм, ніж варіант без буфера, що в деяких випадках дозволяє не використовувати дискретні транзисторні ключі. Версії з буфером також мають більшу швидкість перемикання, тому що наростання сигналу відбувається швидше, проте загальна затримка на проходження сигналу більше через додаткові елементи. Буферизовані версії менш чутливі до електростатичного розряду. Розробник повинен зважувати плюси і мінуси обох версій відповідно до особливостей схеми, використовуваної в пристрої.


Див. також
- Список мікросхем серії 4000