Паливний насос високого тиску
Паливний насос високого тиску — це основний і найскладніший пристрій системи живлення дизельного двигуна, який призначений для точного дозування палива і подачі його в певний момент під високим тиском до форсунок. Найбільше поширення на автомобільних дизелях отримали багатосекційні насоси з постійним ходом плунжера і регулюванням закінчення подачі палива.
Типи насосів високого тиску
За розташуванням секцій насоси діляться на рядні і V-подібні. Кожна секція паливного насоса забезпечує роботу одного з циліндрів дизеля, тому число секцій паливного насоса визначається числом його циліндрів. Паливний насос дизеля ЯМЗ-236 — рядний шести-секційний, дизелів ЯМЗ-238 — рядний восьмисекційний, дизеля КамАЗ-740 — V-подібний восьмисекційний. Конструктивно паливні секції рядних насосів дизелів ЯМЗ-236, ЯМЗ-238 істотних відмінностей не мають.
Принцип роботи
Рядний багатосекційний ПНВТ

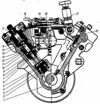
Типовим прикладом конструкції рядного паливного насоса високого тиску є насос дизеля ЯМЗ-236 (рис. 8.10), що складається з шести однакових секцій. У нижній частині корпусу 7 насоса на двох радіально-упорних кулькових підшипниках, ущільнених самопідтискними сальниками, встановлений кулачковий вал 1 з шестірнею приводу регулятора. На кулачковому валу є профільовані кулачки для кожної насосної секції та ексцентрик для приведення в рух паливопідкачувального насоса, який кріпиться до привалкової площини насоса високого тиску. У перегородці корпусу проти кожного кулачка встановлені роликові штовхачі 20. Осі роликів 21 своїми кінцями входять у пази корпусу насоса, запобігаючи прокручуванню штовхачів.
Насосні секції встановлені у верхній частині корпусу і кріпляться гвинтами 6. Основною частиною кожної насосної секції є плунжерна пара, що складається з плунжера 14 і гільзи 13. Плунжерну пару виготовляють з хромо-молібденової сталі і піддають гарту до високої твердості. Після остаточної обробки підбором проводять складання плунжерів і гільз так, щоб забезпечити в з'єднанні зазор, рівний 0,0015-0,0020 мм. Цим досягається максимальна щільність сполучення взаємодіючих деталей, що забезпечують необхідний тиск впорскування палива. Паливо до плунжерних пар підводиться каналом 12, а відводиться каналом 8, у передньому кінці якого під ковпаком встановлений перепускний клапан. Якщо тиск у каналах перевищує 0,16-0,17 МПа, клапан відкривається і перепускає частину палива в бак. Повітря, що потрапило в канали насоса, випускається через отвір, який закривається випускною пробкою. На торець гільзи 13 притертою поверхнею торця спирається сідло нагнітального клапана 11. Сідло притиснуте до гільзи плунжера штуцером через ущільнювальну прокладку. Нагнітальний клапан 11 складається з головки із замковою конічною фаскою, розвантажувального поясочка і хвостовика з прорізами для проходу палива. Зверху на клапан встановлена пружина 10, яка притискує його до сідла. Верхній кінець пружини впирається у виступ упора.
При обертанні кулачкового вала 1 насоса виступ кулачка набігає на роликовий штовхач 20, який через болт тисне на плунжер і переміщує його вгору. Коли виступ кулачка виходить з-під ролика штовхача, пружина 17, що упирається в тарілки 2 і 4, повертає плунжер у вихідне положення. При переміщенні рейки 3 вздовж її осі втулка 16 повертається на гільзі і, діючи на виступи 17 плунжера, повертає його, внаслідок чого змінюється кількість палива, що подається до форсунок. Хід рейки обмежується стопорним гвинтом 2, що входить в її подовжній паз. Задній кінець рейки сполучений з тягою 10 регулятора частоти обертання колінчастого вала, встановленого в корпусі 9. Виступаючий з насоса передній кінець рейки закритий запломбованим ковпачком, в який вкручений гвинт 2 обмеження потужності двигуна при обкатуванні автомобіля. Для випередження впорскування палива в циліндри дизеля залежно від частоти обертання його колінчастого вала в передній частині насоса встановлена відцентрова муфта.
V-подібні ПНВТ

Також на дизелях встановлюють V-подібні насоси високого тиску. Вони розміщуються в розвалі блока циліндрів і приводяться в дію від шестерень газорозподілу через шестірню приводу. У корпусі 1 насоса встановлений механізм 20 повороту плунжерів, сполучений з правою і лівою рейками, які взаємодіють з плунжерами нагнітальних секцій, розташованих у два ряди. У кожному ряді розміщено по чотири нагнітальні секції, тиск впорскування яких порівняно з тиском впорскування дизелів ЯМЗ-236, ЯМЗ-238 збільшений і становить 18+0'5 МПа. Секції насоса розташовані під кутом 75°, що підвищує міцність кулачкового вала за рахунок зменшення його довжини, дозволяє збільшити тиск впорскування і підвищити працездатність плунжерних пар.
Кожна секція насоса складається з корпусу 15, гільзи 14 з плунжером 9, поворотної втулки 6, нагнітального клапана 17, притиснутого штуцером до гільзи плунжера через ущільнювальну прокладку 16. Положення гільзи 14 відносно корпусу 15 фіксується штифтом 12. У нижній частині гільза і корпус ущільнюються прокладками 10 і 11. Так само як і у дизелів ЯМЗ, паливні секції насоса плунжерного типу з постійним ходом плунжера. Плунжер приводиться в рух від кулачкового вала насоса, через ролик 2 штовхача, вісь якого кріпиться в сухарі 3. Пружина 7 штовхана у верхній частині упирається в шайбу 8, а через тарілку 5 постійно притискує ролик 2 до кулачка. Штовхач від повороту фіксується сухарем 3, виступ якого входить у паз корпусу насоса.
Початок подачі палива регулюється установкою п'яти 4 певної товщини. При установці п'яти більшої товщини паливо подаватиметься раніше, меншої товщини — пізніше. Щоб змінити кількість палива, що подається до форсунок, плунжер 9 повертається відносно гільзи 14 за допомогою рейки 13 насоса, яка з'єднана з поворотною втулкою 6. Керування подачею палива здійснюється з кабіни водія педаллю, що з'єднана за допомогою тяг і важеля 18 з всережимним регулятором 19 частоти обертання колінчастого вала, що розташований у розвалі паличкового насоса. На кришці регулятора 19 закріплений паливопідкачувальний насос 22 низького тиску і насос 21 ручної підкачки палива.
Робота насоса високого тиску плунжерного типу

Робота насоса високого тиску плунжерного типу, встановленого на дизелях ЯМЗ-236, ЯМЗ-238, КамАЗ-740, складається з наповнення надплунжерного простору паливом з частковим його перепуском, подачі палива під високим тиском до форсунок, відсічення і перепуску його в зливний паливопровід. При роботі двигуна рейка паливного насоса переміщується відповідно до зміни подачі палива, при цьому одночасно повертаються плунжери всіх секцій.
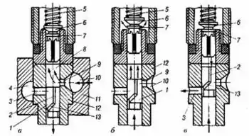
Оскільки всі секції працюють однаково, розглянемо роботу насоса на прикладі однієї з секцій дизеля ЯМЗ-236. При русі плунжера 1 вниз відкривається впускний отвір 9 і паливо з підвідного каналу 10 корпусу 11 насоса заповнює надплунжерний простір 8. Потім під дією кулачка плунжер починає підійматися вгору (рис. 4, б), перепускаючи паливо назад у підвідний канал 10 до тих пір, поки верхня кромка плунжера 1 не перекриє впускний отвір 9 гільзи. Після перекриття отвору тиск палива різко зростає і при 1,2-1,8 МПа паливо, долаючи зусилля пружини 5, піднімає нагнітальний клапан 6 і надходить у паливопровід високого тиску.
Подальше переміщення плунжера вгору викликає підвищення тиску до 16,5+0'5 МПа, перевищуючи тиск, створюваний пружиною форсунки, внаслідок чого голка форсунки підіймається і відбувається впорскування палива в камеру згоряння. Подача палива продовжується до тих пір, поки гвинтова кромка 13 (рис. 4, в) плунжера не відкриє випускний отвір 3 в гільзі, внаслідок чого тиск над плунжером різко падає, нагнітальний клапан 6 під дією пружини закривається і надплунжерний простір відокремлюється від паливопроводу високого тиску. При подальшому русі плунжера вгору паливо перетікає в зливний канал 4 через подовжній паз 2 і гвинтову.
Нагнітальний клапан 6 розвантажує паливопровід високого тиску, оскільки він має циліндричний розвантажувальний поясок 7, який при посадці клапана на сідло забезпечує збільшення об'єму паливопроводу високого тиску приблизно на 70-80 мм3. Цим досягається різке припинення впорскування палива і усувається можливість його підтікання через розпилювач форсунки, що покращує процес сумішоутворення і згоряння робочої суміші, а також підвищує надійність роботи форсунки.
Переміщення плунжера у втулці з моменту закриття впускного отвору до моменту відкриття випускного отвору називається активним ходом плунжера, який в основному і визначає кількість палива, що подається, за цикл роботи паливної секції високого тиску.
Керування зміною кількості палива за один цикл

Зміна кількості палива, що подається секцією за один цикл, відбувається в результаті повороту плунжера 1 зубчастою рейкою. При різних кутах повороту плунжера завдяки гвинтовій кромці зміщуються моменти відкриття випускного отвору. При цьому чим пізніше відкривається випускний отвір, тим більша кількість палива може бути подана до форсунок. Положення А — максимальна подача палива і найактивніший хід плунжера 1. У цьому разі відстань h від гвинтової кромки 5 плунжера до випускного отвору 2 буде найбільшою; положення В — нульова подача палива. Плунжер повернений так, що його подовжній паз 3 розташований проти випускного отвору 2 (А = 0), внаслідок чого при переміщенні плунжера вгору паливо витісняється в зливний канал, подача палива припиняється і двигун зупиняється.
Момент початку подачі палива кожною секцією за кутом повороту колінчастого вала змінюють регулювальним болтом 18 з контргайкою, укрученим у штовхач. При викручуванні болта верхній торець плунжера раніше перекриває впускний отвір 4 гільзи і паливо раніше подається до форсунки, тобто кут початку подачі палива збільшується. При вкручуванні болта в штовхач цей кут зменшується і паливо до форсунки подається із запізненням.
Сучасні ПНВТ
Останніми роками завдяки використанню ПНВТ з електронним керуванням і оптимізації процесу згорання у циліндрах двигуна вдалося добитися стійкої роботи дизеля з неподіленою камерою на частотах обертання до 4500 об/хв, поліпшити на 15-20% його економічність, істотно понизивши шум і вібрацію. І тепер такі двигуни для легкових автомобілів широко застосовують фірми AUDI, Ford, Toyota і навіть Mercedes. В Україні найпоширеніші такі дизельні моделі автомобілів: Ford Transit (2,5 л), AUDI 1,9 TDI (1,9л) і Audi 100(2,5л).
Насоси типу VE

У розподільному насосі типу VE система нагнітання має лише один плунжер-розподільник, який здійснює поступальний хід для нагнітання палива і обертання для розподілу палива по форсунках. Поступально-обертальний рух плунжера забезпечується за рахунок його контакту з кулачкової шайби через ролики, при цьому плунжер виконує за один оберт диска стільки циклів нагнітання, скільки циліндрів в двигуні.
Насоси DPC
У розподільних насосах типу DPC систему нагнітання складає пара протилежних поршнів, що виконують поступальний хід один одному назустріч. Нагнітання палива відбувається в результаті дії на поршні роликових штовхачів, що набігають на кулачки підшипника ротора. Розподіл палива по форсунках виконується за рахунок роздільника, що обертається разом з поршнем і сполучає або роз'єднує в певних положеннях насос з форсунками.
Див.також
- CDI — Common-rail diesel injection
- TDI — Turbo diesel injection
- Unit Pump System (UPS/PLD) - система з насосними секціями
- Дизельний двигун