Перетворювач частоти
Перетворювач частоти — електронний пристрій для зміни частоти електричного струму (напруги). Він перетворює вхідну синусоїдну напругу фіксованої частоти та амплітуди у вихідну імпульсну напругу змінної частоти та амплітуди за допомогою ШІМ (широтно-імпульсної модуляції). Таким чином, плавно збільшуючи частоту і амплітуду напруги, що подається на статорні обмотки асинхронного електродвигуна, можна забезпечити плавне регулювання швидкості обертання валу електродвигуна.
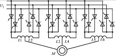
Пристрій і принцип дії
.jpg.webp)
Електронний перетворювач частоти складається з схем, до складу яких входить тиристор або транзистор, які працюють в режимі електронних ключів. В основі керуючої частини лежить мікропроцесор, який забезпечує керування силовими електронними ключами, а також вирішення великої кількості допоміжних завдань (контроль, діагностика, захист).
Схеми, створені за моделлю джерела напруги, мають такі характеристики:
- Вихідний імпеданс: маленький (джерело напруги)
- Регенерація енергії: потрібен додаткове коло
- Згладжувальний елемент: конденсатор
Схеми, створені за моделлю джерела струму, мають такі характеристки:
- Вихідний імпеданс: великий (джерело струму)
- Регенерація енергії: потрібне додаткове коло
- Згладжувальний елемент: реактор
Залежно від структури і принципу роботи електричного приводу виділяють два класи перетворювачів частоти:
- З безпосереднім зв'язком.
- З явно вираженою проміжною ланкою постійного струму.

Кожен з існуючих класів перетворювачів має свої переваги і недоліки, які визначають сферу раціонального застосування кожного з них. У перетворювачах з безпосереднім зв'язком електричний модуль — це керований випрямляч. Система керування по черзі відмикає групи тиристорів і підключає обмотки двигуна до мережі живлення.
Таким чином, вихідна напруга перетворювача формується з «вирізаних» ділянок синусоїд вхідної напруги. Частота вихідної напруги у таких перетворювачів не може бути дорівнює або вище частоти живильної мережі. Вона знаходиться в діапазоні від 0 до 30 Гц, і як наслідок — малий діапазон керування частотою обертання двигуна (не більше 1: 10). Це обмеження не дозволяє застосовувати такі перетворювачі в сучасних частотно-регульованих приводах з широким діапазоном регулювання технологічних параметрів.
Використання незамикних тиристорів вимагає відносно складних систем керування, які збільшують вартість перетворювача. «Різана» синусоїда на виході перетворювача з безпосереднім зв'язком є джерелом вищих гармонік, які викликають додаткові втрати в електричному двигуні, перегрівання електричної машини, зниження моменту, дуже сильні перешкоди в мережі живлення. Застосування пристроїв компенсації призводить до підвищення вартості, маси, габаритів, зниження ККД системи в цілому.

Однак одноразове перетворення енергії, що визначає високий ККД перетворювача та можливість проходження реактивної потужності як від мережі до навантаження, так і назад є безперечними перевагами такого класу перетворювачів.
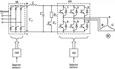
Найбільш широко застосовуються в сучасних частотно регульованих модулях перетворювачі з явно вираженою проміжною ланкою постійного струму. У перетворювачах цього класу використовується подвійне перетворення електричної енергії: вхідна синусоїдна напруга з постійною амплітудою і частотою випрямляється у випрямлячі, фільтрується фільтром, згладжується, а потім знову перетвориться інвертором в змінну напругу змінюваної частоти і амплітуди. Подвійне перетворення енергії призводить до зниження ККД і до деякого погіршення масо-габаритних показників порівняно з перетворювачами з безпосереднім зв'язком.

Для формування синусоїдної змінної напруги використовують автономний інвертор, який формує електричну напругу заданої форми на обмотках електродвигуна (як правило, методом широтно-імпульсної модуляції). Функцію електронних ключів в інверторах виконують замикні тиристори GTO і їх вдосконалені модифікації GCT, IGCT, SGCT, біполярні транзистори з ізольованим затвором IGBT, та польові МОН-транзистори. Головною перевагою тиристорних перетворювачів частоти, як і в схемі з безпосереднім зв'язком, є здатність працювати з великими струмами і напругами, витримуючи при цьому тривале навантаження й імпульсні впливи. Вони мають більш високий ККД (до 98 %) порівняно з перетворювачами на IGBT-транзисторах.
Перетворювачі частоти є нелінійним навантаженням, що створює струми вищих гармонік в мережі живлення, що призводить до погіршення якості електроенергії.
Призначення

Частотний асинхронний перетворювач частоти служить для перетворення мережевого трифазного або однофазного змінного струму частотою 50 (60) Гц в трифазний або однофазний струм, частотою від 1 Гц до 800 Гц. Промисловістю також випускаються частотні перетворювачі електроіндукціонного типу, що конструктивно є асинхронним двигуном з фазним ротором, який працює в режимі генератора-перетворювача, і перетворювачі електронного типу.
Частотні перетворювачі електронного типу часто застосовують для плавного регулювання швидкості асинхронного електродвигуна або синхронного двигуна за рахунок створення на виході перетворювача електричної напруги заданої частоти. У найпростіших випадках регулювання частоти і напруги відбувається відповідно до заданої характеристики V/f, в найбільш досконалих перетворювачах реалізовано так зване векторне керування.
Частотний перетворювач електронного типу — це пристрій, що складається з випрямляча (моста постійного струму), що перетворює змінний струм промислової частоти в постійний, і інвертора (перетворювача) (іноді з ШІМ), що перетворює постійний струм в змінний необхідних частоти і амплітуди. Вихідні тиристори (GTO) або транзистори (IGBT) забезпечують необхідний струм для живлення електродвигуна.
Для поліпшення форми вихідної напруги між перетворювачем і двигуном іноді ставлять дросель, а для зменшення електромагнітних перешкод — EMC-фільтр.
Основні можливості
Перетворювач частоти забезпечує плавний пуск і зупинку двигуна, а також дозволяє змінювати напрям обертання двигуна.
Перетворювач частоти відображає на цифровому дисплеї основні параметри системи: задану швидкість, вихідну частоту, струм і напругу двигуна, вихідну потужність, момент, стан дискретних входів, загальний час роботи перетворювача тощо.
Керування перетворювачем частоти можна здійснювати з вбудованої виносної цифрової панелі керування, або за допомогою зовнішніх сигналів. У другому випадку швидкість обертання задається аналоговим сигналом 0—10 В або 4—20 мА, а команди пуску, зупинки й зміни режимів обертання подаються дискретними сигналами. Можна відображати параметри системи у вигляді графіків на виносній графічній панелі керування.
Існує можливість керування перетворювачем частоти через послідовний інтерфейс (RS-232, RS-422 або RS-485) або від зовнішнього ПЛК з використанням спеціального протоколу (Profibus, Interbus, Device-net, Modbus тощо).
Частотно-регульований привод
Регульований асинхронний електропривод або частотно-регульований привод складається з асинхронного електродвигуна і перетворювача частоти, який виконує роль регулятора швидкості обертання асинхронного електродвигуна.
Застосування частотно-регульованого електроприводу забезпечує:
- зміну швидкості обертання в раніше нерегульованих технологічних процесах
- синхронне керування декількома електродвигунами від одного перетворювача частоти
- заміна приводів постійного струму, що дозволяє понизити витрати, пов'язані з експлуатацією
- створення замкнених систем асинхронного електроприводу з можливістю точної підтримки заданих технологічних параметрів
- можливість вимкнення механічних систем регулювання швидкості обертання (варіаторів, ремінних передач)
- підвищення надійності і довговічності роботи устаткування
- велику точність регулювання швидкості руху, оптимальні параметри якості регулювання швидкості у складі механізмів, що працюють з постійним моментом навантаження (конвеєри, завантажувальні кулісні механізми і тому подібне).
Економічний ефект
Економічний ефект від впровадження асинхронного електроприводу складається, зокрема, з чинників:
- економія електроенергії в насосах, вентиляторах і компресорних агрегатах до 50 % за рахунок регулювання продуктивності шляхом зміни частоти обертання електродвигуна на відміну від регулювання продуктивності іншими способами (дроселювання, увімкнення-вимкнення, напрямний апарат)
Посилання
Див. також
- Енергозбереження засобами електроприводу
- Регулювання швидкості
- Частотно-регульований привод