Перліт (металургія)
Перлі́т у металургії (нім. Perlit від нім. Perlmutter — перламутр[1]) — один із структурних складників залізовуглецевих сплавів — сталей і чавунів: являє собою евтектоїдну суміш двох фаз — фериту і цементиту (у легованих сталях — карбідів).

Евтектоїд: 0,77%C (перліт), температура перлітного перетворення: 727 °C
Перліт — продукт евтектоїдного розпаду аустеніту при порівняно повільному охолодженні залізовуглецевих сплавів нижче за 727 °C. При цьому γ-залізо переходить в α-залізо, розчинність вуглецю в якому становить від 0,006 до 0,025%; надлишковий вуглець виділяється у формі цементиту та інших карбідів.
Середній вміст вуглецю в перліті становить 0,8%, а сталь з повністю перлітною структурою, що містить 0,8% вуглецю, називається евтектоїдною. Якщо вміст вуглецю в сталі не дорівнює 0,8%, то з аустеніту при охолодженні виділяється не тільки перліт, а й інші фази. Якщо вуглецю менше 0,8%, виділяється надмірна кількість фериту і сталь набуває ферито-перлітної структури, а при вмісті вуглецю понад 0,8% у сталі утворюється перліто-цементитна структура.
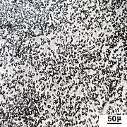
Структура перліту
![]() Пластинчастий перліт в евтектоїдній сталі після відпалу, РЕМ |
![]() Зернистий перліт в евтектоїдній сталі після сфероїдизувального відпалу, ПЕМ |
Залежно від форми розрізняють перліт пластинчастий (основний вид перліту; обидві фази мають форму пластинок) і зернистий (округлі зернятка, або глобули, цементиту розташовуються на тлі зерен фериту). Зі збільшенням переохолодження зростає кількість колоній пластинчастого перліту, тобто ділянок з майже однаковою орієнтацією пластинок фериту і цементиту (чи інших карбідів), а самі пластинки стають тоншими. Механічні властивості перліту залежать в першу чергу від міжпластинкової відстані (сумарної товщини пластинок обох фаз): чим вона менша, тим вищі значення твердості, границі міцності, границі текучості й нижча критична температура холодноламкості.
Зернистий перліт, який має меншу твердість за пластинчастий і тому легше обробляється різанням, отримують внаслідок сфероїдизувального відпалу.
Дисперсні різновиди перліту
Дисперсні різновиди перліту часто називають сорбітом і трооститом. Перліт, сорбіт і троостит — це структури однакової природи (ферит + цементит), продукти розпаду аустеніту і різняться між собою ступенем дисперсності фериту і цементиту.
Властивості перліту
Границя міцності пластинчастого перліту сягає 800 МПа, відносне видовження — 10-12%. Міцність і твердість зернистого перліту дещо менша, зате він має кращі пластичні властивості, легше обробляється різанням. Твердість пластинчастого перліту становить 180…230 HB, твердість зернистого перліту — 160…190 HB.
Примітки
- Назва перліту походить від перламутрового блиску його поверхні після металографічного травлення
Джерела
- Хільчевський В. В. Матеріалознавство і технологія конструкційних матеріалів: Навчальний посібник. К.: Либідь, 2002. — 328с. ISBN 966-06-0247-2
- Дяченко С. С., Дощечкіна І. В., Мовлян А. О., Плешаков Е. І. Матеріалознавство: Підручник. — Харків: Видавництво ХНАДУ, 2007. — 440 с.
Посилання
- Стисла інформація про перліт (англ.)

