Помножувач напруги
Помножувач напруги (або каскадний генератор) — пристрій, що перетворює низьку змінну (пульсуючу) напругу у високу постійну. У кожному окремому каскаді змінна напруга випрямляється, а випрямлені напруги включаються послідовно і таким чином сумуються. Зв'язок каскадів з джерелом живлення здійснюється через ємності або за допомогою взаємної індукції. Живлення каскадів може бути як послідовним, так і паралельним. Амплітуда напруги на виході помножувача напруги теоретично в ціле число разів вище, ніж на вході. У реальних схемах будь-яке навантаження буде зменшувати отриману напругу. Навантажувальна здатність помножувача пропорційна частоті, величині ємностей конденсаторів, що входять до його складу і обернено пропорційна числу ланок. Серед ємнісних каскадних генераторів з послідовним живленням найбільш поширені несиметричний генератор Кокрофта — Волтона (вперше побудований в 1932 році англійськими вченими Дж. Кокрофт і Е. Волтон) і симетричний генератор Галперна (1955). Також поширені каскадні генератори з паралельним живленням з ємнісний і індуктивного зв'язком. Традиційна область застосування електрофізичних апаратура, і в першу чергу високовольтні прискорювачі великої потужності.


ККД каскадних генераторів 70 % -80 %, а у потужних генераторів з кремнієвими вентилями може перевищувати 90 %. Максимальні напруги і потужності ємнісних каскадних генераторів ~ 5 МВ і ~ 200 кВт, а у генераторів з індуктивним зв'язком ~ 3 МВ і ~ 100 кВт. Схема каскадного генератора з ємнісним зв'язком і паралельним живленням запропонована М. Шенкелями в 1919 році (рис. 8). Вихідна напруга зростає прямо пропорційно числу каскадів, напруга на діодах не перевищує подвоєної напруги живлення. Ступеневе збільшення напруги на кожному каскаді дозволяє ефективно вирівнювати напругу вздовж прискорювальної трубки. Дещо видозмінена схема каскадного генератора з ємнісним зв'язком використовується в розроблених в 60-х роках минулого століття К. Моргенштерном і М. Кліландом генераторах, що отримали назву дінамітрон.

У 60-70-х роках минулого століття набули поширення каскадні генератори з індуктивної зв'язком і паралельним живленням каскадів. вони являють собою систему індуктивно пов'язаних високовольтних вторинних обмоток. До обмоток підключені схеми випрямлення, що з'єднані послідовно. При фіксованому опорі навантаження напруга на виході збільшується прямо пропорційно напрузі на вході, а при фіксованій напрузі на вході в міру зростання опору навантаження вихідна напруга зростає, прямуючи до деякої постійної величини. На рис.10 наведена схема каскадного генератора з послідовним живленням, яке забезпечується ємнісним зв'язком через підвищуючі трансформатори. Недоліком схеми подібного роду є складність узгодження каскадів, оскільки через падіння напруги всі трансформатори повинні мати різні коефіцієнти трансформації. З тих же причин схема дуже чутлива і її термостабілізація вкрай складна.
Види помножувачів
Послідовні помножувачі

При послідовному живленні (Рис. 4) змінний струм від джерела живлення до наступних каскадів протікає через всі опори зв'язку i (прийняте позначення активного і / або реактивного опору) попередніх каскадів. Для генераторів даного типу характерним є нелінійне зростання внутрішнього опору при збільшенні числа каскадів , а також залежність розподілу напруги по каскадах від опору навантаження.

На рис. 5 наведена схема несиметричного однопівперіодного помножувача. Розглянемо процеси що відбуваються в ньому поетапно. Під час дії негативного півперіоду напруги конденсатор заряджається через відкритий діод до амплітудного значення прикладеної напруги . Коли до входу помножувача прикладена напруга позитивного напівперіоду, конденсатор через відкритий діод заряджається до напруги . Під час наступного етапу — негативного напівперіоду — через діод до напруги заряджається конденсатор . І, нарешті, при черговому позитивному напівперіоді до напруги заряджається конденсатор . Очевидно, що запуск помножувача відбувається за кілька періодів змінної напруги. Постійна вихідна напруга складається з напруг на послідовно включених і постійно заряджаючихся конденсаторах і і становить .
Розглянемо особливості симетричної (Галперна) і несиметричної (Кокрофта-Волтона) схем послідовних помножувачів. Повна напруга на виході в обох схемах дорівнює , де — число каскадів. Наявність струму навантаження призводить до часткової розрядки конденсаторів, тому відбувається падіння вихідної напруги — це основний недолік каскадних генераторів.
Якщо всі ємності однакові і рівні , то падіння напруги:
Для несиметричної схеми
Для симетричної схеми
Вихідна напруга помножувача, враховуючи струм навантаження, за умови, що вхідна напруга і частота постійні, вона визначається формулою:
Для несиметричної схеми
Для симетричної схеми
де — повний струм навантаження (струм витоку, подільника напруги і пучка), — частота напруги живлення (0.5-10 кГц); — число ступенів помножувача; — ємність конденсатора ступені, Ф. Задаючи вихідну напругу, струм, частоту і число ступенів, з неї обчислюють необхідну ємність конденсатора ступені.
Для обох схем напруга пропорційна числу каскадів, а падіння напруги кубу числа каскадів, таким чином, існує оптимальне число каскадів, перевищення якого не призводить до подальшого зростання напруги. Зазвичай число каскадів вибирають рівним:
Для несиметричної схеми
Для симетричної схеми де — напруга на окремому каскаді (100—250 кВ). Таким чином, основною перевагою симетричною схеми є збільшене приблизно в два рази число каскадів. Крім падіння напруги, через змінної робочої частоти у каскадних генераторів існують ще й пульсації напруги (які визначають енергетичний розкид прискорених частинок):
Для несиметричної схеми
Для симетричної схеми
У симетричній схемі пульсації приблизно в n разів менше. Типові значення енергії пучка в каскадних генераторах 2.5-3 МеВ при струмі пучка 10 мА і енергетичному розкид 1 %. Як видно вихідна напруга вкрай чутлива до частоти напруги, що подається на генератор.

Послідовні помножувачі використовуються найбільш часто. Вони більш універсальні, напруги на діодах і конденсаторах розподілені рівномірно, можна реалізувати більшу кількість ступенів множення. Мають свої переваги і паралельні умножители. Однак такий їхній недолік, як збільшення напруги на конденсаторах зі збільшенням числа ступенів множення, обмежує їх застосування до вихідної напруги приблизно 20 кВ.

При практичній реалізації помножувача слід приділити особливу увагу вибору його елементів, їх розміщенню і ізоляційним матеріалам. Конструкція повинна забезпечувати надійну ізоляцію з метою уникнення можливого коронного розряду, який знижує надійність помножувача, призводить до виходу його з ладу. Якщо потрібно змінити полярність вихідної напруги, полярність включення діодів слід змінити на зворотну.
Паралельні помножувачі

У генераторах з паралельним живленням каскадів (рис. 6) падіння напруги відбувається пропорційно числу каскадів , а розподіл напруги не залежить від числа каскадів. Опори зв'язку повинні бути розраховані на повну напругу каскадного генератора, що в практичних випадках призводить до меншої, у порівнянні з каскадним генераторами з послідовним живленням, повної вихідної напруги.
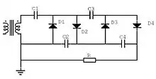
Двохпівперіодні помножувачі
На рис. 7 і 8 наведені схеми двухпівперіодних помножувачів. До переваг першого (рис. 7) слід віднести наступне: до конденсаторів , прикладена тільки амплітудна напруга, навантаження на діоди рівномірне, досягається гарна стабільність вихідної напруги. Другий помножувач, схема якого наведена на рис. 8, відрізняють такі якості, як можливість забезпечення високої потужності, простота у виготовленні, рівномірний розподіл навантаження між компонентами, велике число ступенів множення.
Джерела
Література
- Ускорители. Сб., пер. с англ, и нем., М., 1962, с. 5-79; Комар Е. Г.
- Основы ускорительной техники, М., 1975; Альбертинский Б. И., Свиньин М. П.
- Каскадные генераторы. М.. 1980. М. П. Свиньин.
- Радио № 10. г. Москва. 2000. Д. Садченков