Понижуючий перетворювач напруги
Понижуючий перетворювач напруги – це перетворювач, призначений для перетворення високої напруги в більш низьку стабілізовану напругу.
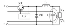
Містить ключовий транзистор, діод, фільтр і навантаження. Перетворювач передає енергію невеликими порціями від джерела живлення в навантаження. Незважаючи на збільшені, в порівнянні з лінійними стабілізаторами, габарити і порівняно великий рівень пульсацій, ці перетворювачі мають істотну перевагу - високий ККД. Тому вони знаходять широке застосування в електронній апаратурі.
Напруга Uн(t) на виході регулюючого елемента є імпульсною. Для отримання на навантаженні постійної напруги, яка дорівнює середньому значенню вихідної напруги Uн, між регулюючим елементом і навантаженням включають згладжуючий фільтр. Найчастіше в імпульсних регуляторах використовують індуктивний фільтр.



На відміну від звичайного L- чи LC-фільтра, в даному випадку фільтр обов'язково доповнюється діодом VD, який називають зворотнім діодом. Цей діод пропускає струм дроселя L в ті інтервали часу, коли транзистор VT закритий (ключ розімкнутий). Коли система керування СК відкриває транзистор VT (ключ замикається), від джерела живлення Ud в навантаження Rн протікає струм по ланцюгу, позначеному безперервною стрілкою. У цей інтервал часу 0 ... tі діод VD закритий, струм зростає і в елементах фільтра L і С накопичується енергія. При закриванні транзистора (розмиканні ключа ) навантаження Rн від'єднується від джерела живлення Ud і струм в ньому підтримується за рахунок енергії, яка була накопичена в елементах фільтра. У цей інтервал часу ti...Т конденсатор С розряжається через навантаження Rн. Струм дроселя L протікає через навантаження Rн і замикається через діод VD, який в цей час відкритий. Внаслідок цього енергія, яка була накопичена в дроселі, передається до навантаження. Коло протікання струму дроселя в інтервалі часу ti...Т показано перервною стрілкою. Часові діаграми показані на рис. «Часові діаграми понижуючого перетворювача».
Якщо для згладжування пульсацій використовують LС-фільтр, процеси в імпульсному регуляторі мають складніший характер. Зокрема, можливі два режими роботи дроселя фільтра, коли ємність нескінченно велика:
1) режим безперервного протікання струму в дроселі (див рис.« Режим безперервного протікання струму в дроселі»);
2) режим перервного протікання струму в дроселі (див. рис.« Режим перервного протікання струму в дроселі»).
Режим безперервного протікання струму в дроселі

Коли транзистор відкритий, до дроселя L прикладена напруга, яка дорівнює різниці напруг Е - Uн. Під дією цієї напруги струм у дроселі і зростає (див. рис. «Режим безперервного протікання струму в дроселі») причому:
Очевидно, що цей струм буде зростати лінійно:
- ,
де - початковий струм в дроселі в момент замикання ключа.
При розмиканні ключа відкривається діод VD і струм дроселя протікає через нього. При цьому до дроселя прикладена напруга Uн в протилежному напрямку. Струм дроселя спадає і визначається з рівняння:
- ,
Очевидно, що цей струм спадає також за лінійним законом:
- ,
де - струм дроселя в момент розмикання ключа.
Таким чином, струм в дроселі пульсує щодо свого середнього значення Iн, яке дорівнює середньому значенню струму в навантаженні (див. рис. «Режим безперервного протікання струму в дроселі»). Очевидно, що коли амплітуда пульсацій струму в дроселі буде більшою, ніж середнє значення струму , в дроселі буде мати місце режим переривчастого струму. Враховуючи, що , можна визначити мінімальну індуктивність дроселя, при якій ще забезпечується режим безперервного протікання струму (критична індуктивність):
Вважається за доцільне виконання такого умови: .
Режим перервного протікання струму в дроселі

Розглянемо роботу перетворювача в режимі перервного струму. В інтервалі 0...tі транзистор відкритий (ключ закритий) і струм в дроселі зростає. В інтервалі tі ... Т ключ розімкнутий і струм дроселя зменшується, протікаючи через діод VD, який в цей час відкритий. Напруга на вході фільтра UVD=0. У момент часу t' струм дроселя спадає до нуля і діод VD закривається. До моменту наступного замикання ключа t=Т струм дроселя, а також і напруга на ньому дорівнюють нулю. До диоду VD прикладена напруга Uн. Оскільки середнє значення напруги на індуктивності UL = 0, середнє значення напруги на навантаженні Uн дорівнює середньому значенню напруги на діоді UVD . З рис.« Режим перервного протікання струму в дроселі» видно , що Uн буде більшою, ніж Ud, на величину площі заштрихованої ділянки інтервалу t'...Т. Згідно критичній індуктивністі при збільшенні опору навантаження Rн тривалість інтервалу t'...Т зростатиме. Отже, середнє значення вихідної напруги Uн зростатиме по відношенню до середнього значення напруги в режимі безперервного протікання струму Ud.
У режимі перервного протікання струму дроселя середнє і діюче значення струму в елементах регулятора значно відрізняються, тому втрати потужності в елементах регулятора будуть більшими, ніж в режимі безперервного струму дроселя. Таким чином, гірші енергетичні показники, а також залежність вихідної напруги від опору навантаження є головними недоліками режиму перервного струму дроселя в імпульсних регуляторах на ідеальних ключах. Якщо враховувати, що реальні силові напівпровідникові прилади, зокрема діод VD, не є ідеальними ключами, режим перервного струму дроселя може мати певні переваги. Відомо, що коли через діод протікав струм, а потім до нього раптово прикласти зворотню напругу, протягом певного часу tвик, поки діод відновлює свій зворотній опір, через нього буде протікати струм у зворотньому напрямку. Оскільки діод не може закритися миттєво, на інтервалі відновлення його вентильних властивостей опір елементів VT і VD дуже малий і по ланцюгу ( + Ud ) -VT- VD- ( - Ud ) короткочасно протікає струм значної величини (комутаційний струм). Цей струм значно збільшує втрати потужності в транзисторі і діод в момент комутації часто є причиною їх руйнування. На рис. «Режим безперервного протікання струму дроселя» комутаційний струм діода і транзистора показаний штриховою лінією. Для зменшення комутаційного струму треба застосувати високочастотні діоди з малим часом відновлення вентильних властивостей, або додаткові схемні рішення. Якщо ж регулятор працює в режимі перервного струму дроселя, то в момент відкривання транзистора VT і діод VD вже закритий і комутаційний струм не виникає.
Ми все ще вважаємо , що перетворювач працює в стаціонарному режимі. Таким чином, енергія в індукторі є однаковою, як на початку так і в кінці циклу (в разі переривчастого режиму, він дорівнює нулю). Це означає , що середнє значення індуктивної напруги (UL ) дорівнює нулю;
- Таким чином δ дорівнює:
- Можна побачити, що форма вихідної напруги понижувального перетворювача, що працює в переривчастому режимі, є набагато складнішою, ніж її аналог в безперервному режимі. Крім того, вихідна напруга тепер залежить не тільки від вхідної напруги (Ui) і робочого циклу D, але й від індуктивності котушки (L), періоду комутації (Т) і вихідного струму (Io).
Джерела
Перетворювальна техніка : підручник / В. С. Руденко, В. Я. Ромашко, В. Г. Морозов. — К. : ІСДО, 1996. — Частина 1. — 262 с.