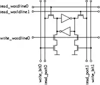
Регістровий файл
Регістровий файл — пристрій процесора, що включає в себе регістри і використовується для збереження і швидкого доступу до цифрової інформації. Сучасні регістрові файли зазвичай реалізовані як багатопортовий масив швидкої статичної пам'яті SRAM. Ці масиви відрізняються тим, що розділяють порти запису та читання, хоча в класичній архітектурі такий поділ не передбачається — як запис, так і читання може проводитися через будь-який порт[джерело?].
Система команд процесора практично завжди визначає набір регістрів, доступні програмісту для збереження даних. Здебільшого архітектурні регістри відповідають апаратним, що розміщені в пристрої. Проте в складних обчислювальних пристроях це не завжди так — використовується технологія перейменування регістрів (англ. register renaming), що дозволяє динамічно змінювати відношення між фізичним регістровим файлом та архітектурними регістрами.
Структура

Регістрові файли мають в своєму складі[1] дешифратор англ. decoder, що дозволяє визначити регістр, що бере участь в операції та певна кількість комірок для збереження інформації.
Реалізація
Регістровий файл мікроконтролерів сімейства Intel MCS-251 складається з 40 комірок з адресами 0..31 та 56..63[2].
А регістровий файл в целочисельному арифметико-логічному пристрою мікропроцесора MIPS R8000, що має 9 портів для читання та 4 порти для запису, 32 64-бітних регістра має такі розміри, що добре помітний неозброєним оком з відстані 30 см[джерело?].
Див. також
Примітки
- Лехин С. Н. Схемотехника ЭВМ. — Спб.: БХВ-Петербург, 2010. — 672 с.: ил. — ISBN 978-5-9775-0353-2. (рос.)
- Бродин В. Б., Шагурин И. И. Микроконтроллеры. Архитектура, программирование, интерфейс. — М.: Издательство ЭКОМ, 1999. — 400 с.: илл. — ISBN 5-7163-020-0. (рос.)
Література
- Корнеев В. В., Киселев А. В. Современные микропроцессоры. — 3 изд., перераб. и доп. — СПб.: БХВ-Петербург, 2003. — 448 с.: ил. — ISBN 5-94157-385-5. (рос.)