Рідинна система охолодження двигуна
Систе́ма водяно́го охоло́дження — система в автомобілях призначена для підтримання оптимального теплового стану двигуна у межах 80-90°. При збільшенні температури в'язкість оливи зменшується, тому вона погано утримується в парах тертя, підвищується зношення деталей і зменшується потужність двигуна. При зниженні температури олива густішає: олива гірше подається в пари тертя, збільшується витрата палива — і зменшується потужність.

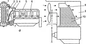
1. радіатор; 2. вентилятор; 3. верхній патрубок;
4. термостат; 5. водяна сорочка; 6. розподільна труба;
7. насос; 8. головка циліндрів; 9. рефлектор;
10. охолодні ребра.
Властивості
Основними недоліками системи рідинного охолодження є: більша складність конструкції і технічне обслуговування взимку і менша надійність в роботі (близько 20% усіх відмов двигуна припадає на рідинну систему охолодження).
Є три види рідинного охолодження: термосифонне, змішане, примусове.
Рідинна система охолодження складається з оболонки блока і головки блока, рідинної помпи, вентилятора, радіатора, термости, жалюзі й різних патрубків, шлангів і краників.
Основна перевага термосифонної системи охолодження простота пристрою, а недолік — порівняно повільна циркуляція води в ній, що приводить до посиленого випарування води із системи, а отже, до необхідності частої перевірки рівня води і поповнення нею системи.
Зараз термосифонною системою охолодження обладнані тільки пускові двигуни П-1ОУД і П-350.
Різниця температур нагрітої й охолодженої води для системи з примусовою циркуляцією води не перевищує 100.
Радіатори тракторних і комбайнових двигунів спереду закриті облицюванням із запобіжною сіткою.
Термостат прискорює прогрів води при запуску двигуна й автоматично підтримує її температуру у визначених межах. Вони можуть бути з рідким чи твердим наповнювачем.
Недолік рідинних термостатів — велика чутливість до зміни тиску в системі, що робить роботу їх нечіткою. У двигунів ЗіЛ-130 і СМД-60 встановлені термостати з твердим наповнювачем, що позбавляє цього недоліку.
Температура води в системі охолодження контролюється за допомогою дистанційного чи електричного покажчика. У деяких двигунів (3М3-53, СМД-60) для контролю за температурою води в системі охолодження застосований електричний сигналізатор з контрольною лампою.
Види рідинного охолодження
- Термосифонне
- Змішане
- Примусове
Деталі та пристрої системи
- головка блока
- рідинна помпа
- вентилятор
- радіатор
- термостат
- жалюзі
Принцип дії
Відцентровий насос, який дістає обертання за допомогою паса від шківа колінчастого вала, засмоктує охолодну рідину з нижньої частини радіатора через патрубок і нагнітає її в сорочку охолодження циліндрів. Охолоджувальна рідина омиває насамперед найбільш нагріті деталі двигуна, відбирає частину тепла, а потім через верхній патрубок подається у верхній бачок радіатора. Проходячи крізь серцевину радіатора в нижній бачок, нагріта рідина охолоджується й знову спрямовується до відцентрового насоса. Водночас частина нагрітої рідини надходить у сорочку впускного трубопроводу для підігрівання пальної суміші, а також у разі потреби відводиться через спеціальний кран в опалювач салону кузова.
Джерела
- Кисликов В. Ф., Лущик В. В. Будова й експлуатація автомобілів: Підручник. — 6-те вид. — К.: Либідь, 2006. — 400 с. — ISBN 966-06-0416-5.
- Сирота В. І. Основи конструкції автомобілів. Навчальний посібник для вузів. К.: Арістей, 2005. — 280 с. — ISBN 966-8458-45-1
- Боровських Ю. І., Буральов Ю. В., Морозов К. А. Будова автомобілів: навчальний посібник / Ю. І. Боровських, Ю. В. Буральов, К. А. Морозов. — К.: Вища школа, 1991. — 304 с. — ISBN 5-11-003669-1