Фазове регулювання
Фазове регулювання напруги — це регулювання електричної напруги шляхом зміни кута відкриття тиристорів, симісторів, тиратронів чи інших приладів, з яких зібраний випрямляч або ключ . В результаті зміни кута відкриття до навантаження йдуть неповні напівхвилі синусоїди (зазвичай без переднього фронту), внаслідок чого знижується діюча напруга. Таке регулювання використовується для плавного пуску двигунів постійного струму, керування струмом зарядки акумуляторних батарей та інших цілей.

До переваг фазового регулювання відносять дешевизну (в ролі силових елементів зазвичай використовуються найбільш дешеві елементи з керованих - незакритих тиристорів або симісторів), простоту перетворювача і ланцюгів управління, головні недоліки - спотворення форми напруги в мережі живлення, великий коефіцієнт пульсацій вихідної напруги. Один з побутових приладів, в якому використовується фазове регулювання - тиристорний регулятор потужності (диммер), який використовується для регулювання нагріву теплої підлоги або обігрівачів, яскравості світіння ламп. На залізничному транспорті фазове регулювання використовується як в ланцюгах зарядки батарей, так і для управління тяговими двигунами електровозів змінного струму ВЛ80Р і ВЛ85, 2ЕС5К «Єрмак» і експериментального ЕП200. Також створення енергоефективних систем освітлення неможливе без застосування регулювання режиму шляхом зміни форми напруги живлення.
Спотворення форми напруги в мережі живлення відбувається через те, що протягом напівперіоду опір навантаження змінюється (різко падає при відкритті вентилів), в результаті чого зростає струм і збільшується падіння напруги на опорах джерела та мережі. Форма напруги стає несинусоїдальною, що особливо несприятливо для асинхронних двигунів.
Формули для розрахунку.
Фазове регулювання моментів вмикання та вимкнення силових ключів, та діюче значення напруги.
Діюче значення напруги характеризує всю енергію, що передається як сталою, так і змінними складовими напруги. ;
Фазове реглювання моментів вмикання та вимкнення силових ключів, що включаються послідовно з навантаженням на основній частоті джерела напруги та частоті ключа, , де - частота замикання та розмикання ключа S, - частота напруги живлення, можна виконати трьома способами:

Фазове регулювання з запізнюючим кутом управління
Вмикання силового ключа із запізненням відносно моменту природного ввімкнення і вимиканням його у момент природного вимкнення. Графік а).
Формула діючого значення напруги має вигляд:
;
;
;
Регулювальна характеристика такого регулятора при активному навантаженні та синусоїдальній напрузі мережі у відносних одиницях має такий вигляд:
;
Де - діючі значення напруги навантаження та мережі.
Фазове регулювання з випереджаючим кутом управління
Вмиканням силового ключа у момент природного ввімкнення і вимкнення з випередженням відносно моменту природного вимкнення. Графік б).
Формула діючого значення напруги має вигляд:
Фазове регулювання з двостороннім керуванням
Вмиканням силового ключа у момент природного ввімкнення і вимиканням з випередженям відносно моменту природного вимкнення. Графік в).
Формула діючого значення напруги має вигляд:
Для реалізації другого та третього способів регулювання потрібні повністю керовані ключі. Якщо для третього способу регулювання схема формує симетричний імпульс напруги на навантаженні, то його регулювальна характеристика у відносних одиницях має такий вигляд:
;
Де - діючі значення напруги навантаження та мережі.
Для реалізації вмикання силового ключа із запізненням, можна використовувати ключі змінного струму на базі тиристорів або симісторів, природне вимкнення яких відбувається при зміні полярності прикладеної напруги. Для реалізації двох інших способів треба використовувати повністю керовані ключі змінного струму на базі тиристорів або двоопераційних тиристорів.
Для реалізації найпростішого способу регулювання можна використати паралельне з'єднання двох звичайних тиристорів, що включені зустрічно один до одного.
Середнє значення напруги.
Середнє значення напруги характеризує енергію, що передається сталою складовою напруги. Середнє значення напруги на навантаженні визначається формулами для кожного із моментів ввімкнення ключа :
Фазове регулювання з запізнюючим кутом управління
Формула середнього значення напруги має вигляд:
Фазове регулювання з випереджаючим кутом управління:
Формула середнього значення напруги має вигляд:
Фазове регулювання з двостороннім керуванням
Формула середнього значення напруги має вигляд:
Приклад дії
Імпульсно-Фазове регулювання режиму роботи розрядних ламп високого тиску

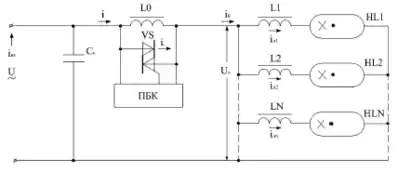
Регулювання роботи розрядних ламп високого тиску (РЛВТ) в освітлювальних установках (ОУ) зовнішнього освітлення з дросельним (Lo) підтриманням розряду а лампі (при вимкненому симістрові VS).
- Розрядні лампи мають ідентичні параметри
- Струми в паралельно з'єднаних лампах однакові.
- Дроселі - без активних втрат з лінійною індуктивністю.
- Форма напруги на лампах - прямокутна з амплітудо .
При ввімкнені напруги живлення, симістор VS ввімкнений і на лампу подана повна мережна напруга, завдяки чому в ній запалюється розряд. В цьому стані відбувається імпульсно-фазове регулювання тривалості проводящого стану симістора VS протягом напівперіода мережної напруги.

Схема працює на ω - частоті живлючої напруги, ψ,φ - кути ввімкнення та провідності симістора VS.
- В діапазоні φ ≤ ωt ≤ ψ симістор VS відключений і струм дроселя зростає від до . Цей процес може бути описаний рівняннями:
;
;
- Напруга на виході схеми.
- Складова середньої величини струму навантаження , який протікає в ланцюгу схеми регулювання в діапазоні кутів роботи симістора: φ ≤ ωt ≤ ψ дорівнює:
;
;
Середня величина струму в ланцюгу регулювання визначається як сума складових за весь цикл роботи симістора.

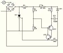
Тиристорний регулятор потужності (Диммер)
Тиристорний регулятор потужності - електронна схема яка дозволяє змінювати підведену до навантаження потужність шляхом затримки включення тиристора на напівперіоді змінного струму.
Принцип роботи
Ключовим компонентом даної схеми є тиристор, що відкривається при появі сигналу на керуючому електроді. Чим більше затримка включення, тим менша потужність надходить в навантаження.
Транзистори VT1 і VT2 працюють в ключовому режимі. Як тільки напруга на конденсаторі C1 буде дорівнює напрузі в точці між резисторами R3 і R4, то транзистори відкриваються і подають сигнал на керуючий електрод тиристора VS1, при цьому конденсатор розряджається, тиристор відкривається до наступного напівперіоду.

Див. також
- Тиристорний регулятор потужності
- Тиристорний комутатор
Джерела
- Курс электротехники. А. С. Касаткин, М. В. Немцов. М., Высшая школа, 2005(рос.)
- Электровоз ВЛ80Р. Руководство по эксплуатации. Под редакцией Б. А. Тушканова. М., Транспорт, 1985(рос.)
- Авиационное оборудование. Ю. А. Андриевский, Ю. Е. Воскресенский, Ю. П. Доброленский. М., Воениздат, 1989(рос.)
- Імпульсно-фазове регулювання режимами роботи освітлювальних установок О. Ю. Поліщук, Ю. В. Рой, В. М. Поліщук
- Перетворювальна техніка Ю.П.Гончаров, О.В.Будьонний, В.Г.Морозов, М.В.Панасенко, В.Я.Ромашко, В.С.Руденко