Фундамент
Фунда́мент (від лат. fundamentum[1]), укр. підму́рок, підва́лини — основа будови, споруди, зроблена з каменю, цегли, бетону тощо[2][3], переважно підземна, яка сприймає навантаження від споруди і передає їх на основу, складену ґрунтами (природну) чи штучну[4]. Фундаменти бувають безперервними — по периметру всіх стін, або переривчастими — у вигляді окремих стовпів і залізобетонних подушок, проміжки між якими засипають ґрунтом.

Фундаменти є підземною конструкцією, що безпосередньо стикається з основою і передає на неї навантаження від будинку (споруди). Глибина закладення фундаменту повинна відповідати глибині залягання того шару ґрунту, що приймається за природну основу. Як матеріал для фундаменту найчастіше застосовують бутовий камінь, бутобетон, бетон і залізобетон. За конструктивним рішенням фундаменти розділяють на стовпчасті, стрічкові, суцільні і пальові.
Інженерно-геологічні дослідження
Перш ніж розпочинати роботи зі зведення фундаменту, з'ясовують: на якому ґрунті стоятиме будинок, глибину промерзання ґрунту у районі будівництва, рівень ґрунтових вод та вартість фундаменту. Для цього буде потрібно провести геологічні дослідження на ділянці. Тобто з'ясувати геологічну будову землі, стійкість ґрунтів на місці де передбачається будівництво. Отримані дані дозволять встановити глибину закладання фундаменту та величину допустимих тисків на ґрунт, спрогнозують стійкість майбутньої споруди, величину опадів, які очікуються, тощо. Нехтувати геологами або використовувати дані геологічних досліджень сусідніх місцевостей небажано. Немає ніякої гарантії, що на цьому майданчику такі ж ґрунти, як і на сусідній ділянці. Якщо присутній складний рельєф, підземні річки, зведення будинку потребуватиме колосальних коштів на укріплювальні заходи, що, в підсумку, буде коштувати замовникові занадто дорого. Тому для якісного будівництва будинку обов'язково потрібно провести геологічні дослідження ділянки. Лише після цього можна починати підбір фундаменту і роботу над проектною документацією.
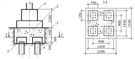
Основні типи фундаменту

Розрізняють чотири типи фундаментів.
Стрічкові фундаменти
Мають однакову форму поперечного перетину по всьому периметру стін будівлі (зокрема під всіма його внутрішніми тримальними стінами). Їх споруджують з готових збірних бетонних та залізобетонних виробів, з монолітного бетону та залізобетону або їх комбінації — збірно-монолітні. І зводять, як правило, під важкими будівлями.
Стовпчасті фундаменти
Являють собою систему стовпів, розташованих по кутах і в місцях перетину стін, а також під важкими тримальними простінками, балками та іншими місцями зосередженого навантаження будівлі. Для виготовлення стовпчастих фундаментів використовуються цегла, залізобетонні, металеві і азбестоцементні стовпи і труби. Їх застосовують при будівництві легких дерев'яних будинків без підвалів.
Плитні фундаменти
Споруджуються під усією площею будинку. Являють собою суцільний залізобетонний блок, виконаний з монолітного залізобетону, або зі збірних перехресних залізобетонних стовпів з жорсткою обробкою стикових з'єднань. Плитні фундаменти застосовують на майданчиках зі слабкими ґрунтами і, якщо є необхідність надійного захисту основи від проникнення води (плиту використовують як гідроізоляцію).

Пальові фундаменти
Складаються з паль, занурених у фундамент будівлі або споруди. За способом виготовлення розрізняють палі забивні, які занурюють у ґрунт у готовому вигляді, гвинтові палі, які загвинчують у ґрунт, і набивні, виготовлені безпосередньо в ґрунті. Такі фундаменти використовують там, де верхній шар ґрунту не може витримати велику вагу. Для пальових фундаментів використовують готові короткі забивні залізобетонні палі або набивні палі, що виготовляються шляхом заповнення бетонною сумішшю виробленої (пробуреної) в ґрунті свердловини[5].
Примітки
- Фунда́мент // Етимологічний словник української мови : у 7 т. : т. 6 / редкол.: О. С. Мельничук (гол. ред.) та ін. — К. : Наукова думка, 2012. — Т. 6 : У — Я. — С. 137-138. — ISBN 978-966-00-0197-8.
- Підмурок // Словник української мови : в 11 т. — К. : Наукова думка, 1970—1980.
- Підвалина // Словник української мови : в 11 т. — К. : Наукова думка, 1970—1980.
- Державні будівельні норми України. ДБН В.2.1-10-2009. Основи та фундаменти споруд. Основні положення проектування.
Джерела
- Державні будівельні норми України. ДБН В.2.1-10-2018. Основи і фундаменти будівель та споруд. Основні положення.
- Інженерна геологія (з основами геотехніки): підручник для студентів вищих навчальних закладів /Колектив авторів: В. Г. Суярко, В. М. Величко, О. В. Гаврилюк, В. В. Сухов, О. В. Нижник, В. С. Білецький, А. В. Матвєєв, О. А. Улицький, О. В. Чуєнко.; за заг. ред. проф. В. Г. Суярка. — Харків: Харківський національний університет імені В. Н. Каразіна, 2019. — 278 с.
Посилання
- Фундамент // Термінологічний словник-довідник з будівництва та архітектури / Р. А. Шмиг, В. М. Боярчук, І. М. Добрянський, В. М. Барабаш ; за заг. ред. Р. А. Шмига. — Львів, 2010. — С. 205. — ISBN 978-966-7407-83-4.