Цифро-аналоговий перетворювач
Ци́фро-ана́логовий перетво́рювач (ЦАП; англ. DAC — Digital-to-Analog Convertor) — електронний пристрій для перетворення цифрового (як правило двійкового) сигналу на аналоговий. Пристрій, що виконує зворотну дію, називається аналогово-цифровим перетворювачем (АЦП).



Як правило ЦАП отримує на вхід цифровий сигнал в імпульсно-кодовій модуляції PCM (англ. pulse-code modulation). Перетворення різних стиснутих форматів в PCM виконується відповідними кодеками.
Використання
ЦАП використовується завжди, коли необхідно перетворити сигнал з цифрового формату в аналоговий. ЦАП використовується в системах керування технологічними процесами, програвачах CD/DVD, звукових картах ПК.

Реалізація
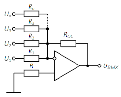
У найпростішому випадкові ЦАП може бути реалізований за схемою суматора струмів, наприклад, на основі диференціального підсилювача в інвертуючому ввімкненні, на інверсному вході якого відбувається складання струмів. Зважаючи на те, що при заземленому неінверсному вході операційний підсилювач, охоплений негативним зворотним зв'язком, буде підтримувати нульовий потенціал і на інверсному вході, вхідні струми будуть однозначно визначатись вхідними напругами та опорами вхідних резисторів. Тим часом струм у ланцюзі зворотнього зв'язку визначається вихідною напругою та опором резистора зворотнього зв'язку. Позаяк сума вхідних струмів буде дорівнювати струму зворотнього зв'язку, вихідна напруга буде пропорційною сумі вхідних струмів.
Див. також
Примітки
Посилання
- INL/DNL Measurements for High-Speed Analog-to-Digital Converters (ADCs) (англ.)
- Digital-to-Analog Conversion (англ.)