Шахтна підіймальна установка
Шахтна підіймальна установка (рос. шахтная подъемная установка, англ. winder, winding plant, hoisting plant, нім. Schachtförderanlage f, Schachtfördereinrichtung f) — основний транспортний комплекс, що зв'язує підземну частину шахти (рудника) з поверхнею; призначена для видачі на поверхню корисної копалини і породи, спуску і підйому людей, транспортування гірничошахтного обладнання і матеріалів, а також огляду армування і кріплення стовбура шахти. П.у.ш. складаються з підіймального обладнання і гірничотехнічних споруд.

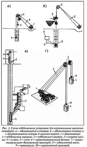
Загальна характеристика



До підіймального обладнання належать: підіймальні машини з приводом, підіймальні ємкості (кліті шахтні, скіпи шахтні та ін.), канати, підвісні пристрої, шахтні парашути, посадочні кулаки, розвантажувальні і завантажувальні пристрої тощо.
До гірничотехнічних споруд належать споруди, що розташовані в приствольному дворі (навантажувальний бункер, приймальна площадка та ін.), стовбур шахти, надшахтні споруди (копер, приймальний бункер та ін.).
П.у.ш. поділяються:
- за призначенням — на г о л о в н і (вантажні) для видачі з шахти корисної копалини; д о п о м і ж н і (вантажно-людські) для видачі породи, спуску обладнання та матеріалів, а також спуску і підйому людей; л ю д с ь к і — тільки для спуску і підйому людей;
- за типом привода підіймальних машин — на установки з асинхронним електродвигуном і з двигуном постійного струму;
- за типом стовбура шахти — на в е р т и к а л ь н і та п о х и л і;
- за числом канатів — на о д н о к а н а т н і та б а г а т о к а н а т н і;
- за типом органів навивки — на установки з постійним і змінним радіусом навивки;
- за типом підіймальних ємкостей — на скіпові, клітьові, скіпо-клітьові, баддяні;
- за ступенем урівноваженості — на урівноважені і неврівноважені.
Перша багатоканатна П.у.ш. з канато-ведучим шківом тертя була побудована у 1938 р. в Швеції фірмою «АСЕА». У порівнянні з одноканатними, багатоканатні П.у.ш. мають значно менший діаметр канатів, менші габарити і масу підіймальної машини (в 3–5 разів при однаковій продуктивності).
Взаємне положення геометричних осей і осьових площин піднімальної установки виражене зміщенням або кутовим від-хиленням від заданої норми, прямовисної або горизонтальної площини, проектного положення є показником якості монтажу або стану устаткування. Одним з найважливіших елементів піднімальної установки є кути девіації на барабанах та шківах, які не повинні перевищувати 1,5 °.
Геометричні елементи шахтного підйому
Геометричні елементи шахтного підйому — точки, осі, площини, кути, які є об'єктами маркшейдерських розбивок та зйомок, що виконуються при будівництві споруд і монтажі обладнання технологічного комплексу шахтного підйому, а також при перевірках і налагодженні підіймального обладнання під час експлуатації. Загальноприйняті геометричні елементи підіймальної установки шахтної: вісь підйому, центр підйому, вісь головного вала підіймальної машини, площина симетрії копрових шківів, осі і кути девіації підйомних канатів, осі розвантажувальних кривих і ін.
Цикл підйому
Робочий цикл підіймальної машини, що складається з періоду розгону машини, рівномірного руху та сповільнення руху. За час циклу швидкість підйому збільшується від нуля до максимального значення і в кінці циклу зменшується знову до нуля. Характер зміни швидкості підйому залежно від часу зображується графічно як діаграма швидкості.
Див. також
Література
- Мала гірнича енциклопедія : у 3 т. / за ред. В. С. Білецького. — Д. : Східний видавничий дім, 2013. — Т. 3 : С — Я. — 644 с.