SEAL (шифр)
SEAL (англ. Software-optimized Encryption Algorithm — програмно-оптимізований алгоритм шифрування) — симетричний потоковий алгоритм шифрування даних, оптимізований для програмної реалізації.

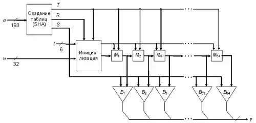
Розроблено в IBM Філом Рогевеем (англ. Phil Rogaway) і Доном Копперсмітом 1993 року. Алгоритм оптимізований і рекомендований для 32-бітових процесорів. Для роботи йому потрібна кеш-пам'ять на кілька кілобайт і вісім 32-бітових регістрів. Швидкість шифрування — приблизно 4 машинних такти на байт тексту. Для кодування і декодування використовується 160-бітний ключ. Щоб уникнути небажаної втрати швидкості через повільність операцій обробки ключа, SEAL попередньо виконує з ним кілька перетворень, отримуючи в підсумку три таблиці певного розміру. Безпосередньо для шифрування і розшифрування тексту замість самого ключа використовуються ці таблиці.
Алгоритм вважається дуже надійним, дуже швидким[1] і захищений патентом США № 5454039[2] з грудня 1993 року.
Примітки
- P.Rogaway, D.Coppersmith. .
- U.S. Patent 5 454 039 «Software-efficient pseudorandom function and the use thereof for encryption»