Інвертор
Інвертор (лат. inverto — повертати, перевертати) — перетворювач постійного струму на змінний однофазний або багатофазний струм, силовий генератор змінного струму. Зазвичай являє собою генератор періодичної напруги, за формою здебільшого наближеної до синусоїди, або дискретного сигналу. Інвертори напруги можуть застосовуватися у вигляді окремого пристрою або входити до складу джерел і систем безперервного живлення апаратури електричною енергією змінного струму. Якщо інвертор передає енергію з мережі постійного струму в мережу змінного, частота і напруга в якій вже задані роботою інших генераторів, то його названо залежним (веденим).
Класифікація інверторів
За принципом дії інвертори поділяються на:
- автономні;
- залежні (інвертори, що керуються мережею);
Класифікація автономних інверторів
Автономні інвертори (АІ) — це перетворювачі постійного струму на змінний, які працюють на мережу, в якій немає інших джерел електроенергії. Комутація вентилів у них здійснюються завдяки застосуванню повністю керованих вентилів або пристроїв штучної комутації. При цьому частота напруги на виході АІ визначається частотою управління, а величина напруги — параметрами навантаження і системою регулювання.
Інвертори, що працюють на навантаження, у якому немає інших генераторів, називають автономними. У них струм перемикається спеціальним пристроєм, частота вихідного струму (напруги) визначається частотою імпульсів керування. Сфери використання автономних інверторів: — для живлення споживачів змінного струму в установках, де як основне або резервне джерело енергії використовується акумуляторна або сонячна батарея; — у частотному електроприводі змінного струму у складі перетворювача частоти з проміжною ланкою постійного струму; — в електротехнології як джерело змінного струму підвищеної частоти; — в електроенергетиці з нетрадиційними джерелами живлення як активні фільтри, компенсатори реактивної потужності та потужності викривлення. Залежно від побудови схеми розрізнюють однофазні, двофазні, трифазні і багатофазні інвертори, залежно від кількості рівнів напруги джерела постійного струму дво- і багаторівневі інвертори.
Автономні інвертори (АІ) класифікуються за рядом ознак.
- За видом вхідного струму або напруги АІ поділяються на :
- автономні інвертори струму (АІС).
- автономні інвертори напруги (АІН).
- резонансні (коливальні) автономні інвертори (РАІ).
- За вентилями, що використовуються, АІ поділяються на :
- АІ на вентилях з неповним керуванням (звичайних тиристорах та симісторах);
- АІ на вентилях з повним керуванням (транзисторах і запірних тиристорах);
- За способом комутації АІ на незапірних тиристорах поділяються на :
- АІ з одноступінчастим перемиканням, в яких комутація здійснюється за допомогою комутуючих конденсаторів основними вентилями схеми без застосування додаткових тиристорів;
- АІ з двоступеневою комутацією, в яких для комутації застосовуються спеціальні комутуючі вентилі.
- За місцем ввімкнення комутуючих конденсаторів АІ з одноступінчастим перемиканням поділяються на :
- паралельні АІ (комутуючі конденсатори ввімкнені паралельно навантаженню);
- послідовні АІ (комутуючі конденсатори ввімкнені послідовно з навантаженням).
Автономні інвертори струму


Автономний інвертор струму(АІС) формує в навантаженні струм, а форма напруги визначається параметрами навантаження. В схемі АІС використовуються як повністю керовані, так і напівкеровані ключі з однобічною провідністю. Комутація тиристорів, що не вимикаються за колом керування, здійснюється примусово з використанням попередньо зарядженого конденсатора як джерела зворотної напруги.
Особливості АІС:
1. Джерело постійного струму працює в режимі генератора струму. Для цього у вхідне коло АІС вмикається реактор (дросель) з достатньо великою індуктивністю L, що не дає змінюватись струму (струм на вході АІС незмінний). Окрім того, реактор виконує функції фільтру вищих гармонік. При цьому функція ключів схеми — періодичне перемикання напрямку струму на виході.
2. Вихідне коло повинно допускати зміну струму стрибком, тобто мати властивості джерела напруги. Зазвичай це досягається підключенням до виходу АІС конденсатору, що дозволяє підключати до виходу активно-індуктивне навантаження.
Примітка: реактор на вході АІС може бути відсутнім або мати невелику індуктивність, якщо джерело має властивості джерела струму. Останнє досягається, наприклад, при використанні керованого випрямляча зі зворотнім зв'язком за вихідним струмом або активного випрямляча струму.
Принцип роботи схеми:
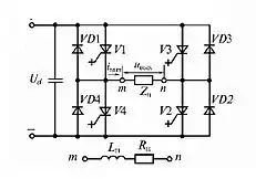
На вході АІС діє джерело струму, утворене джерелом ЕРС і великою індуктивністю, форма струму на виході вентильної групи прямокутна, а форма напруги визначається характером навантаження (рис. 1, 2). Навантаження може бути тільки активним або активно-ємнісним, тому що при активно-індуктивному навантаженні струм не може миттєво змінити напрям. При роботі схеми з активно-ємнісним навантаженням у момент починають проводити тиристори , ; в момент тиристори , вимикаються, а тиристори , вмикаються. Струм через навантаження змінює напрям. Під дією струму напруга на навантаженні змінюється по експоненті;
Автономні інвертори напруги

Автономний інвертор напруги (АІН) формує в навантаженні напругу, а форма струму визначається параметрами навантаження. В схемі АІН використовуються повністю керовані ключі: транзистори або тиристори, що вимикаються за колом керування. Тиристори, що не вимикаються за колом керування, використовуються в комбінації з вузлами примусової комутації з попередньо зарядженим конденсатором.
Особливості АІН:
1. Джерело постійного струму працює в режимі джерела ЕРС. Для цього паралельно до входу АІН вмикається конденсатор достатньо великої ємності, що надає джерелу властивості генератору напруги (напруга на вході АІН незмінна). Ключі схеми комутують джерело, чим забезпечується зміна напрямку напруги на навантаженні. При цьому вхідний струм змінюється стрибком, що не припускає наявності індуктивності на вході АІН. Для запобігання впливу індуктивності вхідних кіл конденсатор фільтру встановлюється біля ключів АІН.

2. Схема вентильного комутатора повинна мати двобічну провідність, що і забезпечує обмін енергією між активно-індуктивним навантаженням і джерелом (конденсатором на вході, якщо використовується випрямляч з однобічною провідністю).
Примітка: для передавання реактивної енергії (і активної) в мережу можна використовувати ведений мережею інвертор або активний випрямляч.
Принцип роботи схеми :
На вході АІН діє джерело ЕРС, напруга на виході вентильної групи прямокутна, а форма струму визначається характером навантаження. Напруга на навантаженні перемикається миттєво, тому навантаження може бути активним або активно-індуктивним. (рис.3, 4).При роботі схеми з активно-індуктивним навантаженням у момент починають проводити тиристорі , . Під дією прикладеної напруги струм наростає по експоненті. У момент тиристори , вимикаються, але струм через навантаження йде в тому ж напрямку через діоди , за рахунок енергії, запасеної в індуктивності, при цьому напруга на навантаженні вже змінила знак, а струм поступово спадає. У момент струм дорівнює нулю і вмикаються тиристори і , полярність напруги при цьому не змінюється, а струм змінює напрямок. Діоди призначені для повернення реактивної енергії в джерело живлення. Конденсатор її приймає.

Структура автономного інвертора У загальному випадку структура інвертора складається з таких елементів:
– вхідний фільтр (Ф1), що забезпечує необхідну якість вхідного струму (напруги), надання джерелу енергії властивостей, що забезпечують нормальне функціонування схеми вентильного комутатора, а також зменшує негативний вплив на джерело та інших споживачів енергії;
– вентильний комутатор (ВК) у подальшому безпосередньо інвертор, що поряд із перетворенням, забезпечує регулювання параметрів змінного струму — частоти і амплітуди. Вихідний сигнал, звичайно, має характер імпульсів, фронти яких мають значну крутизну і, як наслідок, складний гармонійний спектр. Це негативно впливає на роботу споживача енергії, а також призводить до значних додаткових витрат під час передавання енергії на відстань;
– вихідний трансформатор (TV) для узгодження вихідної напруги з напругою споживача, що може бути поєднаним безпосередньо зі схемою комутатора. У ряді випадків використовується для отримання багаторівневої кривої вихідної напруги;
– вихідний фільтр (Ф2), що забезпечує якість вихідної напруги на потрібному рівні для передавання і споживання. Ємність у інверторів струму є необхідною для нормального функціонування схеми. Відзначимо, що не всі ці елементи є обов'язковими у конкретній схемі інвертора. Так, у інверторі напруги обов'язковими звичайно є Ф1 і ВК, у інверторі струму до них додається Ф2.

Транзисторні інвертори напруги
- Мостова схема транзисторного інвертора напруги
Мостова схема інвертора напруги застосовується на великих потужностях при підвищеному рівні напруги джерела живлення. Сигнали управління … надходять таким чином, що в кожному півперіоді два транзистора увімкнені, а два інших вимкнені.
Існує два алгоритму управління ключовими елементами інвертора напруги: симетричний і несиметричний. На малюнку наведено часові залежності струмів і напруг для цих двох алгоритмів. Розглянемо принцип дії інвертора при симетричному управлінні.
При подачі керуючих імпульсів , на транзистори , на інтервалі часу … струм протікає по контуру: «+» ; колектор емітер ; обмотка трансформатора () в первинному колі; колектор-емітер ; «-» . На цьому ж інтервалі накопичується реактивна енергія в ланцюзі намагнічування трансформатора , відбувається плавне наростання струму в первинної ланцюга за експоненціальним законом.
На інтервалі … здійснюється рекуперація енергії в джерело через зворотні діоди по контуру: «+» ; ; протилежний зміст по відношенню до ; ; «-» . Струму джерела спадає до нуля.
У плечі моста інвертора напруги досить управляти одним ключем для здійснення стабілізації напруги на виході інвертора (), інший ключ можна утримувати в відкритому стані, що виключає вплив інвертора на вхідне джерело. Розглянемо принцип дії інвертора при несиметричному алгоритмі керування.
На інтервалі часу … за період роботи другого і третього ключів в ланцюзі намагнічування трансформатора накопичилася реактивна енергія. На інтервалі … відбувається рекуперація енергії в навантаження по контуру: «+» ; ; колектор-емітер ; «-» . Якщо на даному інтервалі струм не знизився до нуля (тобто струм не поміняв свій знак), то на інтервалі … енергія передається в джерело по контуру: «+» ЕРС (); ; протилежний зміст по відношенню до ; ; «-» , при цьому утворюється «поличка» в формі напруги .
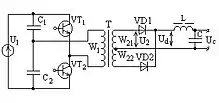
- Напівмостовий транзисторний інвертор напруги

Принцип роботи схеми полягає в почерговому підключенні транзисторами , первинної обмотки трансформатора до конденсаторів і . На інтервалі часу … відбувається заряд кондесатора по ланцюгу: «+»; ; З 1; обмотка трансформатора первинної ланцюга ; колектор-емітер ; «-» . На цьому ж інтервалі відбувається розряд конденсатора по колу: «+» ; обмотка трансформатора первинної ланцюга ; колектор-емітер ; «-» .
До переваг схеми інвертора можна віднести: малі втрати в силовому ланцюзі за рахунок комутації одного ключа на кожному такті роботи схеми. За рахунок конденсатору підтримується баланс струмів в схемі за період роботи, що виключає виникнення асиметричного режиму намагнічування трансформатора. Крім того, в цій схемі малий рівень зворотної напруги на ключах, тому схема може використовуватися при високих вхідних напругах.
- Транзисторний інвертор напруги з середньою точкою

Ця схема інвертора найбільш розповсюджена в низьковольтних перетворювачах-інверторах. Особливістю даної схемі є те, що первинна обмотка вихідного трансформатора має вивід від середини. За кожен півперіод напруги по черзі працює один транзистор і одна півобмотка трансформатора. Дана схема відрізняється найбільшим ККД, низьким рівнем пульсацій. Досягається це за рахунок зменшення струму в первинній обмотці і зменшення потужності, що розсіюється в ключових транзисторах.
Незважаючи на те, що в цьому інверторі використовується трансформатор з виводом від середньої точки первинної обмотки і до транзисторів прикладається подвійна напруга, він має певні переваги перед мостовим і півмостовим інверторами. У порівнянні з ним в мостовому інверторі використовується в два рази більшу кількість ключів, а у півмостового, ключі навантажені подвоєним струмом навантаження. Обов'язковим елементом інвертора є трансформатор, що має відвід від середньої точки первинної обмотки. При виготовленні такого трансформатора гостро встає проблема забезпечення гарної магнітної зв'язку між половинками первинної обмотки (низької індуктивності розсіювання). Зазвичай, в малопотужних перетворювачах, цей трансформатор має тороїдальну конструкцію і обидві половинки первинної обмотки мотаються разом (в два дроти). Якщо ж обмотку неможливо мотати в два дроти (наприклад в потужних трансформаторах), то її секціонну й окремі секції половинок первинній обмотки мотають упереміш. Зазвичай, в намотаних такими способами трансформаторах вдається знизити індуктивність розсіювання між половинками первинної обмотки до деяких допустимих меж. Але навіть в цьому випадку, якщо не вживати особливих заходів, на що замикаються транзисторах з'являються небезпечні викиди напруги, здатні пошкодити транзистор.
Амплітуда напруги імпульсів в половині первинної обмотки зростає до значення , а напруга на кожному транзисторі досягає значення (ЕРС самоіндукції + ).Середній струм через кожен транзистор дорівнює половині струму живлення від мережі живлення.
Дворівневі автономні інвертори напруги
Автономний інвертор напруги (АІН) формує в навантаженні напругу, а форма струму визначається параметрами навантаження. У схемі АІН використовуються повністю керовані ключі: транзистори або тиристори, що вимикаються за колом керування. Тиристори, що не вимикаються за колом керування, використовуються в комбінації з вузлами примусової комутації з попередньо зарядженим конденсатором. Дворівневі АІН живляться від джерела постійного струму з двома рівнями напруги (0, U).
Особливості АІН:
1. Джерело постійного струму працює в режимі джерела ЕРС. Для цього паралельно до входу АІН вмикається конденсатор достатньо великої ємності, що надає джерелу властивості генератора напруги (напруга на вході АІН незмінна). Ключі схеми комутують джерело, чим забезпечується змінювання значення і напрямку напруги на навантаженні. При цьому вхідний струм змінюється стрибком, що не припускає наявності індуктивності на вході АІН. Для виключення впливу індуктивності вхідних кіл конденсатор фільтра встановлюється безпосередньо біля ключів АІН.
2. Схема вентильного комутатора повинна мати двобічну провідність, що і забезпечує обмін енергією між активно-індуктивним навантаженням і джерелом (конденсатором на вході, якщо використовується випрямляч з однобічною провідністю). Примітка: для передавання реактивної енергії (і активної) в мережу можна використовувати ведений мережею інвертор або активний випрямляч.
Базові схеми дворівневих автономних інверторів напруги
Схемотехніка АІН різноманітна: від простих малопотужних схем генераторів, що знаходять використання у промисловій електроніці, до багаторівневих інверторів потужністю декілька МВт на напругу до 10 кВ. У цьому навчальному посібнику обмежимося лише основними схемами, що використовуються для силових перетворювальних пристроїв. Варто зазначити, що принципи побудови їх схем у цілому нагадують знайомі нам основні схеми випрямлячів — нульову і мостову, проте виконують зворотну функцію. Нульова схема однофазного АІН (з нульовим виводом трансформатора) наведена на рисунку 4.22. Схема містить у собі два ключі VT1, VD1 і VT2, VD2, а також трансформатор, первинна обмотка якого розподілена на дві половини (з кількістю витків w1) і має вивід від середини (нульовий). Як ключі використано транзистори зі зворотними діодами, що забезпечує їх двобічну провідність (діод вмикається у разі вимкнення транзистору іншого ключа, доки струм не зменшився до нуля). Це пов'язано з тим, що обмотка реального трансформатора має певну, хоча і невелику, індуктивність. Відповідно струм у обмотці має деякий зсув (відстає) від напруги. Ключі одним виводом (у цьому випадку емітер) з'єднані між собою, інші їх виводи підключені до крайніх виводів первинної обмотки. Джерело постійного струму підключено між спільною точкою ключів і нульовим виводом первинної обмотки трансформатора. Навантаження підключено до вторинної обмотки трансформатора TV з кількістю витків w2.
Схема працює у такий спосіб (для спрощення нехтуємо індуктивним опором обмоток — трансформатор ідеальний). Під час вмикання VT1 ліва на рисунку 9 половина обмотки TV підключена до джерела і напруга на ній дорівнює u1=U (з полярністю на рисунку 9 без дужок), струм в ній і1. Така ж напруга внаслідок явища взаємоіндукції має місце і на правій половині первинної обмотки. При цьому на навантаженні отримуємо напругу u2=nU (з урахуванням коефіцієнта трансформації n=w1/w2). Напруга, що прикладена до вимкненого в цей час транзистора VT2 дорівнює напрузі усієї первинної обмотки і становить 2U. Так формується позитивний півперіод вихідної напруги. Негативний напівперіод формується під час вмикання VT2 (VT1- вимкнений). Основним недоліком схеми є необхідність використання вихідного трансформатора, що як і у нульовій схемі випрямлення має завищену потужність. Ключі розраховані на подвійну напругу джерела. У разі використання широтноімпульсної модуляції є обмеження — вихідна напруга приймає лише два значення +nU, -nU (можлива лише двополярна ШІМ). Унаслідок цього схема має обмежене використання за незначної потужності, де суттєво зменшення кількості ключів. Позитивним моментом є те, що при використанні схеми зі спільним емітером, кола керування (UK1 і UK2) мають спільну точку і не потребують гальванічної розв'язки. Найбільш поширені мостові схеми інверторів, що знаходять як самостійне використання, так і входять до складу більш складних пристроїв.
Резонансні автономні інвертори

Резонансний автономний інвертор (РАІ) — це інвертор, на вході і на виході вентильної групи якого струм переривчатий, а форма напруги на виході визначається навантаженням (рис.5, 6). У цих інверторів періодичний характер електромагнітних процесів в навантаженні обумовлений коливальними властивостями LC-контуру інвертора. При цьому можливі три варіанти композиції LC-контуру і навантаження:
- послідовне включення навантаження в послідовний LC-контур — послідовні резонансні інвертори;
- паралельне підключення навантаження до L або С частини LC-контуру;
- підключення навантаження паралельно до частини С контуру.
Ці три види підключення навантаження визначають три види резонансних інверторів:
- паралельний;
Рис.11. Діаграми напруги та струму при роботі РАІ - послідовно-паралельний;
- послідовний.
Принцип роботи схеми :
У РАІ повинна виконуватися умова :
При виконанні цієї умови процеси при включенні тиристорів носять коливальний характер. При включенні і проходить півхвиля струму і конденсатор заряджається з вказаною полярністю. Після переходу струму через нуль тиристор запирається. При включенні і напруга джерела і напруга на конденсаторі діють узгоджено, струм проходить в протилежному напрямку, конденсатор перезаряджається і закриваються при спаді струму до нуля. Напруга на навантаженні повторює форму струму.
Застосування інверторів
Завдяки своїм властивостям інвертори знаходять широке застосування. В регульованих електроприводах з асинхронними двигунами трифазного струму інвертори застосовують у тягових електроприводах електровозів, електропоїздів, тепловозів, системах кондиціювання (див. інверторний кондиціонер), зварювальних апаратах, побутових світильниках денного світла, системах живлення комп'ютерів, телевізорів тощо.
Вимоги до інверторів
До автономним інверторів і перетворювачів частоти, висуваються такі вимоги:
- забезпечення максимального ККД .;
- мінімальна встановлена потужність окремих вузлів і елементів;
- можливість широкого регулювання вихідної напруги;
- забезпечення стабільності вихідної напруги при зміні величини і характеру навантаження, а також вхідної напруги;
- забезпечення синусоїдальної або близької до синусоїдальної форми кривої вихідної напруги;
- можливість регулювання в певних межах вихідний частоти, що перш за все необхідно в установках вентильного електроприводу;
- можливість роботи в режимі холостого ходу;
Література
- В. С. Руденко, В. Я. Ромашко, В. Г. Морозов. Перетворювальна техніка. Частина 1: Підручник. — К.: ІСДО, 1996. — 262 с.
- Ирвинг М., Готтлиб. Источники питания. Инверторы, конверторы, линейные и импульсные стабилизаторы.. — 2-е изд. — М.: Постмаркет, 2002. — 544 с.
- Горбачёв Г. Н., Чаплыгин Е.Е Промышленная электроника. — М:. Энергоатомиздат , 1988 — 320c.
- Криштафович А. К., Трифонюк В. В. Основы промышленной электроники. перераб. и доп. — М.: Высш. шк., 1985. — 287 с.
Посилання
- http://epa.susu.ru/assets/53_glava11_pt_2015_09_21.pdf
- http://www.studfiles.ru/preview/5685489/
- http://www.studfiles.ru/preview/5685498/
- http://valvolodin.narod.ru/schems/tr_inv.html
- http://findpatent.com.ua/patent/203/2030085.html%5Bнедоступне+посилання+з+червня+2019%5D
- http://literaturki.net/elektronika/osnovy-teorii-avtonomnyh-preobrazovatelei/296--posledovatelnyi-invertor
- http://studopedia.org/1-8925.html
- http://www.studfiles.ru/preview/1966716/page:6/