Резонансний інвертор
Термін резонансний інвертор об'єднує досить різноманітні схеми, загальною рисою яких є коливальний характер електромагнітних процесів. Тому до резонансних інверторів відносять і звичайний паралельний інвертор, який працює не в аперіодичному, а в коливальному режимі. Послідовний інвертор, який зазвичай працює в коливальному режимі, теж стосується резонансних інверторів. У той же час, коливальний характер електромагнітних процесів навіть у звичайному паралельному інверторі призводить до суттєвих відмінностей у роботі схеми, порівняно зі звичайним режимом. Принциповою перевагою будь-якого резонансного інвертора є сприятлива для роботи тиристорів, куполоподібна форма анодного струму, що призводить до істотного зниження комутаційних втрат завдяки перемиканню при низькому значенні струму, і дозволяє відчутно підвищити граничну частоту перетворювача.[1]
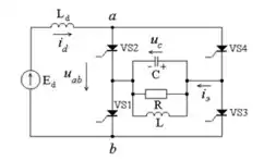
Паралельний резонансний інвертор

Складники схеми
4 робочих тиристори, зібраних за однофазною мостовою схемою, в діагональ змінного струму вмикається коло навантаження, комутаційна індуктивність виноситься в коло постійного струму. Параметри опору навантаження, а також комутуючі елементи вибираються з умови забезпечення коливального характеру зміни струму навантаження. Максимальна напруга на конденсаторі при перезаряді, має бути більше за напругу джерела постійної напруги.
Спосіб роботи

При відпиранні тиристорів і (момент на часовій діаграмі) комутуючий конденсатор С заряджається від джерела постійної напруги . Параметри елементів схеми вибираються таким чином, щоби заряд конденсатора відбувався за коливальним законом і струм тиристорів спадав до нуля (момент ) раніше миті відпирання наступної пари тиристорів (момент ). Протягом інтервалу … жоден з тиристорів не проводить струм і вхідний струм дорівнює нулю. Напруга на тиристорах і при цьому, дорівнює половині різниці напруги джерела живлення і комутуючого конденсатора . Напруга uc на проміжку … повинна перевищувати , щоби напруга на тиристорах і протягом цього інтервалу залишалася негативною.
У мить відпираються тиристори і і до тиристорів і прикладається напруга . Конденсатор перезаряджається, і напруга на тиристорах і змінює полярність. Кут запирання тиристорів складається з двох складових: кута непровідності тиристорів інвертора і власне кута запирання . У мить часу струм крізь тиристори і припиняється і напруга на комутуючому конденсаторі змінюється за таким же законом, що і в проміжку … . При відкриванні тиристорів і (мить ) цикл роботи інвертора повторюється.
Деякі параметри схеми та її елементів
Кут провідності тиристорів:
де коефіцієнт навантаження; частотний коефіцієнт. Середнє значення вхідного струму:
У режимі переривчастого вхідного струму напруга на навантаженні, комутуючому конденсаторі і на тиристорах залежить не тільки від параметрів навантаження, робочої частоти, величини ємності комутуючого конденсатора, але також і від величини кута провідності . Максимальні значення прямої і зворотної напруги на тиристорах можна визначити:
Порівняння характеристик паралельного інвертора струму і резонансного паралельного інвертора показує, що характер основних залежностей в обох інверторах приблизно однаковий. У резонансному інверторі швидкість наростання струму тиристора порівняно мала, оскільки форма імпульсу струму синусоїдальна, і тому не потрібно спеціальних пристроїв для обмеження . Тому резонансний інвертор може бути використаний за більш високої вихідної частоти. Крім того, в резонансному інверторі можна отримати великі значення кутів запирання.
Послідовний інвертор з відкритим входом без зворотних діодів

Принцип роботи даного інвертора полягає в наступному. При подаванні керувального сигналу на тиристор останній відпирається і конденсатор С починає заряджатися від джерела постійної напруги таким чином, що його верхня (за схемою) обкладка отримує позитивний потенціал. Наступного півперіоду, відпирається тиристор і конденсатор розряджається крізь ланцюг . Таким чином, крізь навантаження протікає змінний струм.
Параметри елементів схеми зазвичай підбираються таким чином, щоби струм тиристора протягом всього міжкомутаційного проміжку, змінювався за коливальним законом, тобто, в мить комутації напруга на дроселі була б більше напруги джерела живлення (). Якщо дана нерівність не буде виконуватися, то під час відпирання чергового тиристора, струм тиристора що проходив раніше не закриється і джерело живлення виявиться замкненим накоротко. Зазначена нерівність має зберегтися протягом деякого часу, достатнього для відновлення керованості тиристорів.
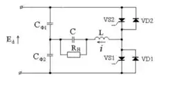
Однофазний півмостовий резонансний інвертор зі зворотними діодами


Необхідною умовою для нормальної роботи схеми є коливальний характер електромагнітних процесів, який має бути забезпечений при виборі параметрів комутуючого контуру . Робота схеми відбувається наступним чином: у разі вмикання тиристора , комутуючий конденсатор заряджається крізь дросель . Завдяки коливальному характеру процесу заряду, зарядний струм має куполоподібну форму і до миті закінчення зарядної півхвилі, ємність заряджається до напруги, приблизно вдвічі більшої, за напругу на конденсаторі фільтра . Тому по закінченню зарядної півхвилі, ємність розряджається назад на ємність фільтра крізь діод . Спад напруги на діоді є зворотним для раніше увімкненого тиристора , що і забезпечує відновлення його керованості, за умови, що тривалість протікання струму крізь діод достатня для відновлення керованості тиристора . Тут слід зазначити, що через малу зворотну напругу (близько 1 вольта), прикладену до раніше увімкненого тиристора, час відновлення його керованості може збільшуватися в 3 — 5 разів порівняно з класифікаційним. Для зменшення цього часу треба збільшувати зворотну напругу на тиристорі. Це можна зробити, наприклад, за рахунок увімкнення декількох діодів послідовно. При вмиканні тиристора весь процес повторюється, але з іншою полярністю. Таким чином, на ємності утворюється напруга приблизно синусоїдальної форми, частота якої вдвічі менша власної частоти комутуючого контуру .
Цінною властивістю схеми, є відносно жорстка зовнішня характеристика інвертора, що пояснюється можливістю двобічного обміну енергією між комутаційним конденсатором і джерелом живлення. Тому інвертори такого типу нормально працюють і в режимі холостого ходу.
Півмостова схема резонансного інвертора, розглянута вище, не є єдиним варіантом, як і інші види інверторів, резонансний інвертор із зворотними діодами, загалом, може бути реалізований за будь-якою відомою схемою випрямлення. На практиці-ж, знайшли застосування лише однофазні схеми, зокрема, однофазна мостова схема.[2]
Примітки
- 5 РЕЗОНАНСНЫЙ ИНВЕРТОР. literaturki.net. Процитовано 6 листопада 2016.
- 5.2 Принцип действия и основные соотношения для однофазного полумостового резонансного инвертора с обратными диодами. literaturki.net. Процитовано 6 листопада 2016.
Література
- В. С. Руденко, В. Я. Ромашко, В. Г. Морозов. Перетворювальна техніка. Частина 1: Підручник. — К.: ІСДО, 1996. — 262 с.
- Горбачёв Г. Н., Чаплыгин Е.Е Промышленная электроника. — М:. Энергоатомиздат , 1988 — 320c.
- Криштафович А. К., Трифонюк В. В. Основы промышленной электроники. перераб. и доп. — М.: Высш. шк., 1985. — 287 с.
Посилання
- http://literaturki.net/elektronika/osnovy-teorii-avtonomnyh-preobrazovatelei/303-rezonansnyi-invertor
- http://literaturki.net/elektronika/osnovy-teorii-avtonomnyh-preobrazovatelei/304-rincip-deistviya-i-osnovnye-sootnosheniya-dlya-odnofaznogo-polumostovogo-rezonansnogo-invertora-s-obratnymi-diodami
- http://www.power-e.ru/2012_3_62.php
- http://www.studfiles.ru/preview/5830965/page:5/
- http://literaturki.net/elektronika/osnovy-teorii-avtonomnyh-preobrazovatelei/296--posledovatelnyi-invertor
- http://www.ngpedia.ru/id57764p2.html