Кресленик деталі
Кре́сленик дета́лі (робо́чий кре́сленик) — кресленик, який містить зображення деталі та інші дані, згідно з якими її виготовляють і контролюють[1].

Процес виконання робочих креслеників за складальним креслеником чи креслеником загального виду часто називають деталюванням.
Загальні вимоги
Кресленик кожної деталі виконується на окремому аркуші креслярського формату з дотриманням загальних правил виконання креслеників (ГОСТ 2.109-73 [2]). Кресленик деталі повинен містити:
- необхідні зображення — вичерпні відомості про форму деталі: види, розрізи, перерізи, виносні елементи;
- всі необхідні розміри: габаритні, приєднувальні, розміри окремих елементів деталі, розміри для довідок;
- допуски розмірів;
- відомості про шорсткості поверхонь деталі;
- допуски на форму і взаємне розташування поверхонь;
- технічні вимоги, що слід забезпечити при виготовленні деталі (термічна обробка, покрив і т.д.);
- додаткові дані, необхідні для виготовлення і контролю деталі (наприклад, таблиці з параметрами на креслениках зубчастих коліс);
- особливі вимоги до спільно оброблюваних деталей;
- марку матеріалу деталі і Державний стандарт на нього (та за потреби сортамент (металопрокат): круг, лист тощо згідно відповідних стандартів);
- основний напис за формою 1 відповідно до ГОСТ 2.104-2006[3]. Також дозволяється використовувати основний напис згідно стандарту ДСТУ EN ISO 7200:2005 [4].
Вимоги до зображень
Всі види, розрізи та перерізи подаються згідно з ГОСТ 2.305-68[5] та/або ДСТУ ISO 128-30:2005[6]; ДСТУ ISO 128-34:2005[7]; ДСТУ ISO 128-40:2005[8]; ДСТУ ISO 128-44:2005[9]; ДСТУ ISO 128-50:2005[10].
Зображення на кресленні виконуються за методом паралельного прямокутного проеціювання[11]. Кількість видів та інших зображень повинна бути:
- мінімальною, але забезпечувати повне уявлення про внутрішні і зовнішні форми деталі;
- достатньою для нанесення всіх необхідних для виготовлення деталі розмірів.
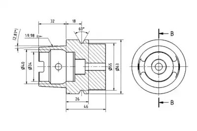
Як головний вид вибирають вид, що дає найповніше уявлення про форму і розміри предмета. Головний вид деталі вибирається незалежно від її розташування на складальному кресленні. Зазвичай зображення головного виду деталі типу «корпус» відповідає її робочому стану, а для деталей у вигляді тіл обертання (вали, осі, втулки тощо), головний вид розташовують так, щоб їх поздовжні осі були горизонтальними. Лінії невидимого контуру на кресленику показувати не рекомендується — доцільно частини деталі, що мають внутрішні отвори і порожнини, розсікати січними площинами і показувати їх у вигляді розтинів (розрізів) або перерізів. Для графічного зображення будь-якої частини деталі, що має дрібні конструктивні особливості, її слід додатково показати у вигляді виносного елемента і у більшому масштабі.
На частині зображення деталі, що розсічена січною площиною, наноситься штрихування. Штрихування деталей, виготовлених з металів і твердих сплавів, виконується суцільними тонкими лініями під кутом 45° або до лінії контуру зображення чи до його осі.
Вимоги до написів
Написи, що наносяться на кресленику та іншу технічну документацію, наносяться креслярським шрифтом ГОСТ 2.304-81[12] або ДСТУ ISO 3098-6:2007[13]. На креслениках, виконаних олівцем (і за допомогою ЕОМ), розмір шрифту повинен бути не меншим за 3,5. Рекомендований розмір шрифту при нанесенні розмірів — 5, технічних вимог — 7. Рекомендується використовувати похилий шрифт (типу Б), що має кут нахилу близько 75 ° до основи рядка (розмір шрифта в цьому випадку вимірюється по перпендикуляру до основи рядка).
Вимоги до зазначення розмірів
Всі розміри проставляються з врахуванням їх граничних відхилів згідно з ДСТУ ГОСТ 2.307:2013[14] та/або згідно ДСТУ ISO 129-1:2007[15].
Лінійні розміри (довжина, ширина, висота, товщина, діаметри і радіуси деталі) зазначають вказують в міліметрах в десятковій системі числення без позначення одиниці вимірювання. Виняток становить позначення різі, де розміри можуть проставлятися у вигляді простих дробів з умовним позначенням дюйма (наприклад: К 3/4" ГОСТ 6111-52[16]).
Кутові розміри зазначають у позасистемних одиницях вимірювання плоского кута, а саме, в градусах, мінутах, секундах, завжди з позначенням одиниці вимірювання (наприклад: 7 ° 14 ' 30 ").
Всі числові значення розмірів, проставлені на кресленику, відповідають їх натуральній величині незалежно від того, в якому масштабі зображений сам предмет. При вирішенні питання про те, які саме розміри необхідно проставити на кресленику, треба враховувати технологію виготовлення деталі та її положення відносно сполучених з нею деталей.

Повторення розмірів на різних зображеннях не допускається. Самі розміри можна наносити одним з наступних способів:
- ланцюжковим способом, що полягає в послідовному заданні розмірів між суміжними елементами ланцюжком;
- координатним способом, при якому всі розміри завдаючи від загальної бази;
- комбінованим способом, що є поєднанням двох попередніх способів.
Розмірні лінії рекомендується наносити поза контуром зображення. Відстань між паралельними розмірними лініями повинна бути не меншою за 7 мм, між розмірною лінією і лінією контуру — не меншою за 10 мм.
По можливості слід уникати перетину розмірних і виносних ліній. Для цього коротші розмірні лінії проводять ближче до ліній контуру, довші — далі від них.
Умовні знаки в розмірах
При поставлянні розмірів використовуються умовні знаки. Умовний знак ставиться перед розмірним числом:
- Діаметр: ∅ 20;
- Радіус: R 10;
- Квадрат: ;
- Конусність (відношення різниці діаметрів великої і малої основ конуса до його висоти): ;
- Ухил (відношення висоти підйому до довжини ділянки): ∠ 12%;
- Сфера:
- Товщина: s0,4[14] або t=0,4[15];
- Розміри для довідок:
- Метрична різь: М 12;
- Приклади використання умовних знаків на креслениках




Зазначення допусків на розміри
Умовне позначення поля допуску проставляється після номінального розміру одним з наступних способів:
- умовними позначками полів допусків, наприклад:
- чи 12 е8;
- числовими значеннями граничних відхилень, наприклад:
- чи ;
- комбінованим способом, наприклад:
- чи .
Якщо граничні відхилення розмірів не зазначено безпосередньо після розміру, то вони обумовлюються в технічних вимогах над основним написом, наприклад:
- «Не вказані граничні відхили розмірів H14, h14, ± IT14/2».
Допуски на форму і взаємне розташування поверхонь
Допуски на форму і взаємне розташування поверхонь деталі виконують згідно ДСТУ ГОСТ 2.308:2013[17] або ДСТУ EN ISO 5459:2018[18] та ДСТУ EN ISO 8015:2018[19].
Позначення шорсткості поверхонь

На робочому кресленику для всіх поверхонь, що підлягають обробці повинна вказуватись величина шорсткості (ГОСТ 2.309-73[20]), яка визначається як середнє арифметичне відхилення профілю (Ra) або висота нерівностей профілю по 10 точках (Rz) в мікронах. Шорсткість поверхонь вказується спеціальними знаками, які розміщують на лініях контуру або виносних лініях. Робочі поверхні необхідно обробляти ретельніше, ніж поверхні, що не стикаються з іншими деталями.
У випадках, коли більшість поверхонь має однакову шорсткість, її позначення поміщають у правому верхньому куті кресленика і в дужках поруч з ним наносять знак шорсткості без позначення шорсткості. Розміри знака шорсткості в дужках і на зображенні повинні бути однаковими, а розмір знака перед дужками — у 1,5 рази більший.
Примітки
- ДСТУ 3321:2003 Система конструкторської документації. Терміни та визначення основних понять.
- ГОСТ 2.109-73 Единая система конструкторской документации. Основные требования к чертежам.
- ГОСТ 2.104-2006 Единая система конструкторской документации. Основные надписи.
- ДСТУ EN ISO 7200:2005 Розроблення технічної документації. Графи у штампах та основних написах.
- ГОСТ 2.305-68 ЕСКД. Изображения - виды, разрезы, сечения.
- ДСТУ ISO 128-30:2005 Кресленики технiчнi. Загальнi принципи оформлення. Частина 30. Основнi положення про види (ISO 128-30:2001, IDT).
- ДСТУ ISO 128-34:2005 Кресленики технiчнi. Загальнi принципи оформлення. Частина 34. Види на машинобудiвних креслениках (ISO 128-34:2001, IDT).
- ДСТУ ISO 128-40:2005 Кресленики технiчнi. Загальнi принципи оформлення. Частина 40. Основнi положення про розрiзи та перерiзи (ISO 128-40:2001, IDT)
- ДСТУ ISO 128-44:2005 Кресленики технiчнi. Загальнi принципи оформлення. Частина 44. Розрізи та перерiзи на машинобудiвних креслениках (ISO 128-44:2001, IDT).
- ДСТУ ISO 128-50:2005 Кресленики технiчнi. Загальнi принципи оформлення. Частина 50. Основнi положення про зображення розрiзiв i перерiзiв (ISO 128-50:2001, IDT).
- ГОСТ 2.305-2008 Единая система конструкторской документации. Изображения — виды, разрезы, сечения.
- ГОСТ 2.304-81 Единая система конструкторской документации. Шрифты чертежные.
- ДСТУ ISO 3098-6:2007 Документація технічна на вироби. Шрифти. Частина 6. Кирилична абетка (ISO 3098-6:2000, IDT).
- ДСТУ ГОСТ 2.307:2013 Єдина система конструкторської документації. Нанесення розмірів і граничних відхилів (ГОСТ 2.307-2011, IDT)
- ДСТУ ISO 129-1:2007 Кресленики технiчнi. Проставлення розмiрiв i допускiв. Частина 1. Загальнi принципи (ISO 129-1:2004, IDT).
- ГОСТ 6111-52 Резьба коническая дюймовая с углом профиля 60 градусов.
- ДСТУ ГОСТ 2.308:2013 ЄСКД. Зазначення допусків форми та розміщення поверхонь (ГОСТ 2.308-2011, ІDT).
- ДСТУ EN ISO 5459:2018 Технічні вимоги до геометричних характеристик продукції (GPS). Геометричні допуски.Бази та системи баз (EN ISO 5459:2011, IDT; ISO 5459:2011, IDT).
- ДСТУ EN ISO 8015:2018 Технічні вимоги до геометричних характеристик продукції (GPS). Принципи базових допусків (EN ISO 8015:2011, IDT; ISO 8015:2011, IDT).
- ГОСТ 2.309-73 Единая система конструкторской документации. Обозначения шероховатости поверхностей.
Джерела
- Островський О. Інженерне креслення з додатком основ комп'ютерного креслення (CAD): Навчальний посібник для студентів технічних навчальних закладів .- Львів: Оксарт, 1998. — 184 с. — ISBN 966-7113-27-2
- Інженерна графіка: креслення, комп'ютерна графіка: Навчальний посібник / За ред. А. П. Верхоли .— К.: Каравела, 2005 .- 304 с.- Вища освіта в Україні. — ISBN 966-8019-35-0
Література
- Деталювання креслеників загального виду. Навчальний посібник для студентів теплоенергетичного факультету усіх форм навчання. / Гетьман О. Г., Білицька Н. В., Баскова Г. В., Ветохін В. І. — К.: НТУУ «КПІ», 2011. — 122 с.
Посилання
- (рос.) Сховище креслень — каталог різноманітних креслень.