Технологія збагачення вольфрамових руд
Технологія збагачення вольфрамових руд
Сировинна база
Родовища вольфрамових руд поділяють на 4 промислових типи: жильні, штокверкові, скарнові і розсипні. Основні промислові мінерали вольфраму: вольфраміт (76,5 %), гюбнерит (76,6 %), ферберит (76,3 %) і шеєліт (80,6 %).
Родовища жильного типу характеризуються високим вмістом WO3 (0,5 – 2 %) і відіграють значну роль в запасах і видобутку вольфраму. В цих родовищах вольфрам представлений вольфрамітом, гюбнеритом, ферберитом і рідше шеєлітом. Вольфрамові мінерали залягають в кварцових жилах невеликої потужності (0,3-1 м). Частіше за все зустрічаються кварц-вольфрамітові і кварц-каситерито-вольфрамітові жили. Супутні мінерали: пірит, халькопірит, мінерали молібдену, олова, арсену, бісмуту і золота.
Штокверкові родовища зустрічаються рідко, мають низький вміст WO3, але характеризуються дуже великими розмірами і містять великі запаси руди. Вольфрамові мінерали (вольфраміт, гюбнерит, шеєліт) дрібно вкраплені в ґранітні породи.

Скарнові родовища представлені, головним чином, шеєлітом і молібденітом. Родовища цього типу відіграють дуже важну роль в запасах і видобутку вольфраму. Скарнові родовища контактного типу зв’язані з зонами контакту ґранітних порід з вапняками, для них характерні поклади шеєлітового скарну. Разом з шеєлітом часто присутні мінерали молібдену.
Розсипні родовища відіграють невелику роль в запасах вольфраму, але велику в його видобутку. Вольфраміт і шеєліт – стійкі мінерали, вони накопичуються при вивітрюванні жильних родовищ і утворюють розсипи. Вольфрамітові розсипі містять каситерит. Промисловий вміст WO3 в них значно нижче (0,03 – 0,1 % WO3), ніж в корінних рудах, але їх розробка значно простіша і економічно вигідніше.
Залежно від мінерального складу родовища вольфраму розрізняють на вольфрамітові і шеєлітові.
Основні методи збагачення
Шеєлітова руда

Для шеєлітових руд основний метод збагачення – флотація, а гравітаційні процеси можуть бути використані або для попереднього збагачення, або для перечищення продуктів флотації (рис. 1).
Дроблена руда подрібнюється в кульових млинах, що працюють в замкненому циклі з гідроциклонами, до крупності 40 – 50 % класу – 0,074 мм. Злив гідроциклонів надходить на основну шеєлітову флотацію, де розділяється на концентрат і відходи. Якість концентрату основної флотації підвищується перечисною флотацією (дві-три операції). Збирачами при флотації шеєліту є олеїнова кислота, олеат натрію, емульсії і суміші жирних кислот і ін. Регуляторами при флотації шеєліту служать сода, іноді їдкий натр і рідке скло, як диспергатор і депресор ґранату, кварцу, кальциту і інших породних мінералів. Відходи основної флотації збагачуються на концентраційних столах з одержанням концентрату і відвальних відходів.
При флотації шеєлітових руд найскладніше відділити шеєліт від кальциту, флюориту, апатиту, ґранату, бариту. Ці мінерали видаляють в перечисних операціях і вилуговуванням.
Вольфрамітова руда

Вольфрамітові руди, як правило, збагачують в дві стадії – первинне гравітаційне збагачення і доводка чорнових концентратів різними методами, що пояснюється низьким вмістом вольфраму в рудах (0,1 – 0,8 % WO3) і підвищеними вимогами до якості кондиційних концентратів (55 – 65 % WO3). Крім того, вольфрамітові корінні руди і розсипи звичайно містять ряд інших важких мінералів (каситерит, колумбіт, танталіт, магнетит та інші). Виділення мономінеральних концентратів, що задовольняють вимогам стандартів, і є задачею другої стадії переробки.
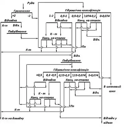
З урахуванням великої густини вольфрамових мінералів (6 – 7,5 т/м3) при гравітаційному збагаченні можуть бути з успіхом використані: відсадка, концентрація на столах, шлюзах, струминних і ґвинтових сепараторах. При тонкому вкрапленні цінних мінералів гравітаційні процеси повинні використовуватися разом з флотацією. Схема збагачення вольфрамітової руди наведена на рис. 2.
Вольфрамітова руда звичайно дробиться до крупності 10-12 мм. В схеми деяких руд включається промивка і знешламлення. Часто застосовується попереднє збагачення, завдяки чому у відвал видаляється значна частина породи. В схемах збагачення вольфрамітових руд перед гравітаційними процесами передбачається грохочення і гідравлічна класифікація, що забезпечує підвищення ефективності збагачувальних операцій. Переваги збагачення класифікованого матеріалу в порівнянні з некласифікованим полягає в тому, що збагачення можна провадити в оптимальних для даної фракції умовах.
При збагаченні крупних класів застосовується відсадка, дрібних – концентрація на столах. В більшості випадків для одержання бідних відвальних відходів крупні фракції відходів необхідно подрібнювати і повторно збагачувати, тому що при тонкому вкрапленні вольфраміту в пустій породі розкриття зростків досягається при більш тонкому подрібненні. Якщо в руді поряд з крупновкрапленим вольфрамітом є значна кількість тонковкраплених мінералів, що потребує більш тонкого подрібнення, в технологічній схемі необхідно передбачити цикл операцій для переробки шламів (рис. 3).
Для забезпечення повного вилучення вільних зерен вольфраміту в концентрат промпродукт концентраційних столів необхідно піддавати багаторазовим перечищенням.
Використання
Значна кількість вольфраму використовується для виробництва швидкорізальних спеціальних сталей, які зберігають високу твердість і зносостійкість при температурах до 650°C. Найбільш високоякісні інструментальні тверді сплави створюються з карбіду вольфраму методами порошкової металургії, вони зберігають високу твердість при нагріванні до 1100°C, що дозволяє значно підвищити швидкість різання.
Жароміцні і зносостійкі сплави вольфраму з кобальтом і хромом застосовують для покриття деталей машин, що сильно зношуються (клапани авіадвигунів, лопаті турбін). Сплави вольфраму з молібденом, танталом, ніобієм застосовують як жароміцні матеріали в авіаційній і ракетній техніці.
Сплави вольфраму з нікелем і міддю застосовують в радіотерапії для захисту від γ-промінів, а також для виготовлення контейнерів для збереження радіоактивних ізотопів. Чистий вольфрам (дріт, стрічки і ін.) застосовується у виробництві електроламп, радіоелектроніки, рентгенотехніки. Вольфрамовий дріт і прутки служать електронагрівачами у високотемпературних печах. Ряд хімічних сполук вольфраму застосовують в текстильній промисловості для виготовлення вогнетривких і водостійких тканин і ін.