Трансформатор Тесли
Трансформа́тор Те́сли, також коту́шка Те́сли (англ. Tesla coil) — пристрій, винайдений Ніколою Теслою, що носить його ім'я і виконаний у вигляді трансформатора, ввімкнутого обмотками в коливальні контури, які працюють в резонансному режимі та служить для утворення високої електричної напруги (десятки кіловольтів) високої частоти (зазвичай, 20...100 кГц). Прилад було запатентовано 22 вересня 1896 року, як «Апарат для вироблення електричних струмів високої частоти і потенціалу»[1]




Головний принцип роботи
Роботу резонансного трансформатора можна пояснити на прикладі звичайної гойдалки. Якщо її розгойдувати в режимі вимушених коливань, то максимально досягнута амплітуда буде пропорційною до прикладеного зусилля. Якщо ж розгойдувати в режимі вільних, резонансних коливань, то при незначних зусиллях максимальна амплітуда зростає багатократно.
Так і з трансформатором Тесли — в ролі гойдалок виступає вторинний коливальний контур, а в ролі джерела прикладеного зусилля — генератор. Їх узгодженість («підштовхування» строго у потрібні моменти часу) забезпечує первинний контур або задає генератор (залежно від конструкції).
Історія створення трансформатора Тесли
| Текст вилучений зі статті через підозру в порушенні авторських прав |
![]() Текст, який раніше перебував на цій сторінці, запідозрений у порушенні авторських прав через те, що є дослівним перекладом з таких джерел:
Тому, хто поставив цей шаблон: |
|
Не редагуйте статтю зараз, навіть якщо ви збираєтеся її переписати. Додержуйтеся вказівок нижче.
У випадку, якщо новий текст написаний не буде, ця стаття буде вилучена через тиждень після появи цього попередження. (Детальніше див. документацію шаблону.) Вихідний текст цієї статті з можливим порушенням копірайту можна знайти в історії змін. Зверніть увагу, що розміщення у Вікіпедії матеріалів, включаючи дослівний переклад, автор яких не надав явного дозволу на їхнє використання відповідно до ліцензії GNU FDL без незмінюваних секцій та Creative Commons із зазначенням автора / розповсюдження на тих самих умовах, може бути порушенням законів про авторське право. Користувачі, які додають до Вікіпедії такі матеріали, можуть бути тимчасово позбавлені права редагувати статті. Незважаючи ні на що, ми завжди раді вашим оригінальним статтям. Дякуємо. |
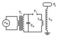
Будова трансформатора Тесли
Найпростіший трансформатор Тесли складається з двох котушок — первинної LP та вторинної LS, а також розрядника F1 (часто зустрічається англійський варіант назви Spark Gap), конденсатора CP і терміналу F2. Подача живлення здійснюється від джерела змінної напруги через низькочастотний трансформатор високої напруги T1.
Первинна котушка зазвичай містить декілька витків дроту великого діаметра або мідної трубки, а вторинна — близько 1000 витків дроту меншого діаметра. Первинна котушка може бути плоскою (горизонтальною), конічною або циліндричною (вертикальною). На відміну від звичайних трансформаторів, тут немає феромагнітного осердя. Таким чином, взаємоіндукція між двома котушками є набагато меншою, ніж у трансформаторів з феромагнітним осердям. Первинна котушка разом з конденсатором утворює коливальний контур, в який включено нелінійний елемент — розрядник.
Розрядник, в простому випадку — звичайний газовий, має вигляд двох масивних електродів з регульованим проміжком. Електроди повинні бути стійкими до проходження значних струмів через електричну дугу між ними і мати ефективне охолодження.
Вторинна котушка також утворює коливальний контур, де роль конденсатора головним чином виконують ємність терміналу і власна міжвиткова ємність самої котушки. Вторинну обмотку часто покривають шаром епоксидної смоли або лаку для запобігання виникненню електричного пробою.
Термінал може бути виконаний у вигляді диска, заточеного штиря, тороїда або сфери і призначений для утворення іскрових розрядів великої довжини.
Таким чином, основою трансформатора Тесли є два взаємопов'язаних коливальних контури, що і визначає його особливі властивості та є головною його ознакою. Для повноцінної роботи трансформатора ці два коливальні контури мають бути налаштовані на одну резонансну частоту. Зазвичай в процесі налагодження підлаштовують первинний контур під частоту вторинного через зміну ємності конденсатора і числа витків первинної обмотки до отримання максимальної напруги на виході трансформатора.
Фази роботи трансформатора
Трансформатор Тесли розглянутої (найпростішої) конструкції, зображеної на принциповій схемі, працює в імпульсному режимі. Перша фаза — це зарядження конденсатора до напруги пробою розрядника. Друга фаза — генерування високочастотних коливань у первинному контурі. Розрядник, включений паралельно, замикаючи джерело живлення (трансформатор), вимикає його з контуру, інакше джерело живлення вноситиме певні втрати в первинний контур і цим знижуватиме його добротність. На практиці цей вплив може в рази зменшити довжину розряду, тому у схемі трансформатора Тесли завжди паралельно до джерела живлення ставиться розрядник.
Зарядження
Конденсатор заряджається зовнішнім джерелом високої напруги на базі підвищувального низькочастотного трансформатора T1. Ємність конденсатора вибирається таким чином, щоби разом з котушкою індуктивності вона становила резонансний контур з частотою резонансу, рівній власній частоті вторинного контуру. Але дійсна ємність відрізнятиметься від розрахункової, бо частина енергії витрачається на «накачування» другого контуру. Напруга заряду обмежена напругою пробою розрядника, яку (в разі повітряного розрядника) можна регулювати, змінюючи відстань між електродами чи їх форму. Зазвичай напруга заряду конденсатора лежить у діапазоні 2…20 кіловольт.
Генерування
Після досягнення між електродами розрядника напруги пробою в ньому виникає лавиноподібний електричний пробій газу. Конденсатор розряджається через розрядник на котушку. Під час розряду конденсатора напруга пробою розрядника різко зменшується через надлишок у газі носіїв заряду (іонів). Тому коло коливального контуру, складене з первинної котушки та конденсатора, залишається замкнутим через розрядник, і в ньому виникають високочастотні коливання. Коливання поступово затухають, переважно через втрати в розряднику і віддачу електромагнітної енергії на вторинну котушку, та тривають доти, поки струм створює достатню кількість носіїв заряду для підтримання напруги пробою розрядника істотно меншої від амплітуди коливань напруги у цьому контурі. У вторинному колі виникають резонансні коливання, що призводить до появи на терміналі високої напруги.
Ефекти, що спостерігаються при роботі трансформатора Тесли


Під час роботи котушка Тесли створює візуально гарні ефекти, пов'язані з утворенням різних видів газових розрядів.. Часто створюють трансформатори Тесли заради того, щоб подивитися на ці дивовижно гарні явища. Загалом котушка Тесли може спричиняти 4 види розрядів:
- Стримери (від англ. Streamer) — тьмяно світяться тонкі розгалужені канали, що містять іонізовані атоми газу й відщеплені від них вільні електрони. Протікає від термінала (або від найбільш гострих чи суттєво викривлених високовольтних частин) котушки прямо в повітря, не йдучи в землю, так як заряд рівномірно стікає з поверхні розряду через повітря в землю. Стример — це, по суті справи, видима іонізація повітря (свічення іонів), що створюється високовольтним полем трансформатора.
- Спарк (від англ. Spark) — це іскровий розряд. Йде з терміналу (або з найбільш гострих, викривлених високовольтних частин) безпосередньо в землю або в заземлений предмет. Являє собою пучок яскравих, що швидко зникають або змінюють одна одну ниткоподібних, часто сильно розгалужених смужок — іскрових каналів. Також має місце особливий вид іскрового розряду — ковзний іскровий розряд.
- Коронний розряд — світіння іонів повітря в електричному полі високої напруги. Створює гарне блакитнувате світіння навколо високовольтних частин конструкції із великою кривиною поверхні.
- Дуговий розряд — утворюється у декількох випадках. Наприклад, при достатній потужності трансформатора, якщо до його терміналу близько піднести заземлений предмет, між ним і терміналом може загорітися дуга (іноді потрібно безпосередньо доторкнутися предметом до терміналу і потім розтягнути дугу, відводячи предмет на більшу відстань). Особливо це властиво ламповим конструкціям апаратів. Якщо котушка недостатньо потужна і надійна, то спровокований дуговий розряд може пошкодити її компоненти.
Часто можна спостерігати (особливо поблизу потужних котушок), як розряди йдуть не лише від самої котушки (її терміналу), але і від заземлених предметів в її бік. Також на таких предметах може виникати і коронний розряд. Інколи можна спостерігати також тліючий розряд. Цікаво зауважити, що деякі іонні хімічні речовини, нанесені на розрядний термінал, здатні міняти колір розряду. Наприклад, іони натрію змінюють звичайний колір спарка на помаранчевий, а бору — на зелений.
Робота резонансного трансформатора супроводжується характерним електричним тріском. Поява цього явища пов'язана з перетворенням стримерів в іскрові канали (див. статтю іскровий розряд), який супроводжується різким зростанням сили струму та кількості енергії, що виділяється в них. Кожен канал швидко розширюється, в ньому стрибкоподібно підвищується тиск, внаслідок чого на його границях виникає ударна хвиля. Сукупність ударних хвиль від іскрових каналів, що розширюються, породжує звук, що сприймається як «тріск» іскри.
Основні види котушок Тесли
У всіх типах трансформаторів Тесли основний елемент трансформатора — первинний і вторинний контури — залишається незмінним. Проте одна з його частин — генератор високочастотних коливань може мати різну конструкцію.
Типи котушок прийнято називати абревіатурою з назви англійською. Якщо назву необхідно сказати українською, англійську абревіатуру просто транслітерують без перекладу.
Найпоширеніші типи котушок Тесли:
SGTC (Spark Gap Tesla Coil) — трансформатор Тесли на розряднику. Найперша і «класична» конструкція (її використовував сам Н.Тесла). Як ключовий елемент використовується розрядник. У малопотужних конструкціях розрядник — просто два шматки дроту, що знаходяться на деякій відстані, а в потужних — складні обертові (роторні) розрядники. У конструкції роторного іскрового розрядника використовується електродвигун, що обертає диск з електродами, які наближаються (або просто замикають) до відповідних електродів для замикання первинного контуру. Швидкість обертання валу і розташування контактів вибираються виходячи з необхідної частоти проходження пачок коливань. Також використання обертового іскрового розрядника суттєво знижує ймовірність виникнення паразитної дуги між електродами. Трансформатори цього типу є ідеальними, якщо потрібно отримати лише велику довжину стримера.
Різновиди цього типу: ACSGTC — трансформатори, на живлення яких подається невипрямлена мережева напруга (наприклад, 220В, 50 Гц) і DCSGTC — на конденсатори подається випрямлена напруга. Це дозволяє збільшити ККД (отримати при тій-же потужності довші стримери) і зробити роботу трансформатора стабільнішою, однак потребує складніших розрахунків і ускладнює схему.
VTTC (Vacuum Tube Tesla Coil) — трансформатор Тесли на електровакуумній лампі. У цій конструкції як генератор високочастотних коливань використовуються електронні лампи. Зазвичай це потужні генераторні лампи, такі як ГУ-81, проте зустрічаються і малопотужні конструкції. Одна з особливостей — відсутність потреби у високій напрузі. Для отримання порівняно невеликих розрядів достатньо 300…600 В. Також VTTC практично не видає шуму, що з'являється при роботі котушки Тесла на іскровому розряднику. Такі трансформатори можуть працювати у неперервному режимі і утворювати товсті («жирні») стримери.
SSTC (Solid State Tesla Coil) — трансформатор Тесли, у якому як ключовий елемент використовуються напівпровідникові компоненти. Конструкція включає в себе задаючий генератор (з регульованою частотою, формою та тривалістю імпульсів) і силові ключі (потужні польові КМОН-транзистори). Даний вид котушок Тесли є найцікавішим з декількох причин: змінюючи тип сигналу на ключах, можна кардинально змінювати візуальний вигляд розряду. Також, високочастотний сигнал генератора можна модулювати звуковим сигналом, наприклад музикою — звук буде випромінюватись із самого розряду. Втім, аудіомодуляція можлива (після незначних допрацювань) і в VTTC конструкціях. До інших переваг можна віднести потребу у відносно низькій напрузі живлення і відсутність шуму при роботі.
DRSSTC (Dual Resonant Solid State Tesla Coil) — трансформатор з двома резонансними контурами, в якому як ключі використовуються напівпровідникові елементи, у переважній більшості випадків, це IGBT-транзистори. DRSSTC — найскладніший у виготовленні і налаштуванні тип трансформаторів Тесли. Характерна довжина стримерів для трансформатора цього типу трохи менша ніж у SGTC, а керованість трохи гірша, ніж у SSTC.
Патенти Тесли
- "Electrical Transformer Or Induction Device". U.S. Patent No. 433,702, August 5, 1890[2]
- "Means for Generating Electric Currents", U.S. Patent No. 514,168, February 6, 1894
- "Electrical Transformer", Patent No. 593,138, November 2, 1897
- "Method Of Utilizing Radiant Energy", Patent No. 685,958 November 5, 1901
- "Method of Signaling", U.S. Patent No. 723,188, March 17, 1903
- "System of Signaling", U.S. Patent No. 725,605, April 14, 1903
- "Apparatus for Transmitting Electrical Energy", January 18, 1902, U.S. Patent 1,119,732, December 1, 1914
Див. також
Примітки
- Патент США № 568 176 від 22 вересня 1896. Apparatus for producing electric currents of high frequency and potential. Опис патенту на сайті Бюро по реєстрації патентів і торгових марок США.
- History of Wireless By Tapan K. Sarkar, et al. ISBN 0-471-78301-3
Джерела
- William J. Beaty Nikola Tesla Page, tesla coils (англ.)
- Bert Hickman Nikola Tesla Information Center (англ.)
- Tesla-coil.com Сайт, присвячений трансформаторам Тесли. (англ.)
Посилання
- Трансформатори Тесли на Open Directory Project
- Трансформатор Тесли
- Як зібрати трансформатор Тесли[недоступне посилання з листопадаа 2019]
- Як працює трансформатор Тесли? // Zbruch, 16.07.2014

