Тягова підстанція
Тя́гова підста́нція — у загальному випадку, електроустановка для перетворення та розподілу електричної енергії. Тягові підстанції призначені для зниження електричної напруги і подальшого перетворення струму (тільки для підстанцій постійного струму) для передачі його в контактну мережу для забезпечення електричною енергією електровозів, трамваїв і тролейбусів.
Види
Тягові підстанції бувають постійного і змінного струму.
Тягові підстанції будуються вздовж полотна залізниці на відстані 5-25 км для підстанцій постійного струму і 50—80 км для підстанції змінного струму. Це відстань залежить як від розмірів руху поїздів, так і від профілю шляху. Отримують електроенергію від підстанцій енергопостачальних організацій по повітряних і кабельних лініях електропередачі напругою 10—220 кВ. Електроенергія надходить у відкритий розподільний пристрій, на знижувальний трансформатор. З знижувального трансформатора електроенергія надходить на тяговий трансформатор, звідки вона подається на перетворювальний агрегат (випрямляч). З перетворювального агрегату випрямлений струм подається на основну та резервну системи шин і розподіляється в контактну мережу через швидкодіючі автомати.

Тягові підстанції змінного струму мають те ж призначення, що й підстанції постійного струму, за винятком того, що в них відсутні перетворювальні агрегати для випрямлення струму.
Історично склалося так, що тягові підстанції в Україні іноді були єдиними джерелами електричної енергії прийнятного рівня напруги для її подальшого розподілу, тому на всіх тягових підстанціях є розподільний пристрій для розподілу і транспортування електричної енергії напругою 35—0,4 кВ як залізничним, так і незалізничним споживачам.
У метро тягові підстанції мають номінальну вихідну напругу 825 В, а трамваїв та тролейбусів — 600 В в більшості міст, зокрема пострадянських, або 750 В в деяких містах Європи та Америки.
Тягові підстанції залізниці
Тягова підстанція залізниці призначена для розподілу, перетворення електроенергії, живлення тягових (електрорухомого складу) і нетягових залізничних, а також інших споживачів. Тягові підстанції залізниці отримують електроенергію від енергосистеми через систему зовнішнього електропостачання, після чого енергія розподіляється між тяговими (через систему тягового електропостачання) і нетягових споживачами.
Класифікація
За способом приєднання до системи зовнішнього електропостачання:
- Опорна (вузлова) — отримує живлення від мережі зовнішнього електропостачання трьома і більше лініми електропередачі напругою 110 або 220 кВ, і виконує функції джерела для інших тягових підстанцій.
- Тупикова (кінцева) — отримує живлення по двом радіальним ЛЕП від сусідньої підстанції.
- Проміжна — отримує живлення по вводах від двох сусідніх підстанцій. Проміжна ПС в свою чергу буває:
- Транзитна (прохідна) — включається в розтин ЛЕП.
- Відпаєчна — підключається до відпайки(відгалуження) ЛЕП.
За системою електричної тяги:
- Постійного струму 3,3 кВ. За типом перетворювачів бувають:
- Випрямляючі
- Випрямляючо-інверторні
- Змінного струму 27,5 кВ або 2х27,5 кВ.
- Стикові (зінного/постіного струму).
За значенням напруги живлення:
- 35, 110, 220 кВ
За системою керування:
- Телекеровані
- Нетелекеровані
За способом обслуговування:
- Без чергового персоналу
- З чергуванням вдому
- З постійним черговим персоналом
За типом розміщення:
- Стаціонарні
- Пересувні
Схеми зовнішнього електропостачання тягових підстанцій
Як правило відстань між сусідніми тяговими підстанціями не перевищує: 15 км на постійному струмі і 50 км - на змінному.
Кожна тягова підстанція отримує живлення від двох незалежних джерел, так як електрифіковані залізниці є споживачем першої категорії. Живлення тягових підстанцій може здійснюється по одноланцюгової ЛЕП, Дволанцюговий ЛЕП на загальних і на роздільних опорах.
- При живленні від одноланцюгової лінії між опорними підстанціями розташовуються не більше трьох транзитних підстанцій.
- При живленні від дволанцюговий лінії на загальних опорах:
- для ЛЕП-220 кВ — не більше п'яти транзитних при електричній тязі як на змінному, так і постійному струмі;
- для ЛЕП-110 кВ - не більше п'яти транзитних при електричній тязі на постійному і трьох - на змінному струмі.
- При живленні від дволанцюговий лінії на роздільних опорах:
- для ЛЕП-220 кВ - не більше п'яти підстанцій (2 транзитні 3 цих відгалужень) при електротязі як на постійному, так і на змінному струмі;
- для ЛЕП-110 кВ - не більше п'яти підстанцій (2 транзитні 3 цих відгалужень) при електричній тязі на постійному і трьох (2 транзитні 1 цих відгалужень) - на змінному струмі.
Ввід
На тягові підстанції залізниці надходить енергія напругою 110, 220 кВ, на деякі старі тягові підстанції постійного струму може надходити напруга 35 кВ.
Тягові підстанції мають від 2 (на транзитних, підключених до цих відгалужень, тупикових підстанціях) до 6 (на опорних підстанціях) вводів.
Розподільче устаткування високої напруги
Зазвичай це РУ-110 або 220 кВ, від них через понижуючі трансформатори енергія надходить на РУ-6, 10, 35 кВ, а також на тягове РУ-27,5 кВ.
На деяких підстанціях постійного струму РУ високої напруги може бути 35 кВ, в цьому випадку від нього живляться: через перетворюючі агрегати тягове РУ-3,3 кВ, трансформатори власних потреб, РУ-6, 10 кВ, а також нетягових споживачі.
Схеми РУ високої напруги різняться в залежності від типу підстанції.
Розподільні пристрої низької напруги
На тягових підстанціях змінного струму РУ 6 (10) і 35 кВ використовуються тільки для живлення нетягових споживачів. Для живлення тягових споживачів, а також трансформаторів власних потреб використовується РУ-27,5 кВ.
На тягових підстанціях постійного струму РУ-6, 10 кВ використовуються для живлення: через перетворюючі агрегати РУ 3,3 кВ, трансформаторів власних потреб, а також нетягових споживачів. РУ 35 кВ використовується тільки для живлення нетягових споживачів, за винятком випадків, коли РУ-35 кВ є основним.
Перетворювальні агрегати
Випрямлячі та інвертори, використовуються на тягових підстанціях постійного струму для живлення РУ-3,3 кВ випрямленою струмом і для повернення енергії, що виробляється при рекуперативному гальмуванні з контактної мережі в загальну мережу змінного струму.
Фідери
Фідери — приєднання до розподільчих устаткувань тягової підстанції контактної мережі та інших споживачів електроенергії.
Тягові підстанції трамваю та тролейбусу

В Україні тягові підстанції трамваю та тролейбусу відносяться до перетворювальних підстанцій та слугують для перетворення трифазного змінного струму напругою 6 або 10 кВ в постійний струм 600 В.
В інших країнах тягові підстанції можуть отримувати трифазну напругу змінного струму 3-20 кВ та перетворювати в постійний струм 220 - 750 В. Зокрема в деяких містах Європи та США використовується рухомий склад на 750 В.
Живлення тягових підстанцій електроенергією зазвичай здійснюється кабельними лініями від підстанцій вищого класу напруги.
Види
Тягові підстанції трамваю та тролейбусу поділяться за різними критеріями.
За обслуговуванням:
- З обслуговчим персоналом;
- Без обслуговчого персоналу.
За способом роботи:
- Неавтоматизовані;
- Автоматизовані;
- Автоматичні.
За наявністю засобів телемеханіки:
- Телемеханізовані;
- Нетелемеханізовані.
.jpg.webp)
.jpg.webp)
Обслуговчий персонал на тягових підстанціях використовується в основному в невеликих містах, де кількість підстанцій дуже мала і системи телемеханіки не раціональні, або на важливих великих підстанціях в системах електротранспорту з централізованим електропостачанням. Крім того, часто пункти управління підстанціями розміщуються на одній з них, тому така підстанція стає обслуговуваною. Але, навіть за наявності персоналу на підстанції, управління на ній може бути автоматизовано і людина виконує лише спостереження (крім аварійних ситуацій).
Автоматичні підстанції використовуватися дуже рідко на малозавантажених лініях, бо мають низьку надійність. Вони передбачать роботу без персоналу та без телекерування.
У більшості систем електротранспорту тягові підстанції керуються дистанційно, через системи телемеханіки. Персонал на них відсутній, оперативні перемикання виконує енергодиспетчер з центрального або районного диспетчерського пункту.
За структурою:
- Одноагрегатні;
- Двоагрегатні;
- Багатоагрегатні.
Одноагрегатні підстанції не набули великого поширення, через ускладнення обслуговування систем електроживлення. Одноагрегатні підстанції пропонувалося розташовувати для систем децентралізованого електропостачання, на довгих не розгалуджених лініях.
Двоагрегатні підстанції мать робочу потужність одноагрегатної, але мать більшу надійність та маневреність через наявність резервного агрегату. Такі підстанції застосовуються як на довгих не розгалуджених лініях, так і на не великих вузлах.
У централізованих системах електропостачання, які є найбільш поширеними, застосовуються триагрегатні-чотириагрегатні підстанції (існують шестиагрегатні), які забезпечують мають велику потужність, за рахунок паралельної роботи кількох агрегатів, та надійність, за рахунок резервного агрегату. Використання централізванної системи дозволяє знизити сумарну потужність підстанцій, їх кількість, але збільшує довжину кабельних мереж та втрати електроенергії.
За розташуванням:
- Наземні:
- Відкриті;
- Закриті:
- Окремо збудовані;
- Прибудовані (заборонені в Україні);
- Вбудовані (заборонені в Україні);
- Модульні;
- Підземні/
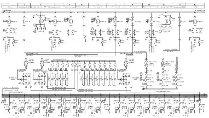
Електрична схема
Приклад однолінійної електричної схеми триагреатної тягової підстанції трамваю та тролейбусу

Вводи
Електроенергія на тягові підстанцій подається, як правило, напругою 6 або 10 кВ від підстанцій енергосистеми більш високого класу напруги або від суміжних тягових підстанцій по кабельних перемичках.
Для передавання електроенергії застосовують кабельні лінії прокладені в землі або кабельній каналізації.
Вводів та кабельних перемичок у підстанцій може бути від 1 до великої кількості, коли тягова підстанція використовується к розподільчий пункт 6(10) кВ. Але більшість підстанцій в Україні мають підключення через дві, три або чотири лінії. Використання лише одного вводу в Україні заборонено. При наявності двох ліній вони поділяються на ввід α (основний) та ввід β (резервний). Перехід з одного вводу на інший, при зникненні напруги на першому, має забезпечуватися автоматикою. Третя (четверта) лінії, як правило, використовуються для живлення суміжних тягових підстанцій по ланцюгу.
Через комутаційну апаратуру струм з кабелів подається на розподільче устаткування (РУ) 6(10) кВ.
Розподільні установки 6(10) кВ
Схеми РУ-6(10) кВ мають одну або дві секції шин.
Через комутаційну апаратуру вводів, яка складається з лінійного роз'єднувача, високовольтного вимикача та шинного роз'єднувача або просто з викатного високовольтного вимикача, струм подається на шини. Від шин РУ-6(10) кВ через комутаційну апаратуру живляться трансформатори перетворювальних агрегатів та трансформатори власних потреб. У сучасних підстанціях всі трансформатори перетворювальних агрегатів розташовують на одній секції шин, щоб забезпечити їх рівномірне навантаження при паралельній роботі.
Перетворювальні агрегати
Кількість перетворювальних агрегатів визначає потужність тягової підстанції. Їх може бути від одного і більше, але найбільшого поширення набули дво- та триагрегатні підстанції.
Перетворювальний агрегат тягових підстанцій трамвая і тролейбуса складається з трансформатора і випрямляча. За часів СРСР випускалися випрямляючі агрегати ВАКЛЕ, що мали номінальний вихідний струм 1000 А, 2000 А і, спеціальні на 3000 А. Сучасні агрегати мають велику шкалу струмів, зокрема в Україні виробляються випрямлячі В-ТПЕД на 800 А, 1000 А, 1250 А, 2000 А, 3000 А.
Трансформатор агрегату живиться напругою 6(10) кВ, а на виході має номінальну змінну напругу 565 В при нульовій схемі випрямлення (СРСР) та 460 В при мостовій (сучасні). Трансформатори для нульової схеми мають вторинну обмотку типу «зірка-зворотна зірка» з зрівнювальним реактором, тому на виході мають шестифазну систему напруги. Реактор з'єднує нейтрали зірок і має вивід з середньої точки. Цей вивід є мінусом системи постійної напруги, тому він відразу підключається до РУ негативної шини (РУНШ). Трансформатори для мостової схеми має вторинну обмотку типу «трикутник» або розщіплені «зірку» та «трикутник», та має трифазну або шестифазну систему напруги на виході відповідно.
Випрямляч ВАКЛЕ складається з одного або декількох блоків БВКЛЕ (з номінальним 1000 А). Схема випрямляча утворює подвійну схему Миткевича. Випрямлений струм має шестипульсну форму. Вихід випрямляча має позитивний потенціал та живить РУ-600 В.
Випрямляч В-ТПЕД може мати нульову, мостову 6-пульсну або 12-пульсну схему. Катод випрямляча підключається до РУ-600 В, анод до РУНШ.
До 1970-х років в експлуатації залишались ртутні випрямлячі.
У 2000-ні роки на тягових підстанціях стали з'являтися інверторні перетворюючі агрегати, що дозволяють енергію рекуперації на рухомому складі перетворювати у напругу живильної мережі та віддавати її. Станом на 2020 рік в Україні такі агрегати відсутні.
Розподільні устновки 600 В

РУ-600 В постійного струму слугує для комутації "плюсу" 600 В та, як правило, має дві шини, робочу та запасну. Зрідка використовуються інші схеми: на підстанціях великої потужності робоча шина може бути розділена на секції, для підвищення надійності і ремонтопридатності; на малих підстанціях може бути відсутня запасна шина.
Робоча шина РУ-600 В отримує живлення від перетворювальних агрегатів через комутаційні апарати: автоматичний швидкодіючий вимикач зворотньої дії (катодний автомат) і шинний роз'єднувач, або катодний автомат, що викочується.
До робочої шини через автоматичний вимикач підключається запасна шина.
Лінії приєднань (плюсові фідери) підключаються до робочої шини через власний автоматичний вимикач, а також мають можливість підключатись до запасної шини через роз'єднувач, на час ремонту власного вимикача.
Розподільні установки негативної шини
РУНШ підключається до нульових точок трансформаторів (при схемі «зірка-зворотна зірка») або до анодів випрямлячів (на сучасних агрегатах) через шинні роз'єднувачі. Автоматичні вимикачі не застосовуться, функції захисту виконуть вимикачі РУ-600 В.
Негативна шина (НШ) тягових підстанцій тролейбусу несе потенціал приблизно рівний шині РУ-600 В але з протилежним знаком, бо система нейтралі 600 В ізольована. НШ тягових підстанцій трамваю має потенціал близький до нуля, через підключення до рейок, що фактично є заземленням. НШ іноді може примусово заземлюватися через баластний опір або "глухо".
Приєднання
Приєднання (фідери) використовуються для підключення контактної мережі та рейок до РУ-600 В та РУНШ. Виконуються, як правило, кабельними лініями, зрідка, повітряними лініями.
Кількість фідерів визначається потужністю підстанції та розгалуженістю мережі в зоні її електропостачання і може коливатися від одного-двох в децентралізованих системах до двох десятків в централізованих.
Кабелі позитивної полярності підключається до РУ-600 В через пристрій перемикача запасної шини (ПЗШ). ПЗШ має два положення робоче і запасне, при яких відповідно фідер підключається до робочої шини через лінійний автомат (швидкодіючий струмообмежувальний вимикач) або до запасної (без автомата). Така система дозволяє виводити для обслуговування лінійний автомат без тривалого відключення живлення фідера.
Кабелі негативної полярності підключаються до РУНШ через роз'єднувач.
Приєднання негативної полярності при живленні трамвайних рейок можуть мати включені послідовно реостати для вирівнювання опору кабелів різної довжини для рівномірного розподілення навантаження. Кількість приєднань негативної полярності при живленні рейок у централізованій системі електропостачання, як правило, менша за позитивні. Це пов'язано з природним розтіканням струму навантаження на всі негативні кабелі через рейки, що утворюють єдину мережу, і що призводить до зменшення навантаження на кожен окремий кабель.
Власні потреби
Власні потреби підстанцій забезпечуються трансформаторами власних потреб, які перетворюють напругу 6(10) кВ у 380 В.
До власних потреб відноситься електроосвітлення, опалення, вентиляція, системи зв'язку і, головне, системи керування та сигналізації підстанції. Системи керування та сигналізації живляться оперативним струмом: 220 В змінного струму, 110 В або 220 В (найбільш поширений) випрямленого/постійного струму. На сучасних підстанціях в системах оперативного струму використовуються акумуляторні батареї для підвищення надійності та можливості керування підстанцією навіть у випадку відсутності зовнішнього електропостачання.