Тиристорно-імпульсна система керування
Тиристорно-імпульсна система керування (скор.ТІСК) — комплекс електронного та електромеханічного обладнання для керування різними електричними навантаженнями в системах, що мають нерегульоване джерело постійного струму (тягові двигуни (ТЕД) електровозів, тепловозів, МВРС, теплоходів, атомоходів, рухомого складу трамваїв та тролейбусів тощо)[1]
Принцип дії

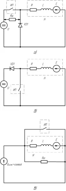
а — напруги на навантаженні (Н); б — струму джерела (Е); в — струму навантаження Н, включеної в ланцюг джерела струму

Процес імпульсного регулювання кола постійного струму зводиться до періодичного переривання струму в одній з гілок кола за допомогою ключа. На практиці застосовується три схеми включення ключів (показані на малюнку).
У першому з них (малюнок 1а) переривник ІП включений між навантаженням Н і джерелом напруги U, причому іноді він може бути шунтуватися резистором Rш-Навантаження Н в загальному випадку містить активну R і індуктивну L складові, а також протівоедс Е. При L>0 завжди застосовують шунтування її вентилем VD1[2]. У другому варіанті (малюнок 1б) переривник ІП і діод VD1 міняють місцями — таку схему використовують для передачі енергії від джерела ЕРС Е в джерело U, тобто при рекуперативному гальмуванні двигунів. Для реалізації рекуперативним-реостатного або реостатного гальмування і цю схему вводять резистори. Якщо замість джерела U включити конденсатор С, то отримаємо схему перетворювача з підвищенням напруги при одночасному його згладжуванні, яка застосовується при живленні високовольтних навантажень від низьковольтних джерел постійного струму. Третій варіант (малюнок. 1, в) передбачає регулювання струму в навантаженні Н, живиться від джерела струму I. при цьому навантаження з L>0 шунтується резистором Rш, що дозволяє регулювати її струм.
Функціонально ТІСК складається з генератора імпульсів; контролера, який керує параметрами послідовності імпульсів, що генерується в залежності від вимог обслуговчого персоналу, характеристик навантаження та електромеханічних запобіжних пристроїв (контактори, реле захисту). Оскільки генератор імпульсів разом з контролером видають керуючі сигнали малої потужності, то для комутації струму в силових ланцюгах застосовуються потужнострумні тиристори, від чого вся система й отримала свою назву.
Наприклад, ТІСК, призначена для регулювання обертів та обертального моменту ТЕДу за необхідності збільшення оборотів або обертального моменту збільшує частоту та тривалість в часі імпульсів струму через навантаження, таким чином зростає середній струм через ТЕД. Якщо потрібно знизити оберти або створюваний момент, то ТІСК формує рідші та коротші імпульси в їх часовій послідовності, забезпечуючи зменшення середнього струму, що проходить через обмотки ТЕД.
Тиристорний перетворювач (інвертор), Зображений на малюнку 2, виконаний на шести тиристорах за схемою Ларіонова. Залежно від виду включення обмоток тягового двигуна (зіркою або трикутником), перетворювач за схемою Ларіонова має істотно різні характеристики. Деякі характеристики («живучість» при виході з ладу кількох тиристорів) перетворювачів на дванадцяти тиристорах виконаних за схемою «три паралельних мости» кращі, ніж у перетворювачів за схемою Ларіонова.
У ранніх моделях ТІСК генератор імпульсів та контролер виконувалися на аналоговій елементній базі (на дискретних елементах або з обмеженим використанням логічних схем малого ступеня інтеграції), згодом подальший розвиток електроніки дозволив застосовувати у блоці керування ТІСК гнучкіші програмовані цифрові мікросхеми.
Переваги
Перевагою ТІСК перед більш ранніми моделями систем керування струмом (безпосередня, непряма реостатно-контакторна) в ТЕД рухомого складу є відсутність теплових втрат у пускових опорах, а отже і вищий ККД. Також за рахунок безступінчатого збільшення струму в обмотках ТЕД ТІСК дозволяє досягти плавного розгону транспортного засобу без ривків та поштовхів, відсутність складних електромеханічних пристроїв комутації позитивним чином позначається на надійності.
Недоліки
Мінусом ТІСК є її вища складність порівняно з електромеханічними аналогами, що вимагає вищого рівня обслуговуючого персоналу для діагностики та ремонту. На відміну від безпосередньої і в дещо меншій мірі непрямої реостатно-контакторної систем керування, ТІСК практично не ремонтується в умовах депо (вимагає радіомонтувальний, а не звичайною для транспортних підприємств механічної та електричної майстерні), що помітно стримувало її впровадження в СРСР.
Застосування
Серед моделей трамвайного рухомого складу ТІСК вітчизняного виробництва використовувалася на одиничних дослідних вагонах КТМ-5Т, 71-608 та 71-619Т, дрібносерійних РВЗ-7, ЛВС-86Т та ЛВС-86м. Достатньо широке поширення в СРСР з 1987 року отримали імпортні чеські трамваї TATRA-Т6В5 з ТІСК. На їх основі дніпропетровським підприємством «Південмаш» та свердловським УЗТМ були згодом створені свої моделі трамваїв з ТІСК, а в Білорусі ТІСК використовуються на вагонах АКСМ-1М, АКСМ-60102 та АКСМ-743. З кінця 1980-х рр.. завод імені Урицького в м. Енгельс Саратовської області налагодив серійний випуск зчленованих тролейбусів ЗіУ-683 (ЗіУ-10) (пізніше — ЗіУ-6205) з ТІСК на базі регулятора РТ-300/700Б2М. У Санкт-Петербурзі 1996 року одна машина ЗіУ-682В00 № 1639 при капітальному ремонті була обладнана ТІСК МЕРА-2.
Виробники
1. ВАТ «Запорізький електроапаратний завод», м. Запоріжжя
Орієнтовно, 1978 року розробив, а до 1986 році приступив до серійного випуску тиристорного регулятора РТ-300/700, застосованого вперше заводом "Динамо" у складі комплекту електрообладнання КІ-3001 («ДІНАС-211») для тролейбусів ЗіУ-683б00. Також заводом були розроблені та виготовлені тиристорні регулятори типу РТ-300/700 для комплектів електрообладнання тролейбусів ЗіУ-6205, ЗіУ-52642, ЗіУ-62052.02, РТ-300/300А для вагонів метрополітену серій 81-717/81-714, 81-540/81-541 та аналогічних.
2. ВАТ «Завод „Радіоприлад“», м. Санкт-Петербург
1991 р.: ТІСК, застосована заводом «Динамо» у складі комплекту електрообладнання КІ-3103 для трамваїв 71-86Т (ЛВС-86Т).
1994 р.: ТІСК МЕРА-1 для переобладнання трамваїв Tatra T3.
1994 р.: ТІСК МЕРА-3 для трамвайних вагонів 71-86М.
1997 р.: ТІСК МЕРА-2 для переобладнання тролейбусів з ТЕД ДК-211Б.
1998 м.: ТІСК МЕРА-3.01 для модернізації трамваїв Tatra T3 в Москві.
1998 р.: ТІСК МЕРА-4 у складі тягового обладнання МРК-1 (ЗАТ «Кросно-ЕЛЕКТРА», Москва) для трамвайних вагонів моделі 71-619.
1997 р.: ТІСК почали застосовувати у тролейбусах виробництва Белкоммунмаш
3. ŠKODA OSTROV, м. Пльзень 1979р Тролейбуси ŠKODA-9TrHT Обладнані ТІСК
Примітки
- Феоктистов В. П., Чаусов О. Г. Тиристорные импульсные преобразователи В. П. Феоктистов. — М.: Информэлектро, 1985.(рос.)
- Бирзниекс Л. В. Импульсные преобразователи постоянного тока. — Москва : Энергия, 1974. — 256 с.
Література
- Т.А. Глазенко. Напівпровідникові перетворювачі в електроприводах постійного струму. — Ленінград : Енергія, 1973. — 304 с.
- І.С. Єфремов. Реверсивний тиристорний імпульсний перетворювач з широким діапазоном регулювання вихідної напруги. — Праці московського енергетичного інституту. — 1983.
Посилання
1. Паровозні технології XXI століття — стаття про устрій та проблеми застосування СУ ТЕД на міському електротранспорті
2. Технічні характеристики регуляторів для тролейбуса, трамвая та метрополітену РТ-300/700 та РТ-300/300 на сайті виробника: https://web.archive.org/web/20100324104600/http://www.zeaz.zp.ua/el_products/26/
3. Опис функціональних можливостей та типів ТІСК МЕРА на сайті виробника: http://www.zrp.ru/index.php?issue_id=18
Див. також
- Тиристорний комутатор
- Пристрій плавного пуску
- Інвертор (перетворювач)
- Інверторна система
- Тяговий перетворювач
- Електропривід
| Системи керування тяговими електродвигунами наземного міського електротранспорту |
|---|
| Безпосередня | Реостатно-контакторна | Тиристорно-імпульсна | Контакторно-транзисторна | Транзисторна |